| 001A |
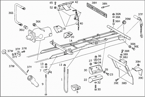
A 3436101603 |
SUBSTRUCTURE |
|
|
AUXILIARY FRAME |
|
A 3436102803 |
SUBSTRUCTURE |
|
|
AUXILIARY FRAME |
| 001A |
A 3436101403 |
SUBSTRUCTURE |
|
|
AUXILIARY FRAME |
| 001 |
A 3358912030 |
CLAMP |
|
|
AUXILIARY FRAME MOUNTING |
|
|
385 MM |
| 005 |
A 3158910096 |
BASE |
|
|
AUXILIARY FRAME MOUNTING |
| 007 |
A 3438910098 |
SHIM |
|
|
AUXILIARY FRAME MOUNTING |
| 009 |
N 000960014163 |
SCREW |
|
|
AUXILIARY FRAME MOUNTING |
| 011 |
N 007349015003 |
WASHER |
|
|
CLAMP TO FRAME |
| 013 |
N 913001014000 |
NUT |
|
|
CLAMP TO FRAME |
| 018 |
A 3438900031 |
CONSOLE |
|
|
AUXILIARY FRAME MOUNTING |
| 020 |
A 3438910131 |
CONSOLE |
|
|
AUXILIARY FRAME MOUNTING |
| 022 |
A 3438910331 |
CONSOLE |
|
|
AUXILIARY FRAME MOUNTING |
| 023 |
N 000961012151 |
SCREW |
|
|
CONSOLE TO FRAME AND TO AUXILIARY FRAME,RESP. |
|
N 000961012097 |
SCREW |
|
Repalced by: N 308676012026
|
|
N 308676012026 |
SCREW |
|
|
CONSOLE TO FRAME AND TO AUXILIARY FRAME,RESP. |
|
N 000960012189 |
SCREW |
|
Repalced by: N 308676012031
|
|
N 308676012031 |
SCREW |
|
Repalced by: N 308676012011
|
|
N 308676012011 |
SCREW |
|
|
CONSOLE TO FRAME AND TO AUXILIARY FRAME,RESP. |
| 026 |
N 912004012100 |
LOCK WASHER |
|
|
CONSOLE TO FRAME AND TO AUXILIARY FRAME,RESP. |
| 027 |
N 000934012022 |
NUT |
|
|
CONSOLE TO FRAME AND TO AUXILIARY FRAME,RESP. |
| 030 |
N 000960014061 |
SCREW |
|
|
AUXILIARY FRAME TO CONSOLE |
| 032 |
N 007349015003 |
WASHER |
|
|
AUXILIARY FRAME TO CONSOLE |
| 034 |
A 0009930526 |
DISC SPRING |
|
|
AUXILIARY FRAME TO CONSOLE |
| 036 |
N 913001014000 |
NUT |
|
|
AUXILIARY FRAME TO CONSOLE |
|
N 001433030000 |
PIN |
|
|
RETAINING ROPE TO AUXILIARY FRAME |
|
N 000094006307 |
COTTER PIN |
|
|
RETAINING ROPE TO AUXILIARY FRAME |
| 036E |
N 000961016040 |
SCREW |
|
|
AUXILIARY FRAME TO FRAME,REAR |
| 036H |
N 000960016029 |
SCREW |
|
|
AUXILIARY FRAME TO FRAME,REAR |
| 036K |
N 912004016101 |
LOCK WASHER |
|
|
AUXILIARY FRAME TO FRAME,REAR |
| 036N |
N 000934016002 |
NUT |
|
|
AUXILIARY FRAME TO FRAME,REAR |
| 036S |
A 3436190665 |
LINE |
|
|
LINES TO PUMP AND TO OIL TANK |
|
A 3436191265 |
LINE |
|
|
LINES TO PUMP AND TO OIL TANK |
| 036S |
A 3466190365 |
LINE |
|
|
LINES TO PUMP AND TO OIL TANK |
| 036U |
A 0019974472 |
FITTING |
|
Repalced by: A 0019909478
|
| 036U |
A 0019909478 |
CONNECTOR |
|
|
LINES TO PUMP AND TO OIL TANK |
| 036X |
A 0019971372 |
FITTING |
|
|
LINES TO PUMP AND TO OIL TANK |
|
N 916017040000 |
CLAMP |
|
Repalced by: N 000000000671
|
|
N 000000000671 |
CLAMP |
|
|
LINES TO PUMP AND TO OIL TANK |
| 037F |
A 0003150706 |
COUPLING PIN |
|
|
DUMPER AUXILIARY FRAME TO CHASSIS |
| 037M |
A 3356190115 |
SHAFT |
|
|
DUMPER VALVE OPERATION |
| 037P |
A 3396470021 |
GUIDE |
|
Repalced by: A 3436470021
|
| 037P |
A 3436470021 |
GUIDE |
|
|
CAB |
| 037R |
N 007985004136 |
SCREW |
|
|
GUIDE TO CAB |
|
|
M 4X12 |
| 037T |
N 009021004200 |
WASHER |
|
|
GUIDE TO CAB |
| 037W |
N 913010004101 |
RIVETED NUT |
|
Repalced by: N 913024004100
|
| 037W |
N 913024004100 |
RIVETED NUT |
|
|
GUIDE TO CAB |
| 037Y |
N 001481005030 |
CLAMPING SLEEVE |
|
|
DUMPER VALVE SPINDLE THRU CAB REAR PANEL |
| 038D |
A 3438800608 |
MUD APRON |
|
|
LEFT |
|
A 3438800708 |
MUD APRON |
|
|
RIGHT |
| 038H |
A 3605840025 |
NAME PLATE |
|
|
AT REAR FENDER |
| 038N |
N 910003003103 |
RIVET |
|
|
EMBLEM TO MUD APRON |
| 038R |
N 000961012151 |
SCREW |
|
|
MUD APRON TO AUXILIARY FRAME |
|
|
M 12X1.5X20 |
| 038U |
N 000125013008 |
WASHER |
| 038X |
N 912004012102 |
LOCK WASHER |
|
|
MUD APRON TO AUXILIARY FRAME |
| 039C |
A 3435441438 |
BRACKET |
|
|
MUD APRON |
| 039E |
N 000933006037 |
SCREW |
|
|
BRACKET TO REAR FENDER |
|
|
M 6X15 |
| 039H |
N 913004006002 |
NUT |
|
Repalced by: N 913004006001
|
| 039H |
N 913004006001 |
NUT |
|
|
BRACKET TO REAR FENDER |
| 039M |
A 4069975081 |
GROMMET |
|
|
ELECTRIC CABLE THRU FRAME, REAR |
| 040 |
A 3355800390 |
BRACKET |
|
Repalced by: A 3355800290
|
| 040 |
A 3355800290 |
BRACKET |
|
|
WITH CHAIN FOR CHOCK |
|
A 3355830282 |
BRACKET |
|
Repalced by: A 3828900079
|
| 042 |
A 3828900079 |
CLAMP |
|
|
CHOCK FIXTURE |
| 045 |
N 000603008051 |
SCREW |
|
|
CHOCK FIXTURE |
|
|
M 8X55 |
| 045 |
N 000964008016 |
SCREW |
|
|
CHOCK FIXTURE |
|
|
M 8X20 |
| 052 |
N 913004008004 |
NUT |
|
Repalced by: N 913004008001
|
| 052 |
N 913004008001 |
NUT |