Pagrindinis meniu

Transporto priemonė: LP 913; VIN numerio dalis: 318059
Grupė: 42 BRAKE SYSTEM - 001 BRAKES
44041
44042
44043
44044
44045
44046
44047
44048
44049
44050
44051
44052
44053
44054
44055
44056
44057
44058
44059
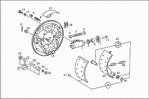
# Kodas Pavadinimas
001 A 3164200118 WHEEL BRAKE CYLINDER
LESS THRUST PIN
002 A 3164210090 SPRING
003 A 0004212089 FILLER
005 A 3164210086 CUP
006 A 3164210083 PISTON
007 A 3164210087 PROTECTIVE CAP
008 A 3075530107 VALVE
BLEEDING
009 A 0004217187 PROTECTIVE CAP
Repalced by: A 0004210887
009 A 0004210887 PROTECTIVE CAP
A 0015863742 REPAIR KIT
011 A 3164210088 THRUST PIN
WHEEL CYLINDER
TO 316 420 04 19
011 A 3184210288 THRUST PIN
WHEEL CYLINDER
TO 316 420 05 19
012 A 3244210120 PROTECTIVE PLATE
HAND BRAKE SHAFT
013 N 912004010102 LOCK WASHER
WHEEL CYLINDER TO BRAKE ANCHOR PLATE
014 N 000912010001 SCREW
WHEEL CYLINDER TO BRAKE ANCHOR PLATE
015 A 3164200316 BRAKE ANCHOR PLATE
018 A 3094210211 PLUG
A 3539900204 SCREW
Repalced by: N 900170012001
019 N 900170012001 SCREW
BRAKE ANCHOR PLATE TO STEERING KNUCKLE
019 N 000960012034 SCREW
BRAKE ANCHOR PLATE TO STEERING KNUCKLE
020 N 000935012003 NUT
BRAKE ANCHOR PLATE TO STEERING KNUCKLE
021 N 000094003219 COTTER PIN
BRAKE ANCHOR PLATE TO STEERING KNUCKLE
A 3164210118 PIVOT PIN
Repalced by: A 3164200082
A 3164200638 ADJUSTER
Repalced by: A 3164200838
A 3164200738 ADJUSTER
Repalced by: A 3164200938
022 A 3164201038 REPAIR KIT
LEFT FRONT, RIGHT REAR
022 A 3164201138 REPAIR KIT
RIGHT FRONT,LEFT REAR
023 A 3124211190 SPRING
024 N 074361014202 NUT
Repalced by: N 074361014205
024 N 074361014205 NUT
A 3164200720 BRAKE SHOE
Repalced by: A 3164200519
A 3164200820 BRAKE SHOE
Repalced by: A 3164200519
A 3164200920 BRAKE SHOE
Repalced by: A 3164200519
A 3164200219 BRAKE SHOE
Repalced by: A 3164200519
A 3164200419 BRAKE SHOE
Repalced by: A 3164200519
A 3164200519 BRAKE SHOE
Repalced by: A 3164200619
025 A 3164200619 BRAKE SHOE
026 A 3164211410 BRAKE LINING
(PARTS KIT) (BRAKE LINING
11.00 MM,4X 316 421 11 10)
026 A 3164212310 BRAKE LINING
(PARTS KIT) (ASBESTOS-FREE BRAKE LINING)
11.00 MM,4X 316 421 18 10)
026 A 3164211710 BRAKE LINING
(PARTS KIT),FOR EXPORT (BRAKE LINING
10.60 MM,4X 316 421 10 10)
026 A 3164212210 BRAKE LINING
(PARTS KIT),FOR EXPORT (ASBESTOS-FREE BRAKE LINING
10.60 MM,4X 316 421 21 10)
026 A 3164211510 BRAKE LINING
(PARTS KIT) (BRAKE LINING
11.80 MM,4X 316 421 12 10)
026 A 3164212410 BRAKE LINING
(PARTS KIT) (ASBESTOS-FREE BRAKE LINING)
11.80 MM,4X 316 421 19 10)
026 A 3164211610 BRAKE LINING
(PARTS KIT) (BRAKE LINING
12.50 MM,4X 316 421 13 10)
026 A 3164212510 BRAKE LINING
(PARTS KIT) (ASBESTOS-FREE BRAKE LINING)
12.50 MM,4X 316 421 20 10)
027 A 3079900197 RIVET
BRAKE LINING TO BRAKE SHOE
028 A 3164210552 SPACER WASHER
BRAKE SHOE TO BRAKE ANCHOR
029 A 3149933001 SPRING
BRAKE SHOE TO BRAKE ANCHOR
A 3164210177 RETAINER
Repalced by: A 3164210277
030 A 3164210277 RETAINER
031 N 912004008102 LOCK WASHER
032 N 304032008006 NUT
033 A 3164210052 SPACER WASHER
BRAKE SHOE TO BRAKE ANCHOR
3.50 MM
034 N 000471025002 LOCK RING
BRAKE SHOE TO BRAKE ANCHOR
035 A 3164200082 REPAIR KIT
BRAKE SHOE BEARING
036 A 3149931110 SPRING
(RELEASE SPRING)
040 A 3164200118 WHEEL BRAKE CYLINDER
LESS THRUST PIN
041 A 3164210090 SPRING
042 A 0004212089 FILLER
043 A 3164210086 CUP
044 A 3164210083 PISTON
046 A 3164210087 PROTECTIVE CAP
A 3164200055 BLEEDER VALVE
Repalced by: A 0004310265
A 0004310265 VALVE
Repalced by: A 3075530107
048 A 3075530107 VALVE
BLEEDING
049 A 0004217187 PROTECTIVE CAP
Repalced by: A 0004210887
049 A 0004210887 PROTECTIVE CAP
A 0015863742 REPAIR KIT
051 A 3164210088 THRUST PIN
TO 316 420 04 19
051 A 3184210288 THRUST PIN
TO 316 420 05 19
052 A 3244210120 PROTECTIVE PLATE
HAND BRAKE SHAFT
053 N 912004010102 LOCK WASHER
WHEEL CYLINDER TO BRAKE ANCHOR PLATE
054 N 000912010001 SCREW
WHEEL CYLINDER TO BRAKE ANCHOR PLATE
055 A 3164200417 BRAKE ANCHOR PLATE
LEFT
055 A 3164200517 BRAKE ANCHOR PLATE
RIGHT
058 A 3094210211 PLUG
059 A 3164230054 PIPE SOCKET
HAND BRAKE SHAFT
060 A 3169900014 SCREW
BRAKE ANCHOR TO AXLE HOUSING
061 N 912004014100 LOCK WASHER
BRAKE ANCHOR TO AXLE HOUSING
062 N 000934014020 NUT
BRAKE ANCHOR TO AXLE HOUSING
063 N 000961012106 SCREW
BRAKE ANCHOR TO AXLE HOUSING
063 N 308676012010 SCREW
BRAKE ANCHOR TO AXLE HOUSING
064 N 912004012100 LOCK WASHER
BRAKE ANCHOR TO AXLE HOUSING
065 A 3229900050 NUT
Repalced by: A 3189900150
065 A 3189900150 NUT
BRACKET TO CAB FLOOR
A 3164210118 PIVOT PIN
Repalced by: A 3164200082
A 3164200638 ADJUSTER
Repalced by: A 3164200838
A 3164200838 ADJUSTER
Repalced by: A 3165860042
A 3165860042 REPAIR KIT
Repalced by: A 3164201038
066 A 3164201038 REPAIR KIT
LEFT FRONT, RIGHT REAR
A 3164200738 ADJUSTER
Repalced by: A 3164200938
A 3164200938 ADJUSTER
Repalced by: A 3165860142
A 3165860142 REPAIR KIT
Repalced by: A 3164201138
066 A 3164201138 REPAIR KIT
RIGHT FRONT,LEFT REAR
067 A 3124211190 SPRING
068 N 074361014202 NUT
Repalced by: N 074361014205
068 N 074361014205 NUT
A 3164200720 BRAKE SHOE
Repalced by: A 3164200519
A 3164200820 BRAKE SHOE
Repalced by: A 3164200519
A 3164200920 BRAKE SHOE
Repalced by: A 3164200519
A 3164200219 BRAKE SHOE
Repalced by: A 3164200519
A 3164200419 BRAKE SHOE
Repalced by: A 3164200519
A 3164200519 BRAKE SHOE
Repalced by: A 3164200619
069 A 3164200619 BRAKE SHOE
070 A 3164211410 BRAKE LINING
(PARTS KIT) (BRAKE LINING
11.00 MM,4X 316 421 11 10)
070 A 3164212310 BRAKE LINING
(PARTS KIT) (ASBESTOS-FREE BRAKE LINING)
11.00 MM,4X 316 421 18 10)
070 A 3164211710 BRAKE LINING
(PARTS KIT),FOR EXPORT (BRAKE LINING
10.60 MM,4X 316 421 10 10)
070 A 3164212210 BRAKE LINING
(PARTS KIT),FOR EXPORT (ASBESTOS-FREE BRAKE LINING
10.60 MM,4X 316 421 21 10)
070 A 3164211510 BRAKE LINING
(PARTS KIT) (BRAKE LINING
11.80 MM,4X 316 421 12 10)
070 A 3164212410 BRAKE LINING
(PARTS KIT) (ASBESTOS-FREE BRAKE LINING)
11.80 MM,4X 316 421 19 10)
070 A 3164211610 BRAKE LINING
(PARTS KIT) (BRAKE LINING
12.50 MM,4X 316 421 13 10)
070 A 3164212510 BRAKE LINING
(PARTS KIT) (ASBESTOS-FREE BRAKE LINING)
12.50 MM,4X 316 421 20 10)
071 A 3079900197 RIVET
BRAKE LINING TO BRAKE SHOE
072 A 3164210552 SPACER WASHER
BRAKE SHOE TO BRAKE ANCHOR
073 A 3149933001 SPRING
BRAKE SHOE TO BRAKE ANCHOR
A 3164210177 RETAINER
Repalced by: A 3164210277
074 A 3164210277 RETAINER
075 N 912004008102 LOCK WASHER
076 N 304032008006 NUT
077 A 3164210052 SPACER WASHER
BRAKE SHOE TO BRAKE ANCHOR
2.5 MM
078 N 000471025002 LOCK RING
079 A 3164200082 REPAIR KIT
BRAKE SHOE BEARING
080 A 3149930810 SPRING
(RELEASE SPRING)
A 3164230044 THRUST SHACKLE
Repalced by: A 3164230144
081 A 3164230144 THRUST SHACKLE
082 N 001434014049 PIN
THRUST SHACKLE TO BRAKE SHOE
083 N 000094004065 COTTER PIN
THRUST SHACKLE TO BRAKE SHOE
A 0034301801 BRAKE MASTER CYLINDER
Repalced by: A 0024300701
090 A 0024300701 BRAKE MASTER CYLINDER
HYDRAULIC BRAKE
091 A 0004200655 BLEEDER VALVE
092 A 0004217187 PROTECTIVE CAP
Repalced by: A 0004210887
092 A 0004210887 PROTECTIVE CAP
A 0004310760 SEAL RING
Repalced by: A 0004300381
093 A 0004300381 VALVE
094 A 0004313193 SPRING
095 A 0004312076 WASHER
096 A 0014310693 SPRING
097 A 0004310186 CUP
A 0004315883 PISTON
099 A 0004310685 FILLER RING
100 A 0004310086 CUP
A 0004312176 WASHER
102 A 0009940135 SNAP RING
103 A 0005864443 REPAIR KIT
BRAKE MASTER CYLINDER
110 A 0034308101 BRAKE MASTER CYLINDER
ATE
A 0034307201 BRAKE MASTER CYLINDER
Repalced by: A 0034309401
110 A 0034309401 BRAKE MASTER CYLINDER
SCHAEFER
A 0004310971 SCREW
TO 003 430 72 01
112 A 0004319360 SEAL RING
TO 003 430 72 01
113 A 0004312675 THREADED UNION
TO 003 430 72 01
114 A 0004319260 SEAL RING
TO 003 430 72 01
114 A 0014312960 SEAL RING
TO 003 430 81 01
A 0004308281 VALVE
TO 003 430 72 01
116 A 0009933705 SPRING
TO 003 430 72 01
117 A 0004312789 SPRING RETAINER
TO 003 430 72 01
118 A 0014313093 SPRING
TO 003 430 72 01
119 A 0014313193 SPRING
TO 003 430 72 01
120 A 0004314176 WASHER
TO 003 430 72 01
121 A 0004312575 THREADED UNION
TO 003 430 72 01
122 A 0004319160 SEAL RING
TO 003 430 72 01
122 A 0014313060 SEAL RING
TO 003 430 81 01
123 A 3075530107 VALVE
TO 003 430 72 01,003 430 81 01
124 A 0004217187 PROTECTIVE CAP
Repalced by: A 0004210887
124 A 0004210887 PROTECTIVE CAP
TO 003 430 72 01,003 430 81 01
A 0025863143 REPAIR KIT
Repalced by: A 0035860143
125 A 0035860143 REPAIR KIT
BRAKE MASTER CYLINDER
TO 003 430 72 01,003 430 94 01
125 A 0025866843 REPAIR KIT
BRAKE MASTER CYLINDER
TO 003 430 81 01
130 A 0024303301 BRAKE MASTER CYLINDER
131 A 0009940135 SNAP RING
A 0004312176 WASHER
133 A 0059974746 SEAL RING
134 A 0004316383 PISTON
A 0004311885 FILLER RING
136 A 0004316986 CUP
A 0004313176 WASHER
A 0014311193 SPRING
A 0004313587 PROTECTIVE CAP
A 0002950071 SCREW
141 A 0029976940 SEAL RING
A 0004315593 SPRING
143 A 0004302481 VALVE
144 N 007603018101 SEAL RING
A 0009979672 FITTING
A 0004313376 WASHER
A 0004313076 WASHER
A 0004312189 SPRING RETAINER
A 0014311293 SPRING
A 0004316483 PISTON
151 N 007603035101 SEAL RING
A 0004311856 SCREW PLUG
153 A 0005865543 REPAIR KIT
BRAKE MASTER CYLINDER
155 A 0004284024 DISTRIBUTOR
156 A 0004293037 DISTRIBUTOR
157 A 0004280830 CONNECTOR
CONNECTIONS "21,22"
157 A 0004280830 CONNECTOR
CONNECTIONS "21,22"
158 N 007603014405 SEAL RING
CONNECTIONS "21,22"
159 N 007603012110 SEAL RING
CONNECTIONS "21,22"
159 N 007603012110 SEAL RING
CONNECTIONS "21,22"
160 A 0004280026 HOLLOW SCREW
CONNECTIONS "21,22"
161 A 0009901763 HOLLOW SCREW
CONNECTIONS "21,22"
161 A 0009901763 HOLLOW SCREW
CONNECTIONS "21,22"
165 A 0004315802 RESERVOIR
TEVES
165 A 0014313802 RESERVOIR
SCHAEFER
A 0004312133 FILLER CAP
Repalced by: A 0004313733
A 0004314933 FILLER CAP
Repalced by: A 0004313733
166 A 0004313733 FILLER CAP
Repalced by: A 0004316533
166 A 0004316533 FILLER CAP
Repalced by: A 0004317633
166 A 0004317633 FILLER CAP
TO 001 431 38 02,000 431 58 02
167 A 0009972940 SEAL RING
43.7X30 MM
167 A 0039976440 SEAL RING
42X21.5 MM
168 A 0004313134 STRAINER
TO 000 431 58 02,001 431 38 02
169 A 0004311040 CLAMP
175 A 0004314702 RESERVOIR
TEVES
175 A 0004314702 RESERVOIR
TEVES
175 A 0014312902 RESERVOIR
SCHAEFER
175 A 0014312902 RESERVOIR
SCHAEFER
A 0004315133 FILLER CAP
Repalced by: A 0004315433
176 A 0004315433 FILLER CAP
BUTTRESS THREAD
176 A 0002950237 SCREW PLUG
KNUCKLE THREAD
177 A 0009972940 SEAL RING
43.7X30 MM
177 A 0039976440 SEAL RING
42X21.5 MM
178 A 0004314334 STRAINER
180 A 0004311040 CLAMP
180 A 0004311040 CLAMP
182 N 000933006102 SCREW
RESERVOIR TO DRIVER'S SEAT BOX
182 N 000933006102 SCREW
RESERVOIR TO DRIVER'S SEAT BOX
183 N 000933006124 SCREW
RESERVOIR TO DRIVER'S SEAT BOX
184 N 000125006421 WASHER
RESERVOIR TO DRIVER'S SEAT BOX
185 A 3892680525 TUBE
RESERVOIR TO DRIVER'S SEAT BOX
186 N 913002006001 NUT
Repalced by: N 913002006009
186 N 913002006009 NUT
RESERVOIR TO DRIVER'S SEAT BOX
187 A 3184300410 BRACKET
FLUID RESERVOIR
187 A 3184314340 BRACKET
FLUID RESERVOIR
188 N 007981005211 SHEET METAL SCREW
BRACKET TO CAB
188 N 007985006161 SCREW
Repalced by: N 007985006580
188 N 007985006580 SCREW
BRACKET TO CAB
190 A 3604280243 ANGLE
191 N 000933008147 SCREW
Repalced by: N 304017008021
191 N 304017008021 SCREW
ANGLE TO FRAME
192 N 913004008004 NUT
Repalced by: N 913004008001
192 N 913004008001 NUT
ANGLE TO FRAME
193 A 0004311231 TEST CONNECTION
HYDRAULIC BRAKE
193 A 0004316631 TEST CONNECTION
HYDRAULIC BRAKE
194 N 000931006041 SCREW
TEST CONNECTION TO BRACKET
195 N 000125006421 WASHER
TEST CONNECTION TO BRACKET
196 N 913004006002 NUT
Repalced by: N 913004006001
196 N 913004006001 NUT
TEST CONNECTION TO BRACKET
197 A 3354310053 SPACER TUBE
Repalced by: A 3094310249
197 A 3094310249 GUIDE BUSHING
TEST CONNECTION TO CROSS MEMBER
198 N 000931006187 SCREW
Repalced by: N 304014006005
198 N 304014006005 SCREW
TEST CONNECTION TO CROSS MEMBER
199 N 000125006421 WASHER
TEST CONNECTION TO CROSS MEMBER
200 N 913004006002 NUT
Repalced by: N 913004006001
200 N 913004006001 NUT
TEST CONNECTION TO CROSS MEMBER
A 3184313740 BRACKET
Repalced by: A 3812710540
202 A 3812710540 BRACKET
CAB SUSPENSION
A 3184280043 ANGLE
Repalced by: A 4220980239
203 A 4220980239 BRACKET
Repalced by: A 4420981239
203 A 4420981239 BRACKET
Repalced by: A 4420981839
203 A 4420981839 BRACKET
204 N 000931008266 SCREW
204 N 000931008266 SCREW
TEST CONNECTION TO BRACKET
205 N 913004008004 NUT
Repalced by: N 913004008001
205 N 913004008001 NUT
205 N 913004008001 NUT
TEST CONNECTION TO BRACKET
206 N 000933006102 SCREW
BRACKET TO CROSS MEMBER
206 N 000933006102 SCREW
BRACKET TO CAB
207 A 3609902340 WASHER
208 N 913004006002 NUT
Repalced by: N 913004006001
208 N 913004006001 NUT
208 N 913004006001 NUT
BRACKET TO CAB
209 N 000933006102 SCREW
ANGLE TO FRAME
210 N 913004006002 NUT
Repalced by: N 913004006001
210 N 913004006001 NUT
ANGLE TO FRAME
211 A 3604292940 BRACKET
BRAKE BOOSTER ASSEMBLY
212 N 000933008212 SCREW
Repalced by: N 304017008016
212 N 304017008016 SCREW
BRACKET TO CONSOLE
213 N 913004008004 NUT
Repalced by: N 913004008001
213 N 913004008001 NUT
BRACKET TO CONSOLE
215 A 0089975482 HOSE
8X11 MM
216 N 900288011002 CLAMP
LINE MOUNTING
217 N 915052008008 BANJO UNION
HOSE WIDTH, / I.D.,
217 N 915052008019 BANJO UNION
HOSE WIDTH, / I.D.,
220 N 007603014405 SEAL RING
BRAKE MASTER CYLINDER
"01,02"
221 N 915036010204 HOLLOW SCREW
Repalced by: N 915036010108
221 N 915036010108 HOLLOW SCREW
BRAKE MASTER CYLINDER
"01,02"
221 N 915036018204 HOLLOW SCREW
BRAKE MASTER CYLINDER
"01,02"
221 N 915036012203 HOLLOW SCREW
BRAKE MASTER CYLINDER
"01.02"
222 N 007603022102 SEAL RING
BRAKE MASTER CYLINDER
"01,02"
222 N 007603016401 SEAL RING
BRAKE MASTER CYLINDER
"01.02"
223 A 3099900054 NUT
224 A 0009904968 FITTING
BRAKE MASTER CYLINDER
"01,02"
N 000933010260 SCREW
N 912004010102 LOCK WASHER
A 3184290840 BRACKET
A 3184313140 BRACKET
Repalced by: A 3184314040
A 3184313140 BRACKET
Repalced by: A 3184314040
227 A 3184314040 BRACKET
A 3604292440 BRACKET
Repalced by: A 3604292940
228 A 3604292940 BRACKET
229 N 304014008004 SCREW
Repalced by: N 304014008001
229 N 304014008001 SCREW
BRAKE BOOSTER TO BRACKET
230 N 913004008004 NUT
Repalced by: N 913004008001
230 N 913004008001 NUT
BRAKE BOOSTER TO BRACKET
232 A 3604292940 BRACKET
233 N 000961012151 SCREW
BRACKET TO FRAME SIDE MEMBER
234 N 000125013008 WASHER
235 N 910113012002 NUT
BRACKET TO FRAME SIDE MEMBER
237 A 3184300310 BRACKET
238 A 3184300123 LEVER
239 A 0119813410 NEEDLE BEARING
240 A 0069979147 SEAL RING
241 A 3804310092 ROD
242 A 3529910007 PIN
243 N 000433010505 WASHER
Repalced by: N 000433010510
243 N 000433010510 WASHER
244 N 000094003201 COTTER PIN
245 A 3184310053 SPACER TUBE
246 A 3859930010 SPRING
247 N 000931010239 SCREW
248 N 913004010008 NUT
Repalced by: N 910113010000
248 N 910113010000 NUT
249 N 000933010129 SCREW
Repalced by: N 304017010002
249 N 304017010002 SCREW
250 N 000934010014 NUT
A 3184290740 BRACKET
252 N 000933010128 SCREW
CONSOLE AND BRACKET TO BRAKE BOOSTER
252 N 000966008006 SCREW
Repalced by: N 000966008031
252 N 000966008031 SCREW
CONSOLE AND BRACKET TO BRAKE BOOSTER
252 N 000933010105 SCREW
CONSOLE AND BRACKET TO BRAKE BOOSTER
253 N 913004010008 NUT
Repalced by: N 910113010000
253 N 910113010000 NUT
CONSOLE AND BRACKET TO BRAKE BOOSTER
253 N 913004008004 NUT
Repalced by: N 913004008001
253 N 913004008001 NUT
CONSOLE AND BRACKET TO BRAKE BOOSTER
254 N 000933010128 SCREW
AT BRAKE BOOSTER CONSOLE
255 N 913004010008 NUT
Repalced by: N 910113010000
255 N 910113010000 NUT
AT BRAKE BOOSTER CONSOLE
257 N 900331010634 PULL ROD
PULL ROD TO INTERMEDIATE LEVER
258 A 0009961501 YOKE
PULL ROD TO INTERMEDIATE LEVER
259 N 000934010014 NUT
PULL ROD TO INTERMEDIATE LEVER
260 A 0029873572 EDGE GUARD SECTION
AT SIDE MEMBER
261 A 3529910007 PIN
PULL ROD TO REVERSING AND DOUBLE LEVERS
262 N 000433010505 WASHER
Repalced by: N 000433010510
262 N 000433010510 WASHER
PULL ROD TO REVERSING AND DOUBLE LEVERS
263 N 000094003201 COTTER PIN
PULL ROD TO REVERSING AND DOUBLE LEVERS
265 A 3604293140 BRACKET
266 A 0019978490 LOOM TIE
267 N 000933006102 SCREW
268 N 913002006005 NUT
Repalced by: N 913002006009
268 N 913002006009 NUT
269 N 000125006421 WASHER
270 A 3604292940 BRACKET
271 N 007985006112 SCREW
272 N 913002006001 NUT
Repalced by: N 913002006009
272 N 913002006009 NUT
275 A 3404202629 LINE
276 A 3164290040 BRACKET
277 A 3184280240 BRACKET
277 A 3184280240 BRACKET
278 A 3604292940 BRACKET
279 N 000933008147 SCREW
Repalced by: N 304017008021
279 N 304017008021 SCREW
280 N 913004008004 NUT
Repalced by: N 913004008001
280 N 913004008001 NUT
282 A 3604300143 CLAMP
Repalced by: N 916016008200
282 N 916016008200 CLAMP
283 N 007985006015 SCREW
284 N 913002006001 NUT
Repalced by: N 913002006009
284 N 913002006009 NUT
290 A 0004317512 BRAKE PRESSURE REGULATOR
290 A 0014310512 BRAKE PRESSURE REGULATOR
291 A 0004311068 VALVE PART
TO 000 431 75 12,001 431 05 12
A 0004312339 LEVER
TOOTHED
A 0004312439 LEVER
A 0004312539 LEVER
TOOTHED
A 0004312639 LEVER
296 A 0014315793 SPRING
TO 000 431 75 12,001 431 05 12
297 N 007603018101 SEAL RING
TO 000 431 75 12,001 431 05 12
298 A 3075530107 VALVE
TO 000 431 75 12,001 431 05 12
A 0004200085 BRAKE CABLE
BRAKE POWER REGULATOR
300 A 3604300339 SUPPORT
301 N 000931010258 SCREW
BRAKE POWER REGULATOR TO SUPPORT
302 N 913004010008 NUT
Repalced by: N 910113010000
302 N 910113010000 NUT
BRAKE POWER REGULATOR TO SUPPORT
303 N 000961012097 SCREW
Repalced by: N 308676012026
303 N 308676012026 SCREW
SUPPORT TO FRAME
304 N 910113012002 NUT
SUPPORT TO FRAME
305 A 3604311740 BRACKET
OPERATING ROD
306 A 3554310384 SHIM
307 N 000933010147 SCREW
308 N 900331008420 PULL ROD
R.H. THREAD
308 N 900331008427 PULL ROD
L.H. AND R.H. THREAD
309 A 0004310667 YOKE
R.H. THREAD
309 A 0004310667 YOKE
R.H. THREAD
310 A 0004310867 YOKE
L.H. THREAD
311 N 304032008006 NUT
OPERATING ROD TO BRAKE PRESSURE REGULATOR AND TO BRACKET
311 N 304032008006 NUT
OPERATING ROD TO BRAKE PRESSURE REGULATOR AND TO BRACKET
312 N 000934008035 NUT
L.H. THREAD
313 N 000125008418 WASHER
Repalced by: N 000125008443
313 N 000125008443 WASHER
OPERATING ROD TO BRAKE PRESSURE REGULATOR AND TO BRACKET
315 A 0004290437 DISTRIBUTOR
FRONT AXLE BRAKE CIRCUIT
315 A 0004294337 DISTRIBUTOR
FRONT AXLE BRAKE CIRCUIT
316 N 000931008244 SCREW
DISTRIBUTOR TO FRAME
317 A 1801550053 SPACER TUBE
DISTRIBUTOR TO FRAME
318 N 913004008004 NUT
Repalced by: N 913004008001
318 N 913004008001 NUT
DISTRIBUTOR TO FRAME
320 A 3404200129 LINE
FROM MASTER CYLINDER TO TEST CONNECTION
200 MM
320 A 3404200629 LINE
FROM MASTER CYLINDER TO TEST CONNECTION
450 MM
321 A 3404200829 LINE
FROM DISTRIBUTOR TO LEFT FRONT WHEEL BRAKE HOSE
550 MM
322 A 3404202729 LINE
FROM TEST CONNECTION TO DISTRIBUTOR
1500 MM
322 A 3404204029 LINE
FROM MASTER CYLINDER TO TEST CONNECTION
2600 MM
322 A 3404204029 LINE
FROM TEST CONNECTION TO BRAKE POWER REGULATOR
2600 MM
322 A 3404203229 LINE
FROM BRAKE MASTER CYLINDER TO TEST CONNECTION
1750 MM
322 A 3404203229 LINE
FROM BRAKE CIRCUIT II TEST CONNECTION TO BRAKE POWER REGULATOR
1750 MM
322 A 3404203229 LINE
FROM TEST CONNECTION TO DISTRIBUTOR
1750 MM
322 A 3404203929 LINE
FROM BRAKE MASTER CYLINDER TO TEST CONNECTION
240 MM
322 A 3404202429 LINE
FROM BRAKE MASTER CYLINDER TO TEST CONNECTION
1350 MM
322 A 3404204229 LINE
FROM BRAKE MASTER CYLINDER TO TEST CONNECTION
3000 MM
322 A 3404201429 LINE
FROM MASTER CYLINDER TO TEST CONNECTION
850 MM
322 A 3404202629 LINE
FROM MASTER CYLINDER TO TEST CONNECTION
1450 MM
322 A 3404203829 LINE
FROM MASTER CYLINDER TO TEST CONNECTION
2200 MM
324 A 3404201029 LINE
FROM BRAKE POWER REGULATOR TO BRAKE HOSE
650 MM
325 A 3404202529 LINE
FROM TEST CONNECTION TO LEFT REAR WHEEL
1400 MM
326 A 3404200929 LINE
FROM TEST CONNECTION TO RIGHT REAR WHEEL
700 MM
328 A 3404204129 LINE
FROM DISTRIBUTOR TO RIGHT FRONT WHEEL BRAKE HOSE
2800 MM
329 A 3404200629 LINE
FROM MASTER CYLINDER TO TEST CONNECTION
450 MM
329 A 3404200629 LINE
FROM MASTER CYLINDER TO TEST CONNECTION
450 MM
329 A 3812902114 LINE
FROM MASTER CYLINDER TO CONNECTOR
1500 MM
329 A 3812902114 LINE
FROM CONNECTOR TO SLAVE CYLINDER
1500 MM
329 A 3812902114 LINE
FROM CONNECTOR TO MASTER CYLINDER
1500 MM
330 A 3812902414 LINE
FROM SLAVE CYLINDER TO CONNECTOR
3000 MM
331 A 3812902314 LINE
FROM SLAVE CYLINDER TO CONNECTOR
2500 MM
332 A 0004288235 BRAKE HOSE
FRONT
550 MM
333 A 0024280535 BRAKE HOSE
REAR
333 A 0014285535 BRAKE HOSE
REAR
334 A 0002950736 INTERMEDIATE PIECE
334 A 0002950736 INTERMEDIATE PIECE
335 A 3164290040 BRACKET
BRAKE LINE MOUNTING
335 A 3164290040 BRACKET
BRAKE LINE MOUNTING
336 N 000933006102 SCREW
BRACKET TO FRONT CROSS MEMBER
336 N 000933006102 SCREW
BRACKET TO FRONT CROSS MEMBER
337 N 000125006421 WASHER
BRACKET TO FRONT CROSS MEMBER
337 N 000125006421 WASHER
BRACKET TO FRONT CROSS MEMBER
338 N 913004006002 NUT
Repalced by: N 913004006001
338 N 913004006001 NUT
BRACKET TO FRONT CROSS MEMBER
338 N 913004006001 NUT
BRACKET TO FRONT CROSS MEMBER
A 0004280473 BRACKET
Repalced by: A 6525040038
340 A 6525040038 MOUNTING PLATE
AT FRAME, FRONT
341 A 3609950201 CLAMP
Repalced by: A 3604300143
341 A 3604300143 CLAMP
Repalced by: N 916016008200
341 N 916016008200 CLAMP
BRAKE LINE TO BRACKET
341 N 916016008200 CLAMP
BRAKE LINE TO BRACKET
342 N 000933006102 SCREW
BRAKE LINE TO BRACKET
342 N 000931006118 SCREW
BRAKE LINE TO BRACKET
343 N 913004006002 NUT
Repalced by: N 913004006001
343 N 913004006001 NUT
BRAKE LINE TO BRACKET
343 N 913004006001 NUT
BRAKE LINE TO BRACKET
344 A 3892680525 TUBE
BRAKE LINE TO BRACKET
346 A 3144280043 ANGLE
REAR
347 A 3149970481 GROMMET
FRONT ANGLE TO FRAME
348 N 000933010105 SCREW
FRONT ANGLE TO FRAME
348 N 000933010105 SCREW
FRONT ANGLE TO FRAME
348 N 000933010129 SCREW
Repalced by: N 304017010002
348 N 304017010002 SCREW
FRONT ANGLE TO FRAME
348 N 000933010105 SCREW
REAR ANGLE TO SIDE MEMBER
349 N 913004010008 NUT
Repalced by: N 910113010000
349 N 910113010000 NUT
REAR ANGLE TO SIDE MEMBER
352 A 3144280240 BRACKET
354 A 3604292940 BRACKET
A 3044760335 BRACKET
Repalced by: A 6205244040
355 A 6205244040 BRACKET
356 N 000933008147 SCREW
Repalced by: N 304017008021
356 N 304017008021 SCREW
357 N 913004008004 NUT
Repalced by: N 913004008001
357 N 913004008001 NUT
358 A 3604300143 CLAMP
Repalced by: N 916016008200
358 N 916016008200 CLAMP
BRAKE LINE MOUNTING
359 A 3892680525 TUBE
BRAKE LINE MOUNTING
360 A 3609950201 CLAMP
Repalced by: A 3604300143
360 A 3604300143 CLAMP
Repalced by: N 916016008200
360 N 916016008200 CLAMP
BRAKE LINE MOUNTING
361 N 000125006421 WASHER
BRAKE LINE MOUNTING
362 N 000931006118 SCREW
BRAKE LINE MOUNTING
362 N 000931006115 SCREW
Repalced by: N 000933006151
362 N 000933006151 SCREW
BRAKE LINE MOUNTING
363 N 913004006002 NUT
Repalced by: N 913004006001
363 N 913004006001 NUT
BRAKE LINE MOUNTING
364 N 000000001147 SCREW
M 6X20
364 N 007985006154 SCREW
Repalced by: A 0029903712
364 A 0029903712 SCREW
Repalced by: N 000000001149
364 N 000000001149 SCREW
365 N 913004006002 NUT
Repalced by: N 913004006001
365 N 913004006001 NUT
366 A 3529910340 SPACER TUBE
Repalced by: A 4082910153
366 A 4082910153 SPACER TUBE
370 A 3404200429 LINE
371 A 0004292736 CONNECTOR
372 A 3609950601 CLAMP
373 N 007985006193 SCREW
Repalced by: N 000000001146
373 N 000000001146 SCREW
374 N 913002006001 NUT
Repalced by: N 913002006009
374 N 913002006009 NUT
375 N 000125006421 WASHER
378 A 3404204129 LINE
378 A 3404204329 LINE
378 A 3404204729 LINE
378 A 3404203929 LINE
380 A 3404204229 LINE
FROM CONNECTOR TO BRAKE POWER REGULATOR
380 A 3404203929 LINE
FROM CONNECTOR TO BRAKE POWER REGULATOR
382 A 3404200729 LINE
FROM BRAKE POWER REGULATOR TO TEST CONNECTION
382 A 3404200629 LINE
FROM BRAKE POWER REGULATOR TO TEST CONNECTION
384 A 3404200329 LINE
FROM TEST CONNECTION TO BRAKE HOSE BRACKET
390 A 0004314312 BRAKE PRESSURE REGULATOR
390 A 0004314412 BRAKE PRESSURE REGULATOR
A 0004310968 VALVE PART
Repalced by: A 0004311068
391 A 0004311068 VALVE PART
TO 000 431 43 12,000 431 44 12
396 A 0014315793 SPRING
TO 000 431 43 12,000 431 44 12
397 N 007603018101 SEAL RING
TO 000 431 43 12,000 431 44 12
398 A 3075530107 VALVE
TO 000 431 43 12,000 431 44 12
A 3604311540 BRACKET
Repalced by: A 3604300339
400 A 3604300339 SUPPORT
401 N 000931010258 SCREW
REGULATOR TO SUPPORT
402 N 913002010001 NUT
REGULATOR TO SUPPORT
403 N 000933010129 SCREW
Repalced by: N 304017010002
403 N 304017010002 SCREW
SUPPORT TO FRAME
404 N 913002010001 NUT
SUPPORT TO FRAME
405 A 3604311740 BRACKET
FOR ROD
405 A 3604311740 BRACKET
FOR ROD
406 A 3554310384 SHIM
406 A 3554310384 SHIM
407 N 000933010157 SCREW
A 3184230125 WEB
409 N 000933008147 SCREW
Repalced by: N 304017008021
409 N 304017008021 SCREW
WEB TO BRACKET
410 N 000125008418 WASHER
Repalced by: N 000125008443
410 N 000125008443 WASHER
WEB TO BRACKET
411 N 913004008004 NUT
Repalced by: N 913004008001
411 N 913004008001 NUT
WEB TO BRACKET
A 3534300992 ROD
Repalced by: N 900331008427
412 N 900331008420 PULL ROD
R.H. THREAD
412 N 900331008427 PULL ROD
L.H. AND R.H. THREAD
A 3534300492 ROD
Repalced by: N 900331008426
412 N 900331008419 PULL ROD
R.H. THREAD
412 N 900331008426 PULL ROD
L.H. AND R.H. THREAD
414 A 0004310667 YOKE
R.H. THREAD
414 A 0004310667 YOKE
R.H. THREAD
415 A 0004310867 YOKE
L.H. THREAD
416 N 304032008006 NUT
R.H. THREAD
416 N 304032008006 NUT
R.H. THREAD
416 N 000934008035 NUT
L.H. THREAD
417 N 913004008004 NUT
Repalced by: N 913004008001
417 N 913004008001 NUT
418 N 000125008418 WASHER
Repalced by: N 000125008443
418 N 000125008443 WASHER
A 3184200186 BRACKET
421 N 000933010129 SCREW
Repalced by: N 304017010002
421 N 304017010002 SCREW
BRACKET TO FRAME
422 N 913002010001 NUT
BRACKET TO FRAME
423 A 3184200381 LEVER
424 N 071412010100 GREASE NIPPLE
A 3184270274 PIN
426 N 000471018000 LOCK RING
428 A 0004311231 TEST CONNECTION
428 A 0004316631 TEST CONNECTION
429 A 3184280240 BRACKET
BRAKE LINE TO SIDE MEMBER
430 N 000933006147 SCREW
431 N 000125006421 WASHER
432 N 913002006005 NUT
Repalced by: N 913002006009
432 N 913002006009 NUT
433 N 000933010128 SCREW
434 N 912004010102 LOCK WASHER
435 N 000934010014 NUT
436 A 3604300143 CLAMP
Repalced by: N 916016008200
436 N 916016008200 CLAMP
437 N 007985006193 SCREW
Repalced by: N 000000001146
437 N 000000001146 SCREW
438 N 913002006001 NUT
Repalced by: N 913002006009
438 N 913002006009 NUT
440 A 3124761236 BRACKET
Repalced by: A 3604293140
440 A 3604293140 BRACKET
440 A 3604293140 BRACKET
441 N 000933006102 SCREW
AT BRACKET
441 N 000933006102 SCREW
AT BRACKET
442 N 913004006002 NUT
Repalced by: N 913004006001
442 N 913004006001 NUT
BRACKET TO CROSS MEMBER
442 N 913004006001 NUT
BRACKET TO CROSS MEMBER
443 N 000125006421 WASHER
BRACKET TO CROSS MEMBER
445 A 3184280240 BRACKET
BRAKE LINE TO SIDE MEMBER
446 N 000933008147 SCREW
Repalced by: N 304017008021
446 N 304017008021 SCREW
AT SIDE MEMBER
447 N 913004008004 NUT
Repalced by: N 913004008001
447 N 913004008001 NUT
AT SIDE MEMBER
450 A 3812950440 BRACKET
LINE MOUNTING
451 A 3184280240 BRACKET
LINE MOUNTING
452 N 000933008147 SCREW
Repalced by: N 304017008021
452 N 304017008021 SCREW
BRACKET TO SIDE MEMBER
453 N 913004008004 NUT
Repalced by: N 913004008001
453 N 913004008001 NUT
BRACKET TO SIDE MEMBER
455 A 3604300143 CLAMP
Repalced by: N 916016008200
455 N 916016008200 CLAMP
LINE MOUNTING
456 N 007985006193 SCREW
Repalced by: N 000000001146
456 N 000000001146 SCREW
LINE MOUNTING
457 N 913004006002 NUT
Repalced by: N 913004006001
457 N 913004006001 NUT
LINE MOUNTING
458 A 3892680525 TUBE
LINE MOUNTING
459 A 3609950201 CLAMP
Repalced by: A 3604300143
459 A 3604300143 CLAMP
Repalced by: N 916016008200
459 N 916016008200 CLAMP
LINE MOUNTING
460 N 000931006118 SCREW
LINE MOUNTING
460 N 000933008153 SCREW
Repalced by: N 304017008034
460 N 304017008034 SCREW
LINE MOUNTING
461 N 000933006102 SCREW
LINE MOUNTING
462 N 000125006421 WASHER
LINE MOUNTING
463 N 913004006002 NUT
Repalced by: N 913004006001
463 N 913004006001 NUT
LINE MOUNTING
464 N 913004008004 NUT
Repalced by: N 913004008001
464 N 913004008001 NUT
LINE MOUNTING
466 A 0004290437 DISTRIBUTOR
AT REAR AXLE
466 A 0004294337 DISTRIBUTOR
AT REAR AXLE
467 N 000931008244 SCREW
DISTRIBUTOR TO SIDE MEMBER
467 N 000933008153 SCREW
Repalced by: N 304017008034
467 N 304017008034 SCREW
DISTRIBUTOR TO BRACKET
468 A 1801550053 SPACER TUBE
DISTRIBUTOR TO SIDE MEMBER
469 N 913004008004 NUT
Repalced by: N 913004008001
469 N 913004008001 NUT
DISTRIBUTOR TO SIDE MEMBER
469 N 913004008004 NUT
Repalced by: N 913004008001
469 N 913004008001 NUT
DISTRIBUTOR TO BRACKET
470 A 0004312231 TEST CONNECTION
AT REAR AXLE
470 A 0004316531 TEST CONNECTION
AT REAR AXLE
472 A 3184280340 BRACKET
LEFT
472 A 3184280440 BRACKET
RIGHT
473 N 912004008102 LOCK WASHER
BRACKET TO REAR AXLE
474 N 000933008212 SCREW
Repalced by: N 304017008016
474 N 304017008016 SCREW
BRACKET TO REAR AXLE
475 A 3129951020 CLAMP
BRACKET TO REAR AXLE
475 A 3129951020 CLAMP
BRAKE LINE TO REAR AXLE
476 A 3129973482 HOSE
BRACKET TO REAR AXLE
476 A 3129973482 HOSE
BRAKE LINE TO REAR AXLE
478 A 3404202529 LINE
480 A 3404201129 LINE
A 3184290640 BRACKET
482 A 3184291340 BRACKET
AT SIDE MEMBER
482 A 3184291340 BRACKET
AT SIDE MEMBER
483 N 000933008147 SCREW
Repalced by: N 304017008021
483 N 304017008021 SCREW
BRACKET TO FRAME SIDE MEMBER
483 N 000933010164 SCREW
BRACKET TO FRAME SIDE MEMBER
484 N 913004008004 NUT
Repalced by: N 913004008001
484 N 913004008001 NUT
BRACKET TO FRAME SIDE MEMBER
484 N 913004010008 NUT
Repalced by: N 910113010000
484 N 910113010000 NUT
BRACKET TO FRAME SIDE MEMBER
485 A 3609950201 CLAMP
Repalced by: A 3604300143
485 A 3604300143 CLAMP
Repalced by: N 916016008200
485 N 916016008200 CLAMP
BRAKE LINE TO BRACKET
486 N 000933006102 SCREW
BRAKE LINE TO BRACKET
487 N 913004006002 NUT
Repalced by: N 913004006001
487 N 913004006001 NUT
BRAKE LINE TO BRACKET
488 A 3185841021 GUIDE SIGN
LOAD-DEPENDING BRAKE
488 A 3185840821 GUIDE SIGN
LOAD-DEPENDING BRAKE
488 A 3185840721 GUIDE SIGN
LOAD-DEPENDING BRAKE
A 3875840055 ADHESIVE FOIL
LOAD-DEPENDING BRAKE
490 N 007603022102 SEAL RING
AT AIR COMPRESSOR
491 N 074313018201 FITTING
AT AIR COMPRESSOR
491 N 074298022203 DOUBLE FITTING
AT AIR COMPRESSOR
492 A 0005516456 TUBE
FROM AIR COMPRESSOR TO PRESSURE REGULATOR
18 MM
492 A 0005516256 TUBE
FROM AIR COMPRESSOR TO PRESSURE REGULATOR
493 N 915018018000 UNION NUT
FROM AIR COMPRESSOR TO PRESSURE REGULATOR
494 N 003861018003 GLAND
Repalced by: A 0019901167
494 A 0019901167 SEAL CONE
FROM AIR COMPRESSOR TO PRESSURE REGULATOR
495 N 915065018101 THRUST RING
FROM AIR COMPRESSOR TO PRESSURE REGULATOR
496 N 915045014100 SEAL RING
500 A 0005516256 TUBE
AIR RESERVOIR,RELAY VALVE,TWO-WAY VALVE,HAND BRAKE VALVE
15 MM
501 N 915018015000 UNION NUT
502 N 003861015004 GLAND
503 N 915065015101 THRUST RING
504 N 915045012100 SEAL RING
Repalced by: N 007603012121
504 N 007603012121 SEAL RING
508 A 0005516156 TUBE
FROM PRESSURE REGULATOR TO PROTECTIVE VALVE
12 MM
510 A 0109975982 HOSE
Repalced by: A 0009872827
510 A 0009872827 PLASTIC PIPE
4-CIRCUIT PROTECT.VALVE,AIR RESERVOIR, 2-CIRCUIT BRAKE VALVE,BRAKE CYLINDER
12 MM
A 0049971772 FITTING
Repalced by: A 0029906171
511 A 0029906171 FITTING
(PARTS KIT),LINE RUPTURE
TO 010 997 59 82
512 N 915062009000 SLEEVE
513 N 915052009009 BANJO UNION
513 A 0019901088 BANJO UNION
514 N 915017012100 UNION NUT
515 N 003861012007 GLAND
Repalced by: A 0019901967
515 A 0019901967 SEAL CONE
516 A 0029873572 EDGE GUARD SECTION
130 MM
517 A 0089975482 HOSE
11 MM
518 N 915052008016 BANJO UNION
HOSE WIDTH, / I.D.,
8/14 MM
520 A 0003270088 COUPLING PIECE
AT CAB FLOOR
521 A 0003270188 COUPLING PIECE
522 N 007983006301 SHEET METAL SCREW
523 A 0009903978 CONNECTOR
HOSE WIDTH, / I.D.,
4 MM
523 A 0009904078 CONNECTOR
HOSE WIDTH, / I.D.,
6 MM
524 A 0009904278 CONNECTOR
HOSE WIDTH, / I.D.,
4 MM
524 A 0009904378 CONNECTOR
HOSE WIDTH, / I.D.,
6 MM
525 A 0019875046 SEALING CORD
10,8X1,8 MM
525 A 0149977648 SEAL RING
6X2 MM
526 A 3169970381 GROMMET
527 N 915044009000 PLUG
528 A 3144290080 GASKET
530 A 0089979082 HOSE
8X6 MM
531 N 915017008100 UNION NUT
532 N 003861008005 GLAND
533 N 915062006000 SLEEVE
534 N 915052006014 BANJO UNION
HOSE WIDTH, / I.D.,
6/16 MM
534 N 915052006021 BANJO UNION
HOSE WIDTH, / I.D.,
6/14 MM
536 A 0089976082 HOSE
Repalced by: A 0009872627
536 A 0009872627 PLASTIC PIPE
6X4 MM
537 N 915017006100 UNION NUT
538 N 003861006005 GLAND
539 N 915062004000 SLEEVE
540 A 3149900188 BANJO UNION
541 A 0019978390 LOOM TIE
280 MM
541 A 0019978490 LOOM TIE
376 MM
542 A 3184291540 BRACKET
AT SIDE MEMBER
543 N 000961012052 SCREW
Repalced by: N 308676012012
543 N 308676012012 SCREW
BRACKET TO SIDE MEMBER
544 N 910113012002 NUT
BRACKET TO SIDE MEMBER
545 A 3609952001 CLAMP
Repalced by: A 6739950001
545 A 6739950001 CLAMP
COMPRESSED AIR LINE TO BRACKET
546 N 000933006121 SCREW
Repalced by: N 304017006020
546 N 304017006020 SCREW
COMPRESSED AIR LINE TO BRACKET
547 N 000125006421 WASHER
COMPRESSED AIR LINE TO BRACKET
548 N 913004006002 NUT
Repalced by: N 913004006001
548 N 913004006001 NUT
COMPRESSED AIR LINE TO BRACKET
550 A 0004318887 PROTECTIVE CAP
COMPRESSED AIR LINE TO BRACKET
A 0004319106 PRESSURE REGULATOR
Repalced by: A 0014314106
A 0014314106 PRESSURE REGULATOR
Repalced by: A 0024313506
A 0024313506 PRESSURE REGULATOR
Repalced by: A 0024315906
A 0014312206 PRESSURE REGULATOR
Repalced by: A 0024316006
A 0014314206 PRESSURE REGULATOR
Repalced by: A 0024315906
552 A 0024315906 PRESSURE REGULATOR
WITH TIRE INFLATING CONNECTION
BOSCH
A 0014314306 PRESSURE REGULATOR
Repalced by: A 0024316006
552 A 0024316006 PRESSURE REGULATOR
WITH TIRE INFLATING CONNECTION
WABCO
A 0014310606 PRESSURE REGULATOR
Repalced by: A 0024313406
A 0024313406 PRESSURE REGULATOR
Repalced by: A 0024314306
A 0014311206 PRESSURE REGULATOR
Repalced by: A 0024314906
A 0014313406 PRESSURE REGULATOR
Repalced by: A 0024314306
552 A 0024314306 PRESSURE REGULATOR
WITH TIRE INFLATING CONNECTION
BOSCH
A 0014310006 PRESSURE REGULATOR
Repalced by: A 0024314906
552 A 0024314906 PRESSURE REGULATOR
WITH TIRE INFLATING CONNECTION
WABCO
552 A 0024318306 PRESSURE REGULATOR
WITH TIRE INFLATING CONNECTION
KNORR
553 A 0004318360 SEAL RING
TO 000 431 91 06,BOSCH 0 481 039 011
A 0007630253 SLEEVE
Repalced by: A 0007630553
554 A 0007630553 SLEEVE
TO 000 431 91 06,BOSCH 0 481 039 011
555 A 0004311434 STRAINER
TO 000 431 91 06,BOSCH 0 481 039 011
556 A 0004310681 VALVE DISC
TO 000 431 91 06,BOSCH 0 481 039 011
557 A 0004311381 VALVE DISC
TO 000 431 91 06,BOSCH 0 481 039 011
558 A 0004311081 VALVE DISC
TO 000 431 91 06,BOSCH 0 481 039 011
A 0004314787 PROTECTIVE CAP
Repalced by: A 0009979486
559 A 0009979486 PLUG
TO 000 431 91 06,BOSCH 0 481 039 011
560 A 0004315687 PROTECTIVE CAP
TO 000 431 91 06,BOSCH 0 481 039 011
561 A 0025864243 REPAIR KIT
TO 000 431 91 06,BOSCH 0 481 039 011
562 A 0025865043 REPAIR KIT
TO 000 431 91 06,BOSCH 0 481 039 011
A 0015868543 REPAIR KIT
Repalced by: A 0004301407
563 A 0004301407 REPAIR KIT
TO 001 431 06 06,BOSCH 0 481 039 101
T YYYYYYYYYYYY PART NAME MISSING
TO 001 431 41 06,BOSCH 0 481 039 102
563 A 0025866743 REPAIR KIT
TO 001 431 46 06,KNORR
563 A 0004301768 REPAIR KIT
DIAPHRAGM
TO 002 431 34 06,BOSCH 0 481 039 221
563 A 0004301768 REPAIR KIT
DIAPHRAGM
TO 002 431 59 06,BOSCH 0 481 039 202
563 A 0004301768 REPAIR KIT
DIAPHRAGM
TO 002 431 35 06,BOSCH 0 481 039 222
563 A 0004301768 REPAIR KIT
DIAPHRAGM
TO 002 431 43 06,BOSCH 0 481 039 201
563 A 0004307960 REPAIR KIT
TIRE INFLATING CONNECTION
TO 002 431 34 06,BOSCH 0 481 039 221
563 A 0004307960 REPAIR KIT
TIRE INFLATING CONNECTION
TO 002 431 59 06,BOSCH 0 481 039 202
563 A 0004307960 REPAIR KIT
TIRE INFLATING CONNECTION
TO 002 431 35 06,BOSCH 0 481 039 222
563 A 0004307960 REPAIR KIT
TIRE INFLATING CONNECTION
TO 002 431 43 06,BOSCH 0 481 039 201
563 A 0025866043 REPAIR KIT
TO 001 431 34 06,001 431 42 06,GRAU
563 A 0024304681 REPAIR KIT
VALVE KIT
TO 001 431 00 06,WABCO 975 300 110 0
T YYYYYYYYYYYY PART NAME MISSING
TO 001 431 22 06,WABCO 975 300 111 0
A 0015864343 REPAIR KIT
Repalced by: A 0004301107
563 A 0004301107 REPAIR KIT
TO 001 431 00 06,WABCO 975 330 110 0
T YYYYYYYYYYYY PART NAME MISSING
TO 001 431 22 06,WABCO 975 300 111 0
A 0004300407 REPAIR KIT
TO 002 431 83 06; KNORR 90309
563 A 0014304960 REPAIR KIT
TO 002 431 49 06,WABCO 975 303 460 0
563 A 0014304960 REPAIR KIT
TO 002 431 60 06,WABCO 975 303 440 0
564 A 0004310173 BREATHER PIPE
PRESSURE REGULATOR,CONNECTION "3"
565 N 916002025000 CLAMP
PRESSURE REGULATOR,CONNECTION "3"
565 N 916002020000 CLAMP
PRESSURE REGULATOR,CONNECTION "3"
566 A 0004300170 MUFFLER
PRESSURE REGULATOR,CONNECTION "3"
567 A 0005461830 INSULATING HOSE
PRESSURE REGULATOR,CONNECTION "3"
A 0004310151 SPACER RING
PRESSURE REGULATOR,CONNECTION "3"
568 N 074301022203 ELBOW FITTING
AT PRESSURE REGULATOR
569 N 074305022202 NUT
AT PRESSURE REGULATOR
570 A 0004290227 THRUST RING
AT PRESSURE REGULATOR
571 A 0009870446 SEALING CORD
AT PRESSURE REGULATOR
572 N 074305026202 NUT
AT PRESSURE REGULATOR
573 N 074299026300 DOUBLE FITTING
PRESSURE REGULATOR,CONNECTION "1"
N 074313016401 FITTING
Repalced by: A 0019972372
573 A 0019972372 FITTING
PRESSURE REGULATOR,CONNECTION "1"
574 N 007603022102 SEAL RING
PRESSURE REGULATOR,CONNECTION "1"
574 A 0004290227 THRUST RING
PRESSURE REGULATOR,CONNECTION "1"
575 A 0009870446 SEALING CORD
PRESSURE REGULATOR,CONNECTION "1"
N 074313012100 FITTING
Repalced by: A 0029971172
576 A 0029971172 FITTING
PRESSURE REGULATOR,CONNECTION "2"
N 007603022102 SEAL RING
PRESSURE REGULATOR,CONNECTION "2"
578 N 074305022202 NUT
PRESSURE REGULATOR,CONNECTION "2"
A 0014313806 VALVE
Repalced by: A 0024310406
580 A 0024310406 VALVE
FOUR-CIRCUIT PROTECTIVE VALVE
BOSCH
A 0014313506 VALVE
Repalced by: A 0014318406
580 A 0014318406 VALVE
FOUR-CIRCUIT PROTECTIVE VALVE
KNORR
580 A 0014314706 VALVE
FOUR-CIRCUIT PROTECTIVE VALVE
WABCO
A 0014316806 VALVE
Repalced by: A 0024312906
A 0024312906 VALVE
Repalced by: A 0024319306
580 A 0024319306 VALVE
FOUR-CIRCUIT PROTECTIVE VALVE
GRAU
581 A 0014310986 CUP
TO 002 431 04 06,BOSCH
582 A 0009935205 SPRING
TO 002 431 04 06,BOSCH
583 A 0014311860 SEAL RING
34X2.3 MM,TO 001 431 68 06,GRAU
584 A 0024298844 VALVE
TO 001 431 68 06 GRAU 37001
585 A 0099972448 SEAL RING
TO 001 431 68 06 GRAU 37001 19,3X2.4MM
586 A 0059973248 SEAL RING
25.3X2.5 MM,TO 001 431 68 06,GRAU
587 A 0009971548 SEAL RING
15X2 MM,TO 001 431 68 06,GRAU 19001
588 A 0004313188 VALVE SEAT
TO 001 431 68 06 GRAU 37001
589 A 0004303160 REPAIR KIT
TO 000 431 84 06,KNORR
589 A 0015868443 REPAIR KIT
SEAL RING
TO 001 431 38 06,BOSCH
589 A 0025861743 REPAIR KIT
BOOT
TO 001 431 38 06,BOSCH
589 A 0015863842 REPAIR KIT
TO 001 431 35 06,KNORR
589 A 0025862843 REPAIR KIT
TO 001 431 47 06,WABCO 2100
589 A 0004300468 REPAIR KIT
TO 001 431 47 06,WABCO 2210
590 A 0004302906 GASKET KIT
BOOT
TO 002 431 04 06,BOSCH
592 A 0004317206 VALVE
TWO-CIRCUIT PROTECTIVE VALVE
593 A 0004311981 VALVE DISC
TOP
024
594 A 0004312081 VALVE DISC
BOTTOM
024
595 A 0007630454 SEAL
024
596 A 0004315086 CUP
024
597 A 0014312086 CUP
Repalced by: A 0014312386
597 A 0014312386 CUP
104
598 A 0014312186 CUP
104
599 A 0004350780 GASKET
104
600 A 0004317987 PROTECTIVE CAP
104
601 A 0004315333 FILLER CAP
104
602 A 0009934905 SPRING
104
A 0049977945 SEAL RING
Repalced by: A 0179974148
603 A 0179974148 SEAL RING
104
604 N 007603022102 SEAL RING
FOUR-CIRCUIT PROTECTION VALVE, CONNECTION "1"
605 N 074298022203 DOUBLE FITTING
FOUR-CIRCUIT PROTECTION VALVE, CONNECTION "1"
607 N 074305022202 NUT
FOUR-CIRCUIT PROTECTION VALVE, CONNECTION "1"
608 A 0004290227 THRUST RING
FOUR-CIRCUIT PROTECTION VALVE, CONNECTION "1"
609 A 0009870446 SEALING CORD
FOUR-CIRCUIT PROTECTION VALVE, CONNECTION "1"
N 074315012101 FITTING
Repalced by: A 0009907771
610 A 0009907771 ELBOW FITTING
FOUR-CIRCUIT PROTECTION VALVE, CONNECTION "1"
611 A 0009905168 FITTING
CONNECTION "1"
612 N 915036012203 HOLLOW SCREW
CONNECTION "1"
613 N 007603016401 SEAL RING
CONNECTION "1"
614 A 0029971572 FITTING
FOUR-CIRCUIT PROTECTIVE VALVE, CONNECTIONS:
11,12
N 007603016401 SEAL RING
Repalced by: A 0004290927
615 A 0009904770 T-FITTING
FOUR-CIRCUIT PROTECTIVE VALVE, CONNECTION "23"
616 A 0029979072 FITTING
FOUR-CIRCUIT PROTECTIVE VALVE, CONNECTION "23"
617 N 000908016001 SCREW PLUG
FOUR-CIRCUIT PROTECTIVE VALVE, CONNECTION "24"
618 A 0019903471 ELBOW FITTING
FOUR-CIRCUIT PROTECTIVE VALVE, CONNECTIONS "21,22"
619 N 080705016003 NUT
FOUR-CIRCUIT PROTECTIVE VALVE, CONNECTIONS:
21,22 UND 23
620 A 0004290927 THRUST RING
FOUR-CIRCUIT PROTECTIVE VALVE, CONNECTIONS:
11,12,21,22,23,24
621 A 0009971548 SEAL RING
FOUR-CIRCUIT PROTECTIVE VALVE, CONNECTIONS:
11,12,21,22,23,24
622 A 0029971172 FITTING
AIR RESERVOIR,CONNECTIONS "11,22"
N 007603022102 SEAL RING
624 A 0004290227 THRUST RING
FOUR-CIRCUIT PROTECTIVE VALVE, CONNECTIONS:
11,12,21,22
625 A 0009870446 SEALING CORD
FOUR-CIRCUIT PROTECTIVE VALVE, CONNECTIONS:
11,12,21,22
630 A 3164300305 RESERVOIR
35 & 25 L.
630 A 3164300305 RESERVOIR
35 & 25 L.
632 A 3214300205 RESERVOIR
Repalced by: A 0034322501
632 A 0034322501 RESERVOIR
40 L
632 A 0034322501 RESERVOIR
40 L
632 A 0004326501 RESERVOIR
Repalced by: A 0034321501
632 A 0034321501 RESERVOIR
633 A 0009905168 FITTING
AIR RESERVOIR,CONNECTIONS "12,21"
634 N 915047012203 HOLLOW SCREW
AIR RESERVOIR,CONNECTIONS "12,21"
635 N 007603016401 SEAL RING
AIR RESERVOIR,CONNECTIONS "12,21"
637 A 0004312031 TEST CONNECTION
AIR RESERVOIR,CONNECTIONS:
"12,21", VOSS
637 A 0004314531 TEST CONNECTION
AIR RESERVOIR,CONNECTIONS:
"12,21", SCHAEFER
637 A 0004314831 TEST CONNECTION
AIR RESERVOIR,CONNECTIONS:
"12,21", WESTINGHOUSE
637 A 0004316131 TEST CONNECTION
AIR RESERVOIR,CONNECTIONS:
"12,21", WIRA
638 A 0009979486 PLUG
639 N 074302022202 T-FITTING
N 007603022102 SEAL RING
640 A 0004290227 THRUST RING
AIR RESERVOIR,CONNECTIONS "31,32"
641 A 0009870446 SEALING CORD
AIR RESERVOIR,CONNECTIONS "31,32"
643 A 0004321107 VALVE
DRAIN
643 A 0004322107 VALVE
DRAIN
643 A 0004322407 VALVE
DRAIN
644 A 0005830296 RING
645 N 000908022001 SCREW PLUG
Repalced by: N 000908022011
645 N 000908022011 SCREW PLUG
646 N 007603022102 SEAL RING
647 N 074298022203 DOUBLE FITTING
A 3464295940 BRACKET
Repalced by: A 3464296040
648 A 3464296040 BRACKET
649 N 000933010105 SCREW
BRACKET TO SIDE MEMBER
650 N 913002010001 NUT
BRACKET TO SIDE MEMBER
651 A 3609952001 CLAMP
Repalced by: A 6739950001
651 A 6739950001 CLAMP
LINE MOUNTING
652 N 000000001147 SCREW
COMPRESSED AIR LINE TO BRACKET
M 6X20
653 N 000125006421 WASHER
COMPRESSED AIR LINE TO BRACKET
654 N 913002006001 NUT
Repalced by: N 913002006009
654 N 913002006009 NUT
COMPRESSED AIR LINE TO BRACKET
656 A 3604292940 BRACKET
AT SIDE MEMBER
656 A 3604292940 BRACKET
AT SIDE MEMBER
657 A 3604293140 BRACKET
AT SIDE MEMBER
658 N 000933008147 SCREW
Repalced by: N 304017008021
658 N 304017008021 SCREW
BRACKET TO FRAME SIDE MEMBER
659 N 000933010128 SCREW
BRACKET TO FRAME SIDE MEMBER
660 N 913004008004 NUT
Repalced by: N 913004008001
660 N 913004008001 NUT
BRACKET TO FRAME SIDE MEMBER
661 A 3609902340 WASHER
COMPRESSED AIR LINE TO CROSS MEMBER
661 A 3609902340 WASHER
COMPRESSED AIR LINE TO CROSS MEMBER
662 N 000125008418 WASHER
Repalced by: N 000125008443
662 N 000125008443 WASHER
COMPRESSED AIR LINE TO CROSS MEMBER
A 3224300111 CONSOLE
Repalced by: A 3224320215
664 A 3224320215 CONSOLE
664 A 3224320215 CONSOLE
664 A 3224320215 CONSOLE
A 3184300511 CONSOLE
Repalced by: A 3604301311
666 A 3604301311 CONSOLE
666 A 3604301311 CONSOLE
666 A 3604301311 CONSOLE
667 A 3354320218 BASE
AT BRAKE BOOSTER CONSOLE
667 A 3354320218 BASE
AT BRAKE BOOSTER CONSOLE
668 N 000961012023 SCREW
CONSOLE TO SIDE MEMBER
669 A 3434320026 PLATE
A 3214750084 SHIM
Repalced by: N 006796012100
670 N 006796012100 CONICAL SPRING WASHER
CONSOLE TO SIDE MEMBER
671 N 913002012002 NUT
CONSOLE TO SIDE MEMBER
672 N 912004012100 LOCK WASHER
CONSOLE TO SIDE MEMBER
673 A 3224300240 STRAP
AIR RESERVOIR
673 A 3224300240 STRAP
AIR RESERVOIR
673 A 0004300040 STRAP
AIR RESERVOIR
674 A 3184300240 STRAP
AIR RESERVOIR
674 A 3184300240 STRAP
AIR RESERVOIR
675 N 000934010014 NUT
AT AIR RESERVOIR CONSOLE
676 N 000933008212 SCREW
Repalced by: N 304017008016
676 N 304017008016 SCREW
AT AIR RESERVOIR CONSOLE
677 N 913004008004 NUT
Repalced by: N 913004008001
677 N 913004008001 NUT
AT AIR RESERVOIR CONSOLE
678 A 3149900188 BANJO UNION
AIR RESERVOIR
680 A 0009870446 SEALING CORD
FOR LINE TO BRAKE BOOSTER
681 A 0004290227 THRUST RING
FOR LINE TO BRAKE BOOSTER
682 N 074305022202 NUT
FOR LINE TO BRAKE BOOSTER
683 N 074301022203 ELBOW FITTING
FOR LINE TO BRAKE BOOSTER
684 N 074302022202 T-FITTING
FOR LINE TO BRAKE BOOSTER
686 A 0004311675 THREADED UNION
687 N 080705016003 NUT
688 A 0009971548 SEAL RING
689 A 0004310051 SPACER RING
A 0004318314 BRAKE CYLINDER
Repalced by: A 0014318514
691 A 0014318514 BRAKE CYLINDER
BOSCH-SCHAEFER
A 0004318414 BRAKE CYLINDER
Repalced by: A 0014318514
A 0014310914 BRAKE CYLINDER
Repalced by: A 0014318614
A 0014311014 BRAKE CYLINDER
Repalced by: A 0014318614
A 0024301230 BRAKE BOOSTER ASSEMBLY
Repalced by: A 0014318614
A 0014315014 BRAKE CYLINDER
Repalced by: A 0014318614
691 A 0014318614 BRAKE CYLINDER
BOSCH-SCHAEFER
A 0014310814 BRAKE CYLINDER
Repalced by: A 0014317514
A 0004316814 BRAKE CYLINDER
Repalced by: A 0014317514
A 0004316914 BRAKE CYLINDER
Repalced by: A 0014317214
691 A 0014317214 BRAKE CYLINDER
BOSCH-SCHAEFER
A 0004319514 BRAKE CYLINDER
Repalced by: A 0014317514
A 0024301030 BRAKE BOOSTER ASSEMBLY
Repalced by: A 0014317514
A 0014314214 BRAKE CYLINDER
Repalced by: A 0014317514
691 A 0014317514 BRAKE CYLINDER
BOSCH-SCHAEFER
692 A 0004312681 VALVE DISC
TO 001 431 85 14
693 A 0004317283 PISTON
TO 000 431 69 14,000 431 95 14
693 A 0004317983 PISTON
TO 000 431 83 14
693 A 0004317983 PISTON
TO 001 431 85 14,001 431 86 14
694 A 0014315593 SPRING
TO 000 431 83 14,001 431 09 14
695 A 0014315893 SPRING
TO 001 431 09 14
696 A 0014315993 SPRING
TO 001 431 09 14
697 A 0014313993 SPRING
TO 000 431 83 14,001 431 09 14
A 0019979340 SEAL RING
Repalced by: A 0019975945
698 A 0019975945 SEAL RING
TO 000 431 69 14,000 431 95 14
699 A 0059977448 SEAL RING
TO 000 431 83 14,001 431 09 14
700 A 0039979548 SEAL RING
TO 000 431 69 14,000 431 95 14
700 A 0059977348 SEAL RING
TO 000 431 83 14,001 431 09 14
700 A 0059977348 SEAL RING
TO 001 431 85 14,001 431 86 14
701 A 0004317483 PISTON
TO 000 431 69 14,000 431 95 14
702 A 0069975645 SEAL RING
TO 000 431 83 14,001 431 09 14
702 A 0069975645 SEAL RING
TO 000 431 69 14,000 431 95 14
703 A 0039979348 SEAL RING
TO 000 431 69 14,000 431 95 14
704 A 0014310660 SEAL RING
TO 000 431 83 14,001 431 09 14
704 A 0014310660 SEAL RING
TO 000 431 69 14,000 431 95 14
705 A 0004317383 PISTON
TO 000 431 69 14,000 431 95 14
706 A 0039979448 SEAL RING
TO 000 431 83 14
706 A 0039979448 SEAL RING
TO 000 431 69 14,000 431 95 14
707 A 0004311249 GUIDE BUSHING
TO 000 431 95 14
707 A 0014311349 GUIDE BUSHING
TO 000 431 69 14
707 A 0004311349 GUIDE BUSHING
AS REQUIRED
TO 000 431 83 14
708 A 0004317587 PROTECTIVE CAP
TO 000 431 69 14
709 A 0009882735 CAP
TO 000 431 83 14
709 A 0009882735 CAP
TO 001 431 72 14
710 A 0039974347 SEAL RING
TO 000 431 83 14,001 431 09 14
710 A 0039974347 SEAL RING
TO 000 431 69 14,000 431 95 14
711 A 0004318886 CUP
TO 000 431 69 14,000 431 95 14
712 N 007603010103 SEAL RING
Repalced by: N 007603010110
712 N 007603010110 SEAL RING
TO 001 431 09 14
A 0059979498 CHAIN LOCK LINK
TO 001 431 09 14
714 A 0004315586 CUP
TO 000 431 68 14,000 431 84 14
715 N 000472017000 LOCK RING
TO 001 431 85 14,001 431 86 14
716 A 0004311022 COVER
TO 001 431 85 14,001 431 86 14
716 A 0004311422 COVER
001 431 72 14
717 N 000933008191 SCREW
TO 001 431 85 14,001 431 86 14
717 N 000933010094 SCREW
TO 001 431 85 14,001 431 86 14
A 0044205518 WHEEL BRAKE CYLINDER
Repalced by: A 0074202018
A 0074202018 WHEEL BRAKE CYLINDER
Repalced by: A 0044206818
718 A 0044206818 WHEEL BRAKE CYLINDER
SLAVE CYLINDER
SCHAEFER
718 A 0044206818 WHEEL BRAKE CYLINDER
SLAVE CYLINDER
TO 001 431 75 14; 001 431 86 14
A 0004310265 VALVE
Repalced by: A 3075530107
719 A 3075530107 VALVE
A 3164210187 PROTECTIVE CAP
Repalced by: A 0004210887
A 0004210887 PROTECTIVE CAP
Repalced by: A 0004217187
720 A 0004217187 PROTECTIVE CAP
Repalced by: A 0004210887
720 A 0004210887 PROTECTIVE CAP
721 A 0025866543 REPAIR KIT
COMPRESSED AIR CYLINDER
TO 001 431 08 14,002 430 10 30
A 0025860743 REPAIR KIT
Repalced by: A 0004302108
721 A 0004302108 REPAIR KIT
COMPRESSED AIR CYLINDER
TO 000 431 69 14,000 431 95 14,83 14
721 A 0004302108 REPAIR KIT
COMPRESSED AIR CYLINDER
TO 001 431 85 14,001 431 86 14
T YYYYYYYYYYYY PART NAME MISSING
TO 001 431 09 14,001 431 50 14,42 14
T YYYYYYYYYYYY PART NAME MISSING
TO 001 431 72 14
721 A 0025865843 REPAIR KIT
COMPRESSED AIR CYLINDER
TO 000 431 84 14
721 A 0025866643 REPAIR KIT
COMPRESSED AIR CYLINDER
TO 001 431 10 14,002 430 12 30
721 A 0025865743 REPAIR KIT
COMPRESSED AIR CYLINDER
TO 000 431 68 14
721 A 0005864829 REPAIR KIT
SLAVE CYLINDER
TO 004 420 55 18
722 A 0025862442 REPAIR KIT
SLAVE CYLINDER
TO 007 420 20 18
722 A 0025860942 REPAIR KIT
SLAVE CYLINDER
TO 004 420 68 18
N 915011010101 HOLLOW SCREW
Repalced by: N 915036012101
724 N 915036012203 HOLLOW SCREW
CONNECTIONS:
"11,12"
725 N 007603016401 SEAL RING
CONNECTIONS:
"11,12"
726 N 000908016001 SCREW PLUG
BRAKE CYLINDER, CONNECTIONS "21,22"
727 A 0004290927 THRUST RING
BRAKE CYLINDER, CONNECTIONS "21,22"
728 A 0009971548 SEAL RING
BRAKE CYLINDER, CONNECTIONS "21,22"
730 A 0005455214 SWITCH
BRAKE READJUSTMENT
M 24 X 1 MM
731 N 007603010103 SEAL RING
Repalced by: N 007603010110
731 N 007603010110 SEAL RING
BRAKE READJUSTMENT
A 0004311914 BRAKE BOOSTER
Repalced by: A 0004319114
A 0004315814 BRAKE BOOSTER
Repalced by: A 0004319114
735 A 0004319114 BRAKE CYLINDER
736 A 0004312886 SEAL RING
737 A 0004317060 SEAL RING
738 A 0004315583 PISTON
A 0004311681 VALVE DISC
Repalced by: A 0003270032
739 A 0003270032 VALVE PART
A 0004289435 BRAKE HOSE
Repalced by: A 0004289535
740 A 0004289535 BRAKE HOSE
741 N 007603014405 SEAL RING
A 0004317160 SEAL RING
Repalced by: A 0004319460
742 A 0004319460 SEAL RING
743 A 0004317186 CUP
744 A 0025860143 REPAIR KIT
TO 000 431 91 14
745 A 0089979082 HOSE
LEAK CONNECTION
747 A 3164300011 CONSOLE
747 A 3184300011 CONSOLE
747 A 0004300011 CONSOLE
A 3184312740 BRACKET
Repalced by: A 3184313940
749 A 3184313940 BRACKET
A 3184313840 BRACKET
Repalced by: A 3184314140
751 A 3184280540 BRACKET
751 A 3184280540 BRACKET
752 N 913002010001 NUT
CONSOLE TO FRAME
752 N 910113012002 NUT
CONSOLE TO SIDE MEMBER
753 N 912004010102 LOCK WASHER
BRAKE BOOSTER TO CONSOLE
754 N 000933010105 SCREW
BRAKE BOOSTER TO CONSOLE
754 N 000933010145 SCREW
BRAKE BOOSTER TO CONSOLE
754 N 000961012151 SCREW
CONSOLE TO SIDE MEMBER
A 3184290640 BRACKET
CONSOLE TO SIDE MEMBER
A 3144312340 BRACKET
755 A 3184311540 BRACKET
756 N 000933010129 SCREW
Repalced by: N 304017010002
756 N 304017010002 SCREW
BRACKET TO SIDE MEMBER
757 N 000125010518 WASHER
Repalced by: N 000125010532
757 N 000125010532 WASHER
BRACKET TO SIDE MEMBER
758 N 913002010001 NUT
BRACKET TO SIDE MEMBER
759 N 000125013008 WASHER
760 A 3149910007 PIN
BRAKE BOOSTER TO INTERMEDIATE LEVER
761 N 000433010505 WASHER
Repalced by: N 000433010510
761 N 000433010510 WASHER
BRAKE BOOSTER TO INTERMEDIATE LEVER
762 N 000094003219 COTTER PIN
BRAKE BOOSTER TO INTERMEDIATE LEVER
763 A 0004200010 SHAFT
764 A 0004260009 PIVOT PIN
765 A 0004270050 BUSHING
766 A 0004310051 SPACER RING
LINE TO BRAKE BOOSTER
767 A 0009971548 SEAL RING
LINE TO BRAKE BOOSTER
768 A 3529900071 ELBOW FITTING
LINE TO BRAKE BOOSTER
770 A 0109975982 HOSE
Repalced by: A 0009872827
770 A 0009872827 PLASTIC PIPE
12 MM
A 0049971772 FITTING
Repalced by: A 0029906171
771 A 0029906171 FITTING
(PARTS KIT),LINE RUPTURE
TO 010 997 59 82
772 N 915017012100 UNION NUT
773 N 003861012007 GLAND
Repalced by: A 0019901967
773 A 0019901967 SEAL CONE
774 N 915062009000 SLEEVE
775 A 0089979082 HOSE
8 MM
776 N 915017008100 UNION NUT
777 N 003861008005 GLAND
778 N 915062006000 SLEEVE
779 A 0019978390 LOOM TIE
780 A 3604292940 BRACKET
780 A 3604292940 BRACKET
781 N 000933008147 SCREW
Repalced by: N 304017008021
781 N 304017008021 SCREW
782 N 913004008004 NUT
Repalced by: N 913004008001
782 N 913004008001 NUT
A 3184290440 BRACKET
784 N 000933006102 SCREW
785 N 913004006002 NUT
Repalced by: N 913004006001
785 N 913004006001 NUT
786 A 0019978490 LOOM TIE
787 A 3189970181 GROMMET
A 0004311675 THREADED UNION
LINE TO BRAKE BOOSTER
789 A 0009904770 T-FITTING
N 003952012101 FITTING
Repalced by: A 0019902771
790 A 0019902771 ELBOW FITTING
791 N 080705016003 NUT
LINE TO BRAKE BOOSTER
795 A 0004319705 BRAKE VALVE
TRAILER CONTROL VALVE
796 A 0014311805 BRAKE VALVE
TRAILER CONTROL VALVE
BOSCH
796 A 0014313705 BRAKE VALVE
TRAILER CONTROL VALVE
WABCO
A 0014313405 BRAKE VALVE
Repalced by: A 0014313705
796 A 0014314805 BRAKE VALVE
TRAILER CONTROL VALVE
GRAU
797 A 0059976545 SEAL RING
798 N 000472038000 LOCK RING
799 A 0019971245 SEAL RING
A 0015866043 REPAIR KIT
800 A 0024304781 REPAIR KIT
VALVE KIT
TO 001 431 37 05
800 A 0015868643 REPAIR KIT
Repalced by: A 0004304606
800 A 0004304606 BRAKE VALVE
TO 001 431 18 05
800 A 0015868043 REPAIR KIT
TO 001 431 34 05
800 A 0025865943 REPAIR KIT
TO 001 431 48 05
801 A 3604312540 BRACKET
A 3164310440 BRACKET
802 A 3184312140 BRACKET
803 N 913002010001 NUT
804 N 913004008004 NUT
Repalced by: N 913004008001
804 N 913004008001 NUT
805 N 000961012151 SCREW
806 N 000933010129 SCREW
Repalced by: N 304017010002
806 N 304017010002 SCREW
807 N 913002012002 NUT
808 N 913002010001 NUT
809 N 000125013008 WASHER
810 A 3184280240 BRACKET
811 N 000933008147 SCREW
Repalced by: N 304017008021
811 N 304017008021 SCREW
812 N 913004008004 NUT
Repalced by: N 913004008001
812 N 913004008001 NUT
813 A 3609952001 CLAMP
Repalced by: A 6739950001
813 A 6739950001 CLAMP
814 N 007985006193 SCREW
Repalced by: N 000000001146
814 N 000000001146 SCREW
814 N 000000001147 SCREW
M 6X20
815 N 913002006001 NUT
Repalced by: N 913002006009
815 N 913002006009 NUT
816 A 3184290340 BRACKET
817 N 000933008147 SCREW
Repalced by: N 304017008021
817 N 304017008021 SCREW
818 N 913004008004 NUT
Repalced by: N 913004008001
818 N 913004008001 NUT
819 N 074313012304 FITTING
820 N 080705018002 NUT
822 A 0004313731 TEST CONNECTION
Repalced by: A 0004312931
822 A 0004312931 TEST CONNECTION
823 A 0009979486 PLUG
826 N 074298022203 DOUBLE FITTING
827 N 007603022102 SEAL RING
828 N 074301022203 ELBOW FITTING
829 N 074305022202 NUT
830 A 0009870446 SEALING CORD
831 A 0004290227 THRUST RING
N 074315012100 FITTING
Repalced by: A 0019903371
832 A 0019903371 ELBOW FITTING
833 A 0009971548 SEAL RING
834 N 080705016003 NUT
835 A 0029971572 FITTING
836 N 007603016401 SEAL RING
N 074317012200 FITTING
Repalced by: A 0009907470
837 A 0009907470 T-FITTING
N 074313008104 FITTING
Repalced by: A 0029979572
838 A 0029979572 FITTING
A 0004290631 SHUT-OFF COCK
Repalced by: A 0004291431
840 A 0004291431 SHUT-OFF COCK
840 A 0004291631 SHUT-OFF COCK
A 0004292684 SEAL RING
TO 000 429 16 31
A 0004292293 SPRING
TO 000 429 16 31
A 0119976748 SEAL RING
TO 000 429 16 31
A 0009974077 HANDLE
TO 000 429 16 31
A 0004292393 SPRING
TO 000 429 16 31
841 A 0005866342 REPAIR KIT
TO 000 429 14 31
A 3144290042 BRACKET
843 N 000933008147 SCREW
Repalced by: N 304017008021
843 N 304017008021 SCREW
844 N 913004008004 NUT
Repalced by: N 913004008001
844 N 913004008001 NUT
845 N 000931008254 SCREW
Repalced by: N 304014008002
845 N 304014008002 SCREW
SHUT-OFF COCK TO BRACKET
846 N 913004008004 NUT
Repalced by: N 913004008001
846 N 913004008001 NUT
SHUT-OFF COCK TO BRACKET
847 N 074304022201 FITTING
848 A 0004290181 GROMMET
849 N 007603022102 SEAL RING
850 N 074301022203 ELBOW FITTING
851 N 074305022202 NUT
852 A 0009870446 SEALING CORD
853 A 0004290227 THRUST RING
855 A 0014296044 VALVE
OVERFLOW VALVE
WABCO
856 A 0004290545 DIAPHRAGM
857 A 0015862042 REPAIR KIT
OVERFLOW VALVE
858 A 0024290344 VALVE
OVERFLOW VALVE
BOSCH
858 A 0024295244 VALVE
OVERFLOW VALVE
GRAU
859 N 074305022202 NUT
860 A 0009870446 SEALING CORD
861 A 0004290227 THRUST RING
N 074313012100 FITTING
Repalced by: A 0029971172
A 0029971172 FITTING
N 074302022405 T-FITTING
Repalced by: A 0029901970
862 A 0029901970 T-FITTING
A 0009903970 T-FITTING
Repalced by: A 0019901070
863 A 0019901070 T-FITTING
N 007603022102 SEAL RING
864 A 0004296201 LINE
6 MM
865 N 915017006100 UNION NUT
866 N 003861006007 GLAND
Repalced by: A 0019901667
866 A 0019901667 SEAL CONE
868 N 000936012005 NUT
Repalced by: N 308675012000
868 N 308675012000 NUT
869 A 3145401261 ELECTRIC CABLE
LINE TO PRESSURE GAUGE
X XXXXXXXXXXXX PART NAME MISSING
PARKING BRAKE SPRING LOAD ACCUMULATOR UNIT
870 A 0005516256 TUBE
15 MM
T YYYYYYYYYYYY PART NAME MISSING
FROM AIR RESERVOIR TO HOSE AT HAND BRAKE VALVE
870 A 0005516256 TUBE
FROM HOSE TO HAND BRAKE VALVE
15 MM
870 A 0005516256 TUBE
FROM HAND BRAKE VALVE HOSE TO COMBINATION CYLINDER
15 MM
871 N 915018015000 UNION NUT
872 N 003861015004 GLAND
873 N 915065015101 THRUST RING
874 N 915045012100 SEAL RING
Repalced by: N 007603012121
874 N 007603012121 SEAL RING
875 A 0004292101 LINE
12 MM
876 N 915017012100 UNION NUT
877 N 003861012007 GLAND
Repalced by: A 0019901967
877 A 0019901967 SEAL CONE
A 0049971772 FITTING
Repalced by: A 0029906171
878 A 0029906171 FITTING
(PARTS KIT),LINE RUPTURE
879 A 0009905370 T-FITTING
COMPRESSED AIR LINE, BRAKE
880 A 0109975982 HOSE
Repalced by: A 0009872827
880 A 0009872827 PLASTIC PIPE
9X12 MM
A 0049971772 FITTING
Repalced by: A 0029906171
881 A 0029906171 FITTING
(PARTS KIT),LINE RUPTURE
TO 010 197 59 82
882 N 915062009000 SLEEVE
883 A 0019978390 LOOM TIE
883 A 0019978490 LOOM TIE
884 N 074298022203 DOUBLE FITTING
884 A 0029971172 FITTING
885 N 916027013006 HOSE
886 A 3184200248 BRAKE HOSE
887 A 3184200348 BRAKE HOSE
888 N 916017020000 CLAMP
Repalced by: N 000000000667
888 N 000000000667 CLAMP
889 N 074304022201 FITTING
890 A 0029971872 FITTING
891 N 915017015200 UNION NUT
892 N 915045012100 SEAL RING
Repalced by: N 007603012121
892 N 007603012121 SEAL RING
893 N 074302022304 T-FITTING
894 A 0009974172 FITTING
895 N 007603016401 SEAL RING
895 A 0009870446 SEALING CORD
CONNECTION "1"
A 0004310716 VALVE
Repalced by: A 0004311316
A 0004311416 VALVE
Repalced by: A 0004311316
897 A 0004311316 VALVE
PARKING BRAKE
898 A 0004350390 VALVE DISC
A 0009970177 HANDLE
Repalced by: A 0009970377
899 A 0009970377 HANDLE
900 A 0004317686 CUP
900 A 0014311086 CUP
TO 000 431 13 16
A 0014300781 VALVE
Repalced by: A 0024300381
902 A 0024300381 VALVE
PARKING BRAKE
BOSCH
A 0014300081 VALVE
Repalced by: A 0014306581
902 A 0014306581 VALVE
PARKING BRAKE
WABCO
A 0014301881 VALVE
PARKING BRAKE
KNORR
902A A 0014310887 PROTECTIVE CAP
TO 001 430 00 81,65 81
902A A 0014311087 PROTECTIVE CAP
TO 001 430 07 81
902B A 0009972777 HANDLE
TO 001 430 65 81
902B A 0009972777 HANDLE
TO 001 430 07 81
902B A 0009972877 HANDLE
TO 002 430 03 81
902C A 0004311122 COVER
TO 001 430 07 81
902D A 0009911501 PIN
TO 002 430 03 81,001 430 07 81
902E A 0004311064 ACTUATING PART
TO 002 430 03 81,001 430 07 81
902F A 0004311164 ACTUATING PART
TO 001 430 07 81
A 0004312139 LEVER
Repalced by: A 0034302881
902H A 0034302881 REPAIR KIT
HAND BRAKE LEVER
TO 001 430 65 81
902K A 0009911601 PIN
TO 002 430 03 81,001 430 07 1
902L A 0009922905 BUSHING
TO 001 430 07 81
902M A 0009910855 PIN
TO 001 430 65 81
A 0004300227 HANDLE
(PARTS KIT)
TO 001 430 18 81
902N A 0004300127 HANDLE
(PARTS KIT)
TO 001 430 07 81
902P A 0004301760 REPAIR KIT
GASKETS
TO 002 430 03 81
902P A 0025864443 REPAIR KIT
TO 000 431 13 16
902P A 0025866343 REPAIR KIT
GASKETS
TO 001 430 07 81
A 0025867443 REPAIR KIT
Repalced by: A 0034303181
902P A 0034303181 REPAIR KIT
TO 001 430 00 81,001 430 65 81
A 0004300360 REPAIR KIT
TO 001 430 18 81
903 N 000966006018 SCREW
PARKING BRAKE TO CAB
903 N 000931008326 SCREW
Repalced by: N 304014008009
903 N 304014008009 SCREW
PARKING BRAKE TO CAB
903 N 000933008147 SCREW
Repalced by: N 304017008021
903 N 304017008021 SCREW
PARKING BRAKE TO CAB
904 N 000125008418 WASHER
Repalced by: N 000125008443
904 N 000125008443 WASHER
PARKING BRAKE TO CAB
905 N 009021008205 WASHER
Repalced by: N 009021008213
905 N 009021008213 WASHER
PARKING BRAKE TO CAB
906 A 3185840238 GUMMED LABEL
PARKING BRAKE
907 N 913004008004 NUT
Repalced by: N 913004008001
907 N 913004008001 NUT
PARKING BRAKE TO CAB
908 N 074313012304 FITTING
CONNECTION "1"
909 N 007603016401 SEAL RING
CONNECTION "1"
N 074317012201 FITTING
Repalced by: A 0009905070
910 A 0009905070 T-FITTING
CONNECTION "2"
910 A 0009905070 T-FITTING
CONNECTION "2"
N 003952006102 FITTING
Repalced by: A 0019909871
911 A 0019909871 ELBOW FITTING
CONNECTION "2"
911 A 0019909871 ELBOW FITTING
CONNECTION "2"
912 N 080705016003 NUT
CONNECTION "2"
912 N 080705016003 NUT
CONNECTION "2"
913 A 0004290927 THRUST RING
CONNECTION "2"
913 A 0004290927 THRUST RING
CONNECTION "2"
A 0029971640 SEAL RING
Repalced by: A 0009971548
914 A 0009971548 SEAL RING
CONNECTION "2"
914 A 0009971548 SEAL RING
CONNECTION "2"
N 915011008103 HOLLOW SCREW
Repalced by: N 915036010100
915 N 915036010204 HOLLOW SCREW
Repalced by: N 915036010108
915 N 915036010108 HOLLOW SCREW
CONNECTIONS "11,21"
916 N 007603014405 SEAL RING
CONNECTIONS "11,21"
14X18 MM
917 A 0029971572 FITTING
CONNECTION "2"
918 N 007603016401 SEAL RING
CONNECTION "2"
919 A 3164270006 COVER
HAND BRAKE VALVE TO CAB
920 N 007988006150 SCREW
HAND BRAKE VALVE TO CAB
921 A 3819970486 PLUG
HAND BRAKE VALVE TO CAB
A 3524281740 BRACKET
Repalced by: A 3184280240
922 A 3184280240 BRACKET
923 A 3524281640 BRACKET
A 3604292040 BRACKET
Repalced by: A 3604292940
924 A 3604292940 BRACKET
LONG
75 MM
924 A 3604292940 BRACKET
LONG
75 MM
925 A 3144291240 BRACKET
LONG
65 MM
A 3144291040 BRACKET
LONG
65 MM
926 N 000933008147 SCREW
Repalced by: N 304017008021
926 N 304017008021 SCREW
927 N 913004008004 NUT
Repalced by: N 913004008001
927 N 913004008001 NUT
A 3609950501 CLAMP
Repalced by: A 3609952001
928 A 3609952001 CLAMP
Repalced by: A 6739950001
928 A 6739950001 CLAMP
929 A 3529910340 SPACER TUBE
Repalced by: A 4082910153
929 A 4082910153 SPACER TUBE
930 N 007985005146 SCREW
930 N 000000001147 SCREW
M 6X20
931 N 913002006001 NUT
Repalced by: N 913002006009
931 N 913002006009 NUT
932 N 000125006421 WASHER
932 N 000125008418 WASHER
Repalced by: N 000125008443
932 N 000125008443 WASHER
932 A 3609902340 WASHER
A 0014292044 VALVE
Repalced by: A 0034291644
933 A 0034291644 VALVE
RELAY VALVE
BOSCH
933 A 0014299144 VALVE
RELAY VALVE
GRAU
A 0024290744 VALVE
Repalced by: A 0034295344
933 A 0034295344 VALVE
RELAY VALVE
KNORR
933 A 0014296844 VALVE
RELAY VALVE
WESTINGHOUSE
933A A 0059972648 SEAL RING
22.3X2.4 MM,TO 001 429 91 44
933B A 0004312788 VALVE SEAT
TO 001 429 91 44
933C A 0059972748 SEAL RING
80X3 MM,TO 000 429 28 95, GRAU
933D A 0014311660 SEAL RING
28X2 MM,TO 001 429 91 44
933E A 0014311760 SEAL RING
86X2 MM,TO 001 429 91 44
A 0014311980 GASKET
Repalced by: A 0004311980
933F A 0004311980 GASKET
34X2X6 MM,TO 001 429 91 44
933H A 0015862742 REPAIR KIT
TO 001 429 20 44
A 0025865642 REPAIR KIT
Repalced by: A 0004201071
933H A 0004201071 VALVE
GASKET KIT
TO 003 429 16 44;UP TO 03.82
933H A 0004201271 VALVE
GASKET KIT
TO 003 429 16 44;FROM 04.82
933H A 0025865742 REPAIR KIT
Repalced by: A 0004301109
933H A 0004301109 REPAIR KIT
BLEEDER VALVE
TO 003 429 16 44
933H A 0005865742 REPAIR KIT
TO 001 429 68 44
933H A 0025863542 REPAIR KIT
TO 002 429 07 44, 003 429 53 44
934 N 913004008004 NUT
Repalced by: N 913004008001
934 N 913004008001 NUT
RELAY VALVE TO CROSS MEMBER
935 N 000125008418 WASHER
Repalced by: N 000125008443
935 N 000125008443 WASHER
RELAY VALVE TO CROSS MEMBER
936 A 0009905168 FITTING
CONNECTION "1"
937 A 0004290227 THRUST RING
CONNECTION "1"
938 A 0009870446 SEALING CORD
CONNECTION "1"
939 N 915036012203 HOLLOW SCREW
AT RELAY VALVE
940 N 007603016401 SEAL RING
AT RELAY VALVE
16X20 MM
941 N 000908016001 SCREW PLUG
RELAY VALVE,CONNECTION "2",LEFT
942 A 0004290927 THRUST RING
RELAY VALVE,CONNECTION "2",LEFT
943 A 0009971548 SEAL RING
RELAY VALVE,CONNECTION "2",LEFT
944 A 0004312114 BRAKE CYLINDER
SPRING LOAD ACCUMULATOR CYLINDER
BOSCH
944 A 0014311314 BRAKE CYLINDER
SPRING LOAD ACCUMULATOR CYLINDER
WABCO
944 A 0004317714 BRAKE CYLINDER
SPRING LOAD ACCUMULATOR CYLINDER
KNORR
A 0004319186 CUP
Repalced by: A 0004312786
A 0014310786 CUP
Repalced by: A 0004312786
944A A 0004312786 CUP
TO 000 431 21 14
944A A 0004319686 CUP
TO 000 431 77 14
A 0004318583 PISTON
TO 000 431 21 14
A 0004318186 CUP
Repalced by: A 0015864342
A 0004310736 FILTER BOTTOM
TO 000 431 21 14
944C A 0004319586 CUP
TO 000 431 77 14
944C A 0004318587 PROTECTIVE CAP
TO 001 431 13 14
944D A 0089977548 SEAL RING
TO 000 431 21 14
944D A 0049971740 SEAL RING
TO 000 431 21 14
A 0004310649 SLIDE
944E A 0014311160 SEAL RING
TO 000 431 77 14
944H A 0004311880 GASKET
TO 000 431 77 14
944K A 0059971148 SEAL RING
TO 000 431 77 14
944L A 0029973690 LOOM TIE
TO 000 431 77 14
944M N 000933006121 SCREW
Repalced by: N 304017006020
944M N 304017006020 SCREW
TO 000 431 77 14
944P N 000934006012 NUT
TO 000 431 77 14
944Q N 000934016011 NUT
Repalced by: N 308673016001
944Q N 308673016001 NUT
TO 000 431 77 14
944S N 912004006102 LOCK WASHER
TO 000 431 77 14
A 0015864243 REPAIR KIT
Repalced by: A 0025861443
944T A 0025861443 REPAIR KIT
TO 001 431 13 14
A 0015864342 REPAIR KIT
Repalced by: A 0034201724
944T A 0034201724 REPAIR KIT
TO 000 431 21 14
A 0004315014 BRAKE CYLINDER
Repalced by: A 0014316514
945 A 0014316514 BRAKE CYLINDER
SPRING LOAD ACCUMULATOR
945A A 0004318786 CUP
TO 000 431 50 14
945A A 0014311786 CUP
TO 001 431 65 14
A 0004310649 SLIDE
TO 000 431 50 14
A 0004318186 CUP
Repalced by: A 0015864342
A 0015864342 REPAIR KIT
Repalced by: A 0034201724
945C A 0034201724 REPAIR KIT
TO 001 431 65 14
946 A 3189970071 FITTING
946 A 3189970071 FITTING
946 A 0004311675 THREADED UNION
946A N 007603016401 SEAL RING
946A N 007603016401 SEAL RING
946C N 074301022203 ELBOW FITTING
946C N 074301022203 ELBOW FITTING
946D N 074302022202 T-FITTING
946D A 0009903270 T-FITTING
946E N 074305022202 NUT
946H A 0004290227 THRUST RING
946K A 0009870446 SEALING CORD
A 0009904770 T-FITTING
Repalced by: A 0009901387
947 A 0009901387 CROSS FITTING
CONNECTION "1"
A 0029971640 SEAL RING
Repalced by: A 0009971548
947A A 0009971548 SEAL RING
CONNECTION "1"
947C A 0004290927 THRUST RING
CONNECTION "1"
947D N 080705016003 NUT
CONNECTION "1"
947E A 0004312031 TEST CONNECTION
SPRING LOAD ACCUMULATOR BRAKE CYLINDER CONNECTION "1"
VOSS
947E A 0004314531 TEST CONNECTION
SPRING LOAD ACCUMULATOR BRAKE CYLINDER CONNECTION "1"
SCHAEFER
947E A 0004314831 TEST CONNECTION
SPRING LOAD ACCUMULATOR BRAKE CYLINDER CONNECTION "1"
WABCO
947E A 0004316131 TEST CONNECTION
SPRING LOAD ACCUMULATOR BRAKE CYLINDER CONNECTION "1"
WIRA
947H A 0009979486 PLUG
A 3604300811 CONSOLE
Repalced by: A 3164300111
948 A 3164300111 CONSOLE
BRAKE CYLINDER
A 3184310040 BRACKET
Repalced by: A 3184312340
949 A 3184312340 BRACKET
A 3184310840 BRACKET
Repalced by: A 3184312340
949 A 3184312340 BRACKET
950 N 000933010105 SCREW
AT BEARING BRACKET
950A N 913004010008 NUT
Repalced by: N 910113010000
950A N 910113010000 NUT
AT BEARING BRACKET
950C A 4219905440 WASHER
BEARING BRACKET TO CROSS MEMBER
950C A 4219905440 WASHER
BEARING BRACKET TO CROSS MEMBER
950C N 000125010578 WASHER
BEARING BRACKET TO CROSS MEMBER
951 A 3183110154 REINFORCEMENT
951A N 000933010105 SCREW
BEARING BRACKET TO CROSS MEMBER
M 10X25
951A N 000933010129 SCREW
Repalced by: N 304017010002
951A N 304017010002 SCREW
BEARING BRACKET TO CROSS MEMBER
M 10X30
951C N 913004010008 NUT
Repalced by: N 910113010000
951C N 910113010000 NUT
951D N 000961012151 SCREW
BRAKE CYLINDER TO BRACKET
M 12X1.5X30
951D N 000961012052 SCREW
Repalced by: N 308676012012
951D N 308676012012 SCREW
BRAKE CYLINDER TO BRACKET
M 12X1.5X25
951E N 000125013008 WASHER
951H N 910113012002 NUT
BRAKE CYLINDER TO BRACKET
952 A 3164200280 BRAKE INTERMEDIATE SHAFT
952 A 3184201480 BRAKE INTERMEDIATE SHAFT
952A A 3274270058 SEAL HOLDER
BRAKE INTERMEDIATE SHAFT BEARING BRACKET
952C A 3279970040 SEAL RING
BRAKE INTERMEDIATE SHAFT BEARING BRACKET
952D A 0004200080 BRAKE INTERMEDIATE SHAFT
952E A 3149931210 SPRING
A 3144201778 BEARING BRACKET
Repalced by: A 3144201978
952H A 3144201978 BEARING BRACKET
BRAKE INTERMEDIATE SHAFT
952H A 3184200178 BEARING BRACKET
BRAKE INTERMEDIATE SHAFT
952K A 3124272350 BUSHING
952L N 071412010100 GREASE NIPPLE
952M A 3184200578 BEARING BRACKET
BRAKE INTERMEDIATE SHAFT
952M A 3184200678 BEARING BRACKET
BRAKE INTERMEDIATE SHAFT
952P N 000470050001 EXPANSION PLUG
952Q A 3534200167 BALL CUP
BRAKE INTERMEDIATE SHAFT BEARING
953 A 3184310295 WEB
953A N 000933010174 SCREW
Repalced by: N 304017010040
953A N 304017010040 SCREW
WEB TO CROSS MEMBER
953C N 007349010003 WASHER
Repalced by: N 007349010007
953C N 007349010007 WASHER
WEB TO CROSS MEMBER
953D N 913004010011 NUT
WEB TO CROSS MEMBER
953E N 000933008147 SCREW
Repalced by: N 304017008021
953E N 304017008021 SCREW
SPRING-LOAD ACCUMULATOR TO SUPPORT
954 N 000933010128 SCREW
BRAKE INTERMEDIATE SHAFT BEARING
954 N 000933010164 SCREW
BEARING BRACKET&BRAKE INTERM. SHAFT TO REAR-SPRING FRONT-BRACKET CROSS MEMBER
954A N 912004010102 LOCK WASHER
BRAKE INTERMEDIATE SHAFT BEARING
955 A 3144200047 YOKE
FROM INTERMEDIATE LEVER SHAFT TO BRAKE LEVER AT REAR AXLE
956 N 000934010035 NUT
FROM INTERMEDIATE LEVER SHAFT TO BRAKE LEVER AT REAR AXLE
957 N 900331010669 PULL ROD
FROM INTERMEDIATE LEVER SHAFT TO BRAKE LEVER AT REAR AXLE
957 N 900331010668 PULL ROD
FROM INTERMEDIATE LEVER SHAFT TO BRAKE LEVER AT REAR AXLE
958 A 0009961501 YOKE
FROM INTERMEDIATE LEVER SHAFT TO BRAKE LEVER AT REAR AXLE
959 N 000934010014 NUT
FROM INTERMEDIATE LEVER SHAFT TO BRAKE LEVER AT REAR AXLE
960 A 3149910207 PIN
PULL ROD TO INTERMEDIATE LEVER
961 A 3529910007 PIN
PULL ROD TO BRAKE LEVER,REAR AXLE
962 N 000125010518 WASHER
Repalced by: N 000125010532
962 N 000125010532 WASHER
PULL ROD TO BRAKE LEVER,REAR AXLE
963 N 900055010002 SPRING WASHER
Repalced by: N 000137010205
963 N 000137010205 SPRING WASHER
PULL ROD TO BRAKE LEVER,REAR AXLE
964 N 000094003219 COTTER PIN
PULL ROD TO BRAKE LEVER,REAR AXLE
965 A 3184201280 BRAKE INTERMEDIATE SHAFT
966 N 000433015005 WASHER
967 N 000094004065 COTTER PIN
968 A 3184270096 CUP
969 A 3144260210 LEVER
LEFT
969 A 3144260310 LEVER
RIGHT
970 A 3184280340 BRACKET
RIGHT
971 N 912004008102 LOCK WASHER
972 N 000933008212 SCREW
Repalced by: N 304017008016
972 N 304017008016 SCREW
A 3189930410 SPRING
BRAKE LEVER
973 A 3149931210 SPRING
BRAKE LEVER
974 A 3164230151 SPACER RING
AS REQUIRED
3 MM
974 A 3164230551 SPACER RING
AS REQUIRED
3.5 MM
974 A 3164230251 SPACER RING
AS REQUIRED
4 MM
974 A 3164230351 SPACER RING
AS REQUIRED
5 MM
974 A 3164230451 SPACER RING
AS REQUIRED
6 MM
975 A 3124231552 SPACER WASHER
AS REQUIRED
0.2 MM
975 A 3124231652 SPACER WASHER
AS REQUIRED
1.0 MM
A 3124231752 SPACER WASHER
AS REQUIRED
2.0 MM
976 A 3124231187 PROTECTIVE CAP
977 A 3124261550 BUSHING
978 A 3224260183 SPHERICAL PIECE
979 N 070952035101 LOCK PLATE
980 N 070852035000 NUT
981 N 900083027000 PLUG
A 3145860342 REPAIR KIT
Repalced by: A 3144200267
982 A 3144200267 REPAIR KIT
Repalced by: A 3164230451
982 A 3164230451 SPACER RING
HAND BRAKE SHAFT