Pagrindinis meniu

Transporto priemonė: LS 1112; VIN numerio dalis: 341021
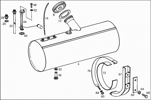
Grupė: 47 FUEL SYSTEM
56510
56511
# Kodas Pavadinimas
A 3414700001 FUEL TANK
Repalced by: A 3414707401
004 A 3414707401 FUEL TANK
Repalced by: A 3414707501
004 A 3414707501 FUEL TANK
WITH SENDER UNIT
004 A 3414707501 FUEL TANK
WITH SENDER UNIT
A 3414708701 FUEL TANK
WITH SENDER UNIT
A 3414700301 FUEL TANK
Repalced by: A 3414707601
A 3414707601 FUEL TANK
LESS SENDER UNIT
A 3374700201 FUEL TANK
Repalced by: A 3414707501
A 3414707501 FUEL TANK
LESS SENDER UNIT
008 A 3124701205 FILLER CAP
A 3444700205 FILLER CAP
A 3444710679 SEAL RING
TO 344 470 02 05
012 A 1369970640 SEAL RING
TO 312 470 12 05
016 A 3034700031 CHAIN
020 N 007603016300 SEAL RING
024 A 3374700126 RISING PIPE
024 A 3374700126 RISING PIPE
A 3414707126 RISING PIPE
028 A 3214710220 FITTING
028 A 3214710220 FITTING
A 3414717120 FITTING
032 N 007603035300 SEAL RING
036 A 3214700006 FUEL STRAINER
AT TANK
036 A 3414707106 FUEL STRAINER
AT TANK
A 1864710180 GASKET
Repalced by: A 3524710080
040 A 4044710080 GASKET
Repalced by: A 3524710080
040 A 3524710080 GASKET
A 0415420017 SENDER UNIT
Repalced by: A 0005426317
044 A 0005426317 SENDER UNIT
A 3224710032 COVER
N 000934005000 NUT
048 N 000084005177 SCREW
052 A 0669970640 SEAL RING
A 3224700542 SUPPORT
FUEL TANK MOUNTING
057 A 3224700642 SUPPORT
FUEL TANK MOUNTING
060 A 3224750184 SHIM
Repalced by: A 3514757219
060 A 3514757219 BASE
SUPPORT TO SIDE MEMBER
064 N 000127014203 LOCK WASHER
SUPPORT TO SIDE MEMBER
064 N 000127014203 LOCK WASHER
SUPPORT TO SIDE MEMBER
N 000127014201 LOCK WASHER
SUPPORT TO SIDE MEMBER
068 N 000961014007 SCREW
SUPPORT TO SIDE MEMBER
068 N 000961014007 SCREW
SUPPORT TO SIDE MEMBER
N 000961014020 SCREW
SUPPORT TO SIDE MEMBER
N 000961014010 SCREW
SUPPORT TO SIDE MEMBER
A 3209901840 WASHER
072 A 3379870014 RUBBER STRIP
FUEL TANK TO SUPPORT
076 A 3224700340 STRAP
Repalced by: A 3414707240
076 A 3414707240 STRAP
FUEL TANK TO SUPPORT
080 N 000934012004 NUT
FUEL TANK TO SUPPORT
080 N 000934012004 NUT
FUEL TANK TO SUPPORT
N 000934012022 NUT
FUEL TANK TO SUPPORT
084 N 000125013008 WASHER
FUEL TANK TO SUPPORT
084 N 000125013008 WASHER
FUEL TANK TO SUPPORT
N 000125013008 WASHER
FUEL TANK TO SUPPORT
A 3224702464 LINE
FROM FUEL TANK TO FUEL HOSE
088 A 3414700364 LINE
FROM FUEL TANK TO FUEL HOSE
N 915017010203 UNION NUT
092 A 3124702671 LINE
FUEL LINE LEADING TO FEED PUMP
N 915010008203 BANJO UNION
094 A 3124760026 HOSE
095 N 900264005507 LOOM TIE
097 N 915036010100 HOLLOW SCREW
FUEL LINE TO FEED PUMP
100 N 007603014405 SEAL RING
FUEL LINE TO FEED PUMP
104 A 3124703472 LINE
RETURN; PART I
A 3224707564 LINE
Repalced by: A 3414701464
A 3414701464 LINE
RETURN; PART I
A 3224703465 LINE
N 915010008202 BANJO UNION
A 3224702564 LINE
108 A 3414700464 LINE
RETURN; PART II
112 N 915003008204 SEAL CONE
116 N 915017010200 UNION NUT
122 A 3124760026 HOSE
RETURN
N 900264005507 LOOM TIE
126 A 3125421083 HOSE
RETURN
N 900264005006 LOOM TIE
130 A 3124701670 LINE
RETURN; PART I
A 3224707764 LINE
RETURN; PART I
134 A 3224702664 LINE
RETURN; PART II
134 A 3224707964 LINE
RETURN; PART II
A 3414700264 LINE
Repalced by: A 3414700564
N 915003008204 SEAL CONE
N 915017010203 UNION NUT
138 A 3124760026 HOSE
RETURN
N 900264005507 LOOM TIE
140 A 3124761236 BRACKET
FUEL LINE
142 A 3124761036 BRACKET
Repalced by: A 3124761236
A 0414760035 PISTON
Repalced by: H 993414760536
A 3414760036 BRACKET
Repalced by: A 3414767136
A 0414760036 BRACKET
Repalced by: A 3424760136
146 A 3424760136 BRACKET
FUEL LINE
150 A 3129950232 CLAMP
LINE MOUNTING
154 A 3129950032 CLAMP
Repalced by: A 3179950832
154 A 3179950832 CLAMP
LINE MOUNTING
158 N 000084006114 SCREW
CLAMP TO BRACKET
162 N 000127006206 LOCK WASHER
CLAMP TO BRACKET
166 N 000934006007 NUT
CLAMP TO BRACKET
170 N 000084006114 SCREW
BRACKET TO CAB CROSS MEMBER
174 N 000127006206 LOCK WASHER
BRACKET TO CAB CROSS MEMBER
178 N 000934006007 NUT
BRACKET TO CAB CROSS MEMBER
N 000933010016 SCREW
BRACKET TO CAB REAR CROSS MEMBER
N 000934010000 NUT
BRACKET TO CAB REAR CROSS MEMBER
N 000933008036 SCREW
BRACKET TO FRAME SIDE MEMBER
N 912004008104 LOCK WASHER
BRACKET TO FRAME SIDE MEMBER
N 000934008000 NUT
BRACKET TO FRAME SIDE MEMBER