Pagrindinis meniu

Transporto priemonė: L 911 B; VIN numerio dalis: 353004
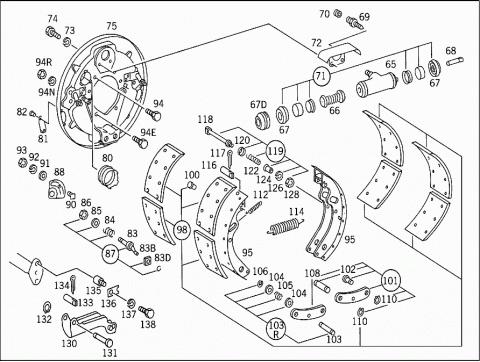
Grupė: 42 BRAKE SYSTEM - 001 BRAKES
44539
44540
44541
44542
44543
44544
44545
44546
44547
44548
44549
44550
44551
44552
44553
44554
44555
# Kodas Pavadinimas
001 A 0024207618 WHEEL BRAKE CYLINDER
Repalced by: A 0034207718
001 A 0034207718 WHEEL BRAKE CYLINDER
FRONT WHEEL BRAKE
41.27 MM
003 A 0004212590 SPRING
TO 002 420 76 18,003 420 77 18
005 A 0004213187 PROTECTIVE CAP
Repalced by: A 3164210087
005 A 3164210087 PROTECTIVE CAP
TO 002 420 76 18,003 420 77 18
005D A 0004213287 PROTECTIVE CAP
SHEET METAL VERSION
TO 003 420 77 18
006 A 0004231088 THRUST PIN
TO 002 420 76 18
008 A 0004310265 VALVE
Repalced by: A 3075530107
008 A 3075530107 VALVE
TO 002 420 76 18,003 420 77 18
010 A 3164210187 PROTECTIVE CAP
Repalced by: A 0004210887
010 A 0004210887 PROTECTIVE CAP
Repalced by: A 0004217187
010 A 0004217187 PROTECTIVE CAP
Repalced by: A 0004210887
010 A 0004210887 PROTECTIVE CAP
TO 002 420 76 18,003 420 77 18
011 A 0005865042 REPAIR KIT
TO 002 420 76 18,003 429 77 18
011N A 3024210088 THRUST PIN
012 A 3024210020 PROTECTIVE PLATE
013 N 912004010102 LOCK WASHER
014 N 000933010164 SCREW
015 A 3534200416 BRAKE ANCHOR PLATE
Repalced by: A 3534200516
015 A 3534200516 BRAKE ANCHOR PLATE
016 A 3124211068 INSPECTION HOLE COVER
018 A 3129900096 RIVET
A 3024230019 ADJUSTING PIN
Repalced by: A 3024230619
020 A 3024230619 ADJUSTING PIN
Repalced by: A 3025860042
020B A 3024210029 SLIDE
Repalced by: A 3024210129
020B A 3024210129 SLIDE
Repalced by: A 3024210229
020B A 3024210229 SLIDE
Repalced by: A 3024210329
020B A 3024210329 SLIDE
020D A 3124211073 LOCK
021 A 3129934901 SPRING
022 A 3029900340 WASHER
023 A 3529900050 NUT
Repalced by: A 3589900051
023 A 3589900051 NUT
024 A 3025860042 REPAIR KIT
Repalced by: A 3024202938
024 A 3024202938 REPAIR KIT
BRAKE READJUSTMENT
A 3584210073 LOCK
Repalced by: A 3584210173
026 A 3584210173 LOCK
027 A 3024210071 SCREW
028 N 000125013008 WASHER
029 N 912004012100 LOCK WASHER
030 N 000934012022 NUT
A 3559900104 SCREW
Repalced by: N 900170012019
032 N 900170012055 SCREW
A 3539900204 SCREW
Repalced by: N 900170012001
033 N 900170012001 SCREW
034 N 000935012003 NUT
034C N 000094003219 COTTER PIN
035 A 3539900004 SCREW
036 N 000935014001 NUT
037 N 000094003029 COTTER PIN
A 3534200020 BRAKE SHOE
Repalced by: A 3534200819
A 3534200120 BRAKE SHOE
Repalced by: A 3534200819
A 3534200220 BRAKE SHOE
Repalced by: A 3534200819
038 A 3534200019 BRAKE SHOE
Repalced by: A 3534200819
038 A 3534200719 BRAKE SHOE
Repalced by: A 3534200819
038 A 3534200819 BRAKE SHOE
041 A 3534232610 BRAKE LINING
(PARTS KIT) (BRAKE LINING
15.30 MM,8X 353 423 00 10)
041 A 3534233910 BRAKE LINING
(PARTS KIT) (ASBESTOS-FREE BRAKE LINING)
15.30 MM,8X 353 423 35 10)
041 A 3534232710 BRAKE LINING
(PARTS KIT) (BRAKE LINING
16.30 MM,8X 353 423 01 10)
041 A 3534234010 BRAKE LINING
(PARTS KIT) (ASBESTOS-FREE BRAKE LINING)
16.30 MM,8X 353 423 36 10)
041 A 3534232810 BRAKE LINING
(PARTS KIT) (BRAKE LINING
17.30 MM,8X 353 423 02 10)
041 A 3534234110 BRAKE LINING
(PARTS KIT) (ASBESTOS-FREE BRAKE LINING)
17.30 MM,8X 353 423 37 10)
044 A 3079900197 RIVET
A 3024210013 SHACKLE
Repalced by: A 3385860042
045 A 3385860042 REPAIR KIT
Repalced by: A 3384200289
045 A 3384200289 REPAIR KIT
BRAKE SHOE SHACKLE
046 A 3024210174 PIN
048 N 900055025301 LOCK RING
049 A 3124231174 PIN
Repalced by: A 3385860342
049R A 3385860342 REPAIR KIT
Repalced by: A 3384200082
049R A 3384200082 REPAIR KIT
BRAKE SHOE SHACKLE SPACER PIN
050 A 3024210052 SPACER WASHER
Repalced by: A 3385860342
050 A 3029930001 SPRING
Repalced by: A 3385860342
051 A 3029930201 SPRING
Repalced by: A 3385860342
052 A 3124211073 LOCK
053 A 3024210118 PIVOT PIN
054 N 900055025301 LOCK RING
055 A 3414210092 SPRING
Repalced by: A 3524210192
055 A 3524210192 SPRING
056 A 3029930310 SPRING
058 A 3414210174 PIN
Repalced by: A 3585860242
058 A 3415860042 REPAIR KIT
Repalced by: A 3585860242
058B A 3585860242 REPAIR KIT
Repalced by: A 3584200182
058B A 3584200182 REPAIR KIT
BRAKE SHOE MOUNTING BOLT
059 A 3124231089 FILLER
060 A 3129933801 SPRING
Repalced by: A 3529930501
060 A 3529930501 SPRING
061 A 3124231189 FILLER
062 N 912004008102 LOCK WASHER
063 N 304032008006 NUT
065 A 0024207718 WHEEL BRAKE CYLINDER
Repalced by: A 0034207818
065 A 0034207818 WHEEL BRAKE CYLINDER
REAR WHEEL BRAKE
44.45 MM
066 A 0004232493 SPRING
067 A 0004232187 PROTECTIVE CAP
067D A 0004212987 PROTECTIVE CAP
SHEET METAL VERSION
068 A 0004231088 THRUST PIN
069 A 0004310265 VALVE
Repalced by: A 3075530107
069 A 3075530107 VALVE
070 A 3164210187 PROTECTIVE CAP
Repalced by: A 0004210887
070 A 0004210887 PROTECTIVE CAP
Repalced by: A 0004217187
070 A 0004217187 PROTECTIVE CAP
Repalced by: A 0004210887
070 A 0004210887 PROTECTIVE CAP
071 A 0005863142 REPAIR KIT
072 A 3024210020 PROTECTIVE PLATE
073 N 912004010102 LOCK WASHER
074 N 000933010164 SCREW
075 A 3584200417 BRAKE ANCHOR PLATE
Repalced by: A 3584200817
075 A 3584200817 BRAKE ANCHOR PLATE
LEFT
A 3584200517 BRAKE ANCHOR PLATE
Repalced by: A 3584200917
075 A 3584200917 BRAKE ANCHOR PLATE
RIGHT
080 A 3024270054 PIPE SOCKET
081 A 3124211068 INSPECTION HOLE COVER
082 A 3129900096 RIVET
083 A 3024230019 ADJUSTING PIN
Repalced by: A 3024230619
083 A 3024230619 ADJUSTING PIN
Repalced by: A 3025860042
083B A 3024210029 SLIDE
Repalced by: A 3024210129
083B A 3024210129 SLIDE
Repalced by: A 3024210229
083B A 3024210229 SLIDE
Repalced by: A 3024210329
083B A 3024210329 SLIDE
083D A 3124211073 LOCK
084 A 3129934901 SPRING
085 A 3029900340 WASHER
086 A 3529900050 NUT
Repalced by: A 3589900051
086 A 3589900051 NUT
087 A 3025860042 REPAIR KIT
Repalced by: A 3024202938
087 A 3024202938 REPAIR KIT
BRAKE READJUSTMENT
088 A 3584210073 LOCK
Repalced by: A 3584210173
088 A 3584210173 LOCK
090 A 3024210071 SCREW
091 N 000125013008 WASHER
092 N 912004012100 LOCK WASHER
093 N 000934012022 NUT
094 N 000961012190 SCREW
Repalced by: N 308676012012
094 N 308676012012 SCREW
BRAKE ANCHOR PLATE TO REAR AXLE
M 12X25 MM
094E N 308676012010 SCREW
BRAKE ANCHOR PLATE TO REAR AXLE
M 12X40 MM
094N N 912004012100 LOCK WASHER
BRAKE ANCHOR PLATE TO REAR AXLE
094R N 000934012023 NUT
Repalced by: N 308673012002
094R N 308673012002 NUT
BRAKE ANCHOR PLATE TO REAR AXLE
A 3414200620 BRAKE SHOE
Repalced by: A 3414200319
A 3414200720 BRAKE SHOE
Repalced by: A 3414200319
A 3414200820 BRAKE SHOE
Repalced by: A 3414200319
095 A 3414200319 BRAKE SHOE
Repalced by: A 3414201019
095 A 3414201019 BRAKE SHOE
098 A 3414230810 BRAKE LINING
(PARTS KIT) (BRAKE LINING
15.30 MM,8X 341 423 00 10)
098 A 3414234510 BRAKE LINING
(PARTS KIT) (ASBESTOS-FREE BRAKE LINING)
15.30 MM,8X 341 423 42 10)
098 A 3414230910 BRAKE LINING
(PARTS KIT) (BRAKE LINING
16.30 MM,8X 341 423 01 10)
098 A 3414234610 BRAKE LINING
(PARTS KIT) (ASBESTOS-FREE BRAKE LINING)
16.30 MM,8X 341 423 43 10)
098 A 3414231010 BRAKE LINING
(PARTS KIT) (BRAKE LINING
17.30 MM,8X 341 423 02 10)
098 A 3414234710 BRAKE LINING
(PARTS KIT) (ASBESTOS-FREE BRAKE LINING)
17.30 MM,8X 341 423 44 10)
100 A 3079900197 RIVET
A 3024210013 SHACKLE
Repalced by: A 3385860042
101 A 3385860042 REPAIR KIT
Repalced by: A 3384200289
101 A 3384200289 REPAIR KIT
BRAKE SHOE SHACKLE
102 A 3024210174 PIN
103 A 3124231174 PIN
Repalced by: A 3385860342
103R A 3385860342 REPAIR KIT
Repalced by: A 3384200082
103R A 3384200082 REPAIR KIT
BRAKE SHOE SHACKLE SPACER PIN
104 A 3024210052 SPACER WASHER
Repalced by: A 3385860342
105 A 3029930201 SPRING
Repalced by: A 3385860342
106 A 3124211073 LOCK
108 A 3024210118 PIVOT PIN
110 N 900055025301 LOCK RING
112 A 3029930310 SPRING
114 A 3029930610 SPRING
116 A 3024230018 PIVOT PIN
Repalced by: A 3024230518
116 A 3024230518 PIVOT PIN
BRAKE SHAFT TO BRAKE SHOE
117 N 000094004004 COTTER PIN
118 A 3414210174 PIN
Repalced by: A 3585860242
118 A 3415860042 REPAIR KIT
Repalced by: A 3585860242
119 A 3585860242 REPAIR KIT
Repalced by: A 3584200182
119 A 3584200182 REPAIR KIT
BRAKE SHOE MOUNTING BOLT
120 A 3124231089 FILLER
122 A 3129933801 SPRING
Repalced by: A 3529930501
122 A 3529930501 SPRING
124 A 3124231189 FILLER
126 N 912004008102 LOCK WASHER
128 N 304032008006 NUT
A 3024200119 THRUST SHACKLE
Repalced by: A 3024201419
130 A 3024201419 THRUST SHACKLE
Repalced by: A 3834200389
130 A 3834200389 SHACKLE
131 A 3024230074 PIN
Repalced by: A 3024230774
131 A 3024230774 PIN
THRUST SHACKLE TO BRAKE SHOE
132 N 000471018000 LOCK RING
133 A 3024230174 PIN
134 N 000094004065 COTTER PIN
135 A 3024230474 PIN
Repalced by: A 3024230874
135 A 3024230874 PIN
Repalced by: A 3024230974
135 A 3024230974 PIN
BRAKE SHAFT TO THRUST SHACKLE
136 A 3029940109 LOCK
137 N 912004008102 LOCK WASHER
138 N 000933008130 SCREW
Repalced by: N 304017008039
138 N 304017008039 SCREW
140 A 0024303601 BRAKE MASTER CYLINDER
Repalced by: A 0024302101
140 A 0024302101 BRAKE MASTER CYLINDER
TEVES
140 A 0024308401 BRAKE MASTER CYLINDER
SCHAEFER
141 A 0004310265 VALVE
Repalced by: A 3075530107
141 A 3075530107 VALVE
142 A 3164210187 PROTECTIVE CAP
Repalced by: A 0004210887
142 A 0004210887 PROTECTIVE CAP
Repalced by: A 0004217187
142 A 0004217187 PROTECTIVE CAP
Repalced by: A 0004210887
142 A 0004210887 PROTECTIVE CAP
143 N 007603040102 SEAL RING
TO 002 430 21 01,002 430 36 01
144 A 0004311075 THREADED UNION
TO 002 430 21 01,002 430 36 01
146 A 0004310760 SEAL RING
Repalced by: A 0004300381
146 A 0004300081 VALVE
Repalced by: A 0004300381
146 A 0004300381 VALVE
TO 002 430 21 01,002 430 36 01
147 A 0009930605 SPRING
TO 002 430 21 01,002 430 36 01
147C A 0004312983 PISTON
TO 002 430 21 01,36 01
148 A 0004311776 WASHER
TO 002 430 21 01,002 430 36 01
149 A 0004311176 WASHER
TO 002 430 21 01,36 01
149D A 0004310886 CUP
TO 002 430 21 01,36 01
150 A 0009941835 SNAP RING
TO 002 430 21 01,002 430 36 01
151 A 0004314293 SPRING
TO 002 430 21 01,002 430 36 01
152 A 0005864843 REPAIR KIT
TO 002 430 36 01,002 430 21 01
152 A 0015860243 REPAIR KIT
Repalced by: A 0004303183
152 A 0004303183 PISTON
TO 002 430 84 01
161 A 0004280026 HOLLOW SCREW
162 N 007603014405 SEAL RING
163 A 0004280124 DISTRIBUTOR
164 N 000934010014 NUT
Repalced by: N 304032010003
164 N 304032010003 NUT
MASTER CYLINDER TO BRAKE BOOSTER
165 N 912004010102 LOCK WASHER
MASTER CYLINDER TO BRAKE BOOSTER
166 A 3524310740 BRACKET
166 A 3524310940 BRACKET
167 N 000933010157 SCREW
167 N 000933010145 SCREW
MASTER CYLINDER BRACKET
168 N 000125010518 WASHER
Repalced by: N 000125010532
168 N 000125010532 WASHER
168D N 912004010102 LOCK WASHER
168K N 000934010014 NUT
Repalced by: N 304032010003
168K N 304032010003 NUT
170 A 0004312102 RESERVOIR
170 A 0014313702 RESERVOIR
172 A 0004315302 RESERVOIR
172 A 0004314702 RESERVOIR
172 A 0014312902 RESERVOIR
A 0004310933 FILLER CAP
Repalced by: A 0004315133
A 0004311333 FILLER CAP
Repalced by: A 0004315133
A 0004312033 FILLER CAP
Repalced by: A 0004315133
A 0004313133 FILLER CAP
Repalced by: A 0004315133
A 0004314333 FILLER CAP
Repalced by: A 0004315133
A 0004315133 FILLER CAP
Repalced by: A 0004315433
173 A 0004315433 FILLER CAP
BUTTRESS THREAD
A 0002950237 SCREW PLUG
Repalced by: A 0004315433
174 A 0009972940 SEAL RING
43.7X30 MM
174 A 0039976440 SEAL RING
42X21.5 MM
175 A 0004310034 STRAINER
Repalced by: A 0004313734
175 A 0004313734 STRAINER
Repalced by: A 0004314334
175 A 0004314334 STRAINER
TO 000 431 21 02,000 431 47 02
175 A 0004314334 STRAINER
TO 001 431 29 02
175 A 0004314334 STRAINER
TO 001 431 37 02
176 A 0004310743 CLAMP
176 A 0004311040 CLAMP
177 N 007603022102 SEAL RING
178 A 0009902188 BANJO UNION
179 A 0004280826 HOLLOW SCREW
180 A 3524281840 BRACKET
182 A 3524310284 SHIM
183 A 3604280053 SPACER TUBE
184 N 000931006016 SCREW
184E N 000137006204 SPRING WASHER
184N N 000934006007 NUT
185 N 000137006204 SPRING WASHER
186 N 000933006229 SCREW
188 A 0079979382 HOSE
Repalced by: A 0009978952
188 A 3604280002 LINE
Repalced by: A 0009978952
188 A 0079979482 HOSE
Repalced by: A 0009978952
188 A 0009978952 HOSE
70 MM
189 A 0009971473 FITTING
190 A 3609951301 CLAMP
Repalced by: A 3609951201
190 A 3609951201 CLAMP
191 A 3604292940 BRACKET
191E A 0019978490 LOOM TIE
192 A 0009973081 GROMMET
192 A 0009972281 GROMMET
194 A 3524201428 LINE
Repalced by: A 3404202429
194 A 3404202429 LINE
1350 MM
194 A 3524201528 LINE
Repalced by: A 3404203929
194 A 3404203929 LINE
2400 MM
196 A 3524201828 LINE
Repalced by: A 3404203929
196 A 3524203929 LINE
2400 MM
196 A 3524201928 LINE
Repalced by: A 3404202429
196 A 3404202429 LINE
1350 MM
198 A 3129970582 HOSE
SIDE MEMBER,FRONT
199 A 3859970081 GROMMET
SIDE MEMBER,FRONT
200 A 3524290740 BRACKET
BRACKET TO CROSS MEMBER BEHIND CAB
200 A 3524290740 BRACKET
BRACKET TO CROSS MEMBER BEHIND CAB
201 A 3604280243 ANGLE
BRACKET TO LEFT AND RIGHT SIDE MEMBERS
202 N 000933008147 SCREW
Repalced by: N 304017008021
202 N 304017008021 SCREW
BRACKET TO LEFT AND RIGHT SIDE MEMBERS
203 N 912004008102 LOCK WASHER
BRACKET TO LEFT AND RIGHT SIDE MEMBERS
203E N 304032008006 NUT
BRACKET TO LEFT AND RIGHT SIDE MEMBERS
204 A 3604280143 ANGLE
BRACKET TO LEFT AND RIGHT SIDE MEMBERS
205 N 000084006162 SCREW
Repalced by: A 0029903712
205 A 0029903712 SCREW
Repalced by: N 000000001149
205 N 000000001149 SCREW
LEFT AND RIGHT FRONT WHEEL BRAKE LINES
205E N 000125006421 WASHER
BRACKET TO LEFT AND RIGHT SIDE MEMBERS
205N N 912004006102 LOCK WASHER
BRACKET TO LEFT AND RIGHT SIDE MEMBERS
205R N 000934006007 NUT
BRACKET TO LEFT AND RIGHT SIDE MEMBERS
206 A 0009955501 CLAMP
Repalced by: A 3604300143
206 A 3604300143 CLAMP
Repalced by: N 916016008200
206 N 916016008200 CLAMP
Repalced by: N 000000000319
206 N 000000000319 CLAMP
BRAKE LINE MOUNTING
207 N 000084006107 SCREW
BRAKE LINE MOUNTING
207C N 912004006102 LOCK WASHER
BRAKE LINE MOUNTING
207L N 000934006007 NUT
BRAKE LINE MOUNTING
208 A 3464295540 BRACKET
Repalced by: A 3464296040
208 A 3464296040 BRACKET
BRACKET TO LEFT AND RIGHT SIDE MEMBERS
209 A 3129950935 CLAMP
BRAKE LINE MOUNTING
209D N 000084004102 SCREW
BRAKE LINE MOUNTING
209N N 000934004006 NUT
210 A 0004289135 BRAKE HOSE
Repalced by: A 0004288235
210 A 0004288235 BRAKE HOSE
550 MM
211 A 0014283235 BRAKE HOSE
Repalced by: A 0004288235
211 A 0004280473 BRACKET
Repalced by: A 6525040038
211 A 6525040038 MOUNTING PLATE
BRAKE HOSE TO BRACKET
212 A 3524282040 BRACKET
BRAKE HOSE,FRONT
213 N 000933008145 SCREW
BRAKE HOSE,FRONT
214 N 912004008102 LOCK WASHER
BRAKE HOSE,FRONT
215 N 304032008006 NUT
BRAKE HOSE,FRONT
217 A 3524206429 LINE
Repalced by: A 3404204529
217 A 3404204529 LINE
3600 MM
217 A 3524206529 LINE
Repalced by: A 3404204229
217 A 3404204229 LINE
3000 MM
217 A 3524206629 LINE
Repalced by: A 3404204829
217 A 3524206929 LINE
Repalced by: A 3404204829
217 A 3404204829 LINE
4200 MM
217 A 3404204829 LINE
4200 MM
217 A 3524206729 LINE
Repalced by: A 3404204529
217 A 3404204529 LINE
3600 MM
217 A 3524206829 LINE
Repalced by: A 3404205229
217 A 3404205229 LINE
4850 MM
217 A 3524207029 LINE
Repalced by: A 3404204329
217 A 3404204329 LINE
3200 MM
217 A 3524207129 LINE
Repalced by: A 3404204029
217 A 3404204029 LINE
2600 MM
220 A 3584203928 LINE
Repalced by: A 3404203229
220 A 3584204028 LINE
Repalced by: A 3404203229
220 A 3404203829 LINE
2200 MM
220 A 3584204128 LINE
Repalced by: A 3404203229
220 A 3584204228 LINE
Repalced by: A 3404203229
220 A 3404203229 LINE
1750 MM
222 A 3404202529 LINE
1400 MM
222 A 3404202529 LINE
1400 MM
222 A 3404201429 LINE
850 MM
222 A 3404201429 LINE
850 MM
224 A 0004280531 CONNECTOR
Repalced by: A 0004292736
224 A 0004292736 CONNECTOR
224 A 0004292736 CONNECTOR
225 A 3404204329 LINE
3200 MM
225 A 3404204029 LINE
2600 MM
225 A 3404203729 LINE
2000 MM
225 A 3404202929 LINE
1600 MM
226 A 3404204129 LINE
FROM CONNECTOR TO BRAKE POWER REGULATOR
2800 MM
226 A 3404203929 LINE
FROM CONNECTOR TO BRAKE POWER REGULATOR
2400
230 A 3584204328 LINE
Repalced by: A 3404202229
230 A 3404202229 LINE
FROM BRAKE POWER REGULATOR TO TEST CONNECTION
1250 MM
230 A 3404201229 LINE
FROM BRAKE POWER REGULATOR TO TEST CONNECTION
750 MM
232 A 0004311231 TEST CONNECTION
232 A 0004316631 TEST CONNECTION
233 N 000931006118 SCREW
TEST CONNECTION TO BRACKET
233F N 000125006421 WASHER
TEST CONNECTION TO BRACKET
233P N 913004006002 NUT
Repalced by: N 913004006001
233P N 913004006001 NUT
Repalced by: N 910113006000
233P N 910113006000 NUT
TEST CONNECTION TO BRACKET
234 A 3534200628 LINE
Repalced by: A 3404200329
234 A 3404200329 LINE
FROM TEST CONNECTION TO BRAKE HOSE BRACKET
300 MM
234 A 3404200529 LINE
FROM TEST CONNECTION TO BRAKE HOSE BRACKET
400 MM
235 A 3524281740 BRACKET
Repalced by: A 3184280240
235 A 3184280240 BRACKET
BRAKE LINE TO FRAME
235 A 3184280240 BRACKET
BRAKE LINE TO FRAME
236 N 000933008147 SCREW
Repalced by: N 304017008021
236 N 304017008021 SCREW
BRAKE LINE TO FRAME
237 N 912004008102 LOCK WASHER
BRAKE LINE TO FRAME
238 N 304032008006 NUT
BRAKE LINE TO FRAME
239 A 3604300143 CLAMP
Repalced by: N 916016008200
239 N 916016008200 CLAMP
Repalced by: N 000000000319
239 N 000000000319 CLAMP
BRAKE LINE TO FRAME 8 MM
240 A 3609950601 CLAMP
BRAKE LINE TO FRAME 18 MM
241E N 000084006180 SCREW
BRAKE LINE TO FRAME
241L N 912004006102 LOCK WASHER
BRAKE LINE TO FRAME
241Q N 000934006007 NUT
BRAKE LINE TO FRAME
242 A 0024280735 BRAKE HOSE
600 MM
242P A 0004280473 BRACKET
Repalced by: A 6525040038
242P A 6525040038 MOUNTING PLATE
243 A 3124281040 BRACKET
Repalced by: A 3834280140
243 A 3834280140 BRACKET
243N A 3224280140 BRACKET
244 N 000933008147 SCREW
Repalced by: N 304017008021
244 N 304017008021 SCREW
BRACKET TO FRAME
244E N 912004008102 LOCK WASHER
BRACKET TO FRAME
244N N 304032008006 NUT
BRACKET TO FRAME
245 A 0004290437 DISTRIBUTOR
245 A 0004294337 DISTRIBUTOR
246 N 000933008152 SCREW
Repalced by: N 304017008027
246 N 304017008027 SCREW
DISTRIBUTOR TO REAR AXLE
247 N 912004008102 LOCK WASHER
DISTRIBUTOR TO REAR AXLE
250 A 3594200028 LINE
Repalced by: A 3404202429
250 A 3524206828 LINE
Repalced by: A 3404202429
250 A 3404202429 LINE
FROM DISTRIBUTOR TO LEFT REAR WHEEL
1350 MM
251 A 3129951020 CLAMP
BRAKE LINE TO REAR AXLE
252 A 3129973482 HOSE
BRAKE LINE TO REAR AXLE
253 N 000933008212 SCREW
Repalced by: N 304017008016
253 N 304017008016 SCREW
BRAKE LINE TO REAR AXLE
254 N 912004008102 LOCK WASHER
BRAKE LINE TO REAR AXLE
255 A 3534200228 LINE
Repalced by: A 3404201029
255 A 3524207028 LINE
Repalced by: A 3404201029
255 A 3404201029 LINE
FROM DISTRIBUTOR TO RIGHT REAR WHEEL
650 MM
256 A 3604300143 CLAMP
Repalced by: N 916016008200
256 N 916016008200 CLAMP
Repalced by: N 000000000319
256 N 000000000319 CLAMP
BRAKE LINE TO REAR AXLE
257 A 3854294040 BRACKET
Repalced by: A 3812711640
257 A 3812711640 BRACKET
BRAKE LINE TO REAR AXLE
257C N 000933008290 SCREW
BRACKET TO REAR AXLE
257P N 912004008102 LOCK WASHER
BRACKET TO REAR AXLE
258 N 000084006197 SCREW
LINE TO BRACKET
258D N 913004006002 NUT
Repalced by: N 913004006001
258D N 913004006001 NUT
Repalced by: N 910113006000
258D N 910113006000 NUT
LINE TO BRACKET
260 N 007603022102 SEAL RING
AT AIR COMPRESSOR
260 N 007603022102 SEAL RING
AT AIR COMPRESSOR
260B N 074305022202 NUT
AT AIR COMPRESSOR
260H A 0009870446 SEALING CORD
AT AIR COMPRESSOR
260M A 0004290227 THRUST RING
Repalced by: A 0009940203
260M A 0009940203 THRUST RING
AT AIR COMPRESSOR
262 N 074313018201 FITTING
AT AIR COMPRESSOR
262 N 074313018201 FITTING
AT AIR COMPRESSOR
263 N 074301026202 ELBOW FITTING
263 N 074301026202 ELBOW FITTING
264 N 007603022102 SEAL RING
AT AIR COMPRESSOR
265 N 074305022202 NUT
AT AIR COMPRESSOR
266 A 0005516456 TUBE
FROM AIR COMPRESSOR TO ELBOW FITTING
18 MM
266 A 0005516456 TUBE
ELBOW FITTING TO PRESSURE REGULATOR
18 MM
267 N 915018018000 UNION NUT
TO 18-MM-DIA. COMPRESSED AIR LINES
268 N 003861018003 GLAND
Repalced by: A 0019901167
268 A 0019901167 SEAL CONE
TO 18-MM-DIA. COMPRESSED AIR LINES
269 N 915065018101 THRUST RING
TO 18-MM-DIA. COMPRESSED AIR LINES
270 N 915045014100 SEAL RING
TO 18-MM-DIA. COMPRESSED AIR LINES
272 A 0009955801 CLAMP
LINE TO CAB
272B N 000933006102 SCREW
LINE TO CAB
272D N 912004006102 LOCK WASHER
LINE TO CAB
272K N 000934006007 NUT
LINE TO CAB
274 A 0009903371 ELBOW FITTING
274 A 0009903371 ELBOW FITTING
275 N 074305026202 NUT
275 N 074305026202 NUT
282 A 0004290201 LINE
Repalced by: A 0005516256
282 A 0005516256 TUBE
FROM PRESSURE REGULATOR TO AIR RESERVOIR
15 MM
282 A 0005516256 TUBE
FROM AIR RESERVOIR TO BRAKE BOOSTER, "SUPPLY"
15 MM
282 A 0005516256 TUBE
FROM AIR RESERVOIR TO CROSS FITTING
15 MM
282 A 0005516256 TUBE
FROM BRAKE BOOSTER TO TRAILER BRAKE VALVE
15 MM
283 N 915018015000 UNION NUT
TO 15-MM-DIA. COMPRESSED AIR LINES
284 N 003861015004 GLAND
TO 15-MM-DIA. COMPRESSED AIR LINES
285 N 915065015101 THRUST RING
TO 15-MM-DIA. COMPRESSED AIR LINES
286 N 915045012100 SEAL RING
Repalced by: N 007603012121
286 N 007603012121 SEAL RING
TO 15-MM-DIA. COMPRESSED AIR LINES
288 A 0004292837 DISTRIBUTOR
290 N 007603022102 SEAL RING
290 N 007603022102 SEAL RING
291 N 074313018201 FITTING
291 N 074313018201 FITTING
292 A 0004290227 THRUST RING
Repalced by: A 0009940203
292 A 0009940203 THRUST RING
293 A 0009870446 SEALING CORD
294 N 074305022202 NUT
295 N 074301026202 ELBOW FITTING
296 A 3129974282 HOSE
A 3124293340 BRACKET
300 A 3609950501 CLAMP
Repalced by: A 3609952001
300 A 3609952001 CLAMP
Repalced by: A 6739950001
300 A 6739950001 CLAMP
300E N 000084006107 SCREW
301 N 912004006102 LOCK WASHER
301C N 000934006007 NUT
303 A 3129952420 CLAMP
Repalced by: A 1109950401
303 A 1109950401 CLAMP
COMPRESSED AIR LINE TO FRAME
A 0009955701 CLAMP
Repalced by: A 3609952001
303D A 3609952001 CLAMP
Repalced by: A 6739950001
303D A 6739950001 CLAMP
COMPRESSED AIR LINE TO FRAME
303M N 000084006197 SCREW
COMPRESSED AIR LINE TO FRAME
303R N 912004006102 LOCK WASHER
COMPRESSED AIR LINE TO FRAME
304 N 000934006007 NUT
COMPRESSED AIR LINE TO FRAME
306 A 0004314006 VALVE
Repalced by: A 0004319106
306 A 0004319106 PRESSURE REGULATOR
BOSCH
306 A 0004319106 PRESSURE REGULATOR
BOSCH
306 A 0004314906 VALVE
Repalced by: A 0004319206
306 A 0004319206 PRESSURE REGULATOR
Repalced by: A 0004319106
306 A 0004319106 PRESSURE REGULATOR
BOSCH
306 A 0004319106 PRESSURE REGULATOR
BOSCH
307 A 0004318360 SEAL RING
308 A 0007630253 SLEEVE
Repalced by: A 0007630553
308 A 0007630553 SLEEVE
309 A 0004311434 STRAINER
310 A 0004310681 VALVE DISC
311 A 0004311381 VALVE DISC
312 A 0004311081 VALVE DISC
315 A 0004314787 PROTECTIVE CAP
Repalced by: A 0009979486
315 A 0009979486 PLUG
316 A 0014314106 PRESSURE REGULATOR
Repalced by: A 0024313506
316 A 0024313506 PRESSURE REGULATOR
Repalced by: A 0024315906
316 A 0024315906 PRESSURE REGULATOR
"BOSCH"
316 A 0014314306 PRESSURE REGULATOR
Repalced by: A 0024316006
316 A 0014312206 PRESSURE REGULATOR
Repalced by: A 0024316006
316 A 0024316006 PRESSURE REGULATOR
Repalced by: A 0024315906
316 A 0024315906 PRESSURE REGULATOR
"WESTINGHOUSE"
316D A 0025864143 REPAIR KIT
TO 000 431 92 06/40 06/49 06
316D A 0025864143 REPAIR KIT
BOSCH 0 481 039 012/007/008
316D A 0025865043 REPAIR KIT
TO 000 431 92 06/91 06/40 06/49 06
316D A 0025865043 REPAIR KIT
BOSCH 0 481 039 012/007/008/011
316D A 0025864243 REPAIR KIT
TO 000 431 91 06,BOSCH 0 481 039 011
A 0015868543 REPAIR KIT
Repalced by: A 0004301407
A 0004301407 REPAIR KIT
TO 001 431 41 06,BOSCH 0 481 039 102
A 0015864343 REPAIR KIT
Repalced by: A 0004301107
A 0004301107 REPAIR KIT
TO 001 431 22 06,WEST. 975 300 111 0
A 0024304681 REPAIR KIT
VALVE KIT
TO 001 431 22 06,WEST. 975 300 111 0
A 0014304960 REPAIR KIT
TO 002 431 60 06,WEST.975 303 440 0
316E A 0004301768 REPAIR KIT
DIAPHRAGM
TO 002 431 35 06,BOSCH 0 481 039 222
316E A 0004301768 REPAIR KIT
DIAPHRAGM
TO 002 431 59 06,BOSCH 0 481 039 202
316K A 0004307960 REPAIR KIT
TIRE INFLATING CONNECTION
TO 002 431 35 06,BOSCH 0 481 039 222
316K A 0004307960 REPAIR KIT
TIRE INFLATING CONNECTION
TO 002 431 59 06,BOSCH 0 481 039 202
317 N 900271015038 HOSE
400 MM
318 N 900262005100 LOOM TIE
319 N 900263005002 STRAP
320 A 3524313240 BRACKET
Repalced by: A 3524315340
320 A 3524313340 BRACKET
Repalced by: A 3524315340
320 A 3524315340 BRACKET
320 A 3524315340 BRACKET
A 3524311740 BRACKET
PRESSURE REGULATOR TO FRAME
321 A 3524316340 BRACKET
PRESSURE REGULATOR TO FRAME
322 N 000933008153 SCREW
Repalced by: N 304017008034
322 N 304017008034 SCREW
PRESSURE REGULATOR TO FRAME
323 N 000125008418 WASHER
Repalced by: N 000125008443
323 N 000125008443 WASHER
PRESSURE REGULATOR TO FRAME
324 N 913004008004 NUT
Repalced by: N 913004008001
324 N 913004008001 NUT
PRESSURE REGULATOR TO FRAME
325 N 000931008047 SCREW
Repalced by: N 304017008018
325 N 304017008018 SCREW
BRACKET TO FIRE WALL
326 N 912004008102 LOCK WASHER
BRACKET TO FIRE WALL
327 N 000931008228 SCREW
Repalced by: N 000933008134
327 N 000933008134 SCREW
PRESSURE REGULATOR TO BRACKET
328 N 913004008004 NUT
Repalced by: N 913004008001
328 N 913004008001 NUT
PRESSURE REGULATOR TO BRACKET
329 N 074313018201 FITTING
329 N 074313018201 FITTING
329 N 074313018201 FITTING
329L N 007603022102 SEAL RING
329L N 007603022102 SEAL RING
330 A 0004290227 THRUST RING
Repalced by: A 0009940203
330 A 0009940203 THRUST RING
AT PRESSURE REGULATOR
331 A 0009870446 SEALING CORD
AT PRESSURE REGULATOR
332 N 074305022202 NUT
AT PRESSURE REGULATOR
333 N 074301022203 ELBOW FITTING
PRESSURE REGULATOR,CONNECTION "21"
333F A 0004293238 ELBOW FITTING
PRESSURE REGULATOR,CONNECTION "1"
333F A 0004293238 ELBOW FITTING
PRESSURE REGULATOR,CONNECTION "1"
334 A 3214300205 RESERVOIR
Repalced by: A 0034322501
334 A 0034322501 RESERVOIR
40 L
334 A 3274300005 RESERVOIR
Repalced by: A 0034322701
334 A 0034322701 RESERVOIR
335 A 3224308605 RESERVOIR
7+33 L
335 A 3584301105 RESERVOIR
7+33 L
A 0009970934 UNION SCREW
AIR RESERVOIR,CONNECTIONS:
338 N 074298022203 DOUBLE FITTING
AT AIR RESERVOIR
340 N 007603022102 SEAL RING
AT AIR RESERVOIR
342 N 074302022202 T-FITTING
AT AIR RESERVOIR
343 N 074305022202 NUT
AT AIR RESERVOIR
344 A 0009870446 SEALING CORD
AT AIR RESERVOIR
345 A 0004290227 THRUST RING
Repalced by: A 0009940203
345 A 0009940203 THRUST RING
AT AIR RESERVOIR
348 N 007603022102 SEAL RING
AT AIR RESERVOIR
349 A 0004320607 VALVE
Repalced by: A 0004321107
349 A 0004321107 VALVE
AIR RESERVOIR DRAIN
350 A 0004322107 VALVE
AIR RESERVOIR DRAIN
350 A 0004322407 VALVE
AIR RESERVOIR DRAIN
350 A 3734327007 VALVE
AIR RESERVOIR DRAIN
351 A 0005830296 RING
DRAIN VALVE
TO 000 432 08 07
A 3224300111 CONSOLE
Repalced by: A 3224320215
353 A 3224320215 CONSOLE
AT AIR RESERVOIR
353 A 3224320115 CONSOLE
AT AIR RESERVOIR
353 A 3584300111 CONSOLE
AT AIR RESERVOIR
353 A 3584320315 CONSOLE
AT AIR RESERVOIR
354 A 3534300011 CONSOLE
AT AIR RESERVOIR
355 N 000961012151 SCREW
AIR RESERVOIR CONSOLE TO SIDE MEMBER
M 12X1.5X30
355 N 000961012052 SCREW
Repalced by: N 308676012012
355 N 308676012012 SCREW
AIR RESERVOIR CONSOLE TO SIDE MEMBER
M 12X1.5X25
355 N 000961014100 SCREW
AIR RESERVOIR CONSOLE TO SIDE MEMBER
M 14X1.5X30
355 N 000961014050 SCREW
Repalced by: N 308676014020
355 N 308676014020 SCREW
AIR RESERVOIR CONSOLE TO SIDE MEMBER
M 14X1.5X35
355 N 000961014028 SCREW
AIR RESERVOIR CONSOLE TO SIDE MEMBER
M 14X1.5X40
356 N 000961012122 SCREW
AIR RESERVOIR CONSOLE TO SIDE MEMBER
358 A 3524320151 SPACER RING
AIR RESERVOIR CONSOLE TO SIDE MEMBER
359 N 000961012097 SCREW
Repalced by: N 308676012026
359 N 308676012026 SCREW
AIR RESERVOIR CONSOLE TO SIDE MEMBER
359C A 3529900640 WASHER
AIR RESERVOIR CONSOLE TO SIDE MEMBER
359C A 3609901740 WASHER
Repalced by: A 3859900440
359C A 3859900440 WASHER
Repalced by: A 3379900440
359C A 3379900440 WASHER
AIR RESERVOIR CONSOLE TO SIDE MEMBER
360 N 912004012100 LOCK WASHER
AIR RESERVOIR CONSOLE TO SIDE MEMBER
362 N 000934012022 NUT
AIR RESERVOIR CONSOLE TO SIDE MEMBER
362 N 910113012002 NUT
AIR RESERVOIR CONSOLE TO SIDE MEMBER
362 N 913004014002 NUT
Repalced by: N 910113014001
362 N 910113014001 NUT
AIR RESERVOIR CONSOLE TO SIDE MEMBER
365 A 3589870014 RUBBER STRIP
Repalced by: A 0009870814
365 A 3219870214 RUBBER STRIP
Repalced by: A 0009870814
365 A 0009870814 RUBBER STRIP
RUBBER PAD
366 A 3224300240 STRAP
367 A 3584300140 STRAP
Repalced by: A 3464305140
367 A 3464305140 STRAP
367 A 3464305140 STRAP
368 A 3584320119 BASE
368 A 3584320119 BASE
369 N 000931010282 SCREW
369 N 000961012052 SCREW
Repalced by: N 308676012012
369 N 308676012012 SCREW
369 N 308676012012 SCREW
370 N 912004012100 LOCK WASHER
370 N 912004012100 LOCK WASHER
371 N 000934010014 NUT
Repalced by: N 304032010003
371 N 304032010003 NUT
371 N 304032010003 NUT
371 N 304032010003 NUT
371 N 304032010003 NUT
372 N 000934012022 NUT
372 N 000934012022 NUT
374 N 001434010024 PIN
STRAP TO CONSOLE
374D N 000094003219 COTTER PIN
STRAP TO CONSOLE
375 N 007604022201 SCREW PLUG
375N N 007603022102 SEAL RING
376 A 0009870446 SEALING CORD
377 A 0004290227 THRUST RING
Repalced by: A 0009940203
377 A 0009940203 THRUST RING
378 N 074305022202 NUT
379 N 074301022301 ELBOW FITTING
380 N 007603022102 SEAL RING
382 N 074313016401 FITTING
Repalced by: A 0019972372
382 A 0019972372 FITTING
384 N 074302022207 T-FITTING
385 N 074305022202 NUT
386 A 0004290227 THRUST RING
Repalced by: A 0009940203
386 A 0009940203 THRUST RING
387 A 0009870446 SEALING CORD
389 A 0014290244 VALVE
Repalced by: A 0014296144
389 A 0004298344 VALVE
Repalced by: A 0014294644
389 A 0014294644 VALVE
389 A 0004295544 VALVE
392 A 0004290049 BUSHING
TO 001 429 02 44,000 429 83 44
393 N 000472020000 LOCK RING
394 A 0014310793 SPRING
TO 001 429 02 44,000 429 83 44
395 A 0004310328 DIAPHRAGM
TO 001 429 02 44,000 429 83 44
395E N 000127006100 LOCK WASHER
TO 001 429 02 44,000 429 83 44
400 A 0004290044 VALVE
Repalced by: A 0014294144
400 A 0004299444 VALVE
Repalced by: A 0014294144
400 A 0014296144 VALVE
Repalced by: A 0024297244
400 A 0014294144 VALVE
Repalced by: A 0024297244
400 A 0024297244 VALVE
OVERFLOW VALVE
WESTINGHOUSE
400 A 0024297244 VALVE
OVERFLOW VALVE
WESTINGHOUSE
402 A 0004290082 VALVE
TO 000 429 94 44
404 A 0004290193 SPRING
TO 000 429 94 44
406 A 0004290092 VALVE NIPPLE
TO 000 429 94 44
408 A 0004290073 LOCK
TO 000 429 94 44
410 A 0004290045 DIAPHRAGM
TO 000 429 94 44
412 A 0004290062 THRUST WASHER
TO 000 429 94 44
414 A 0004290293 SPRING
TO 000 429 94 44
416 A 0004290089 SPRING RETAINER
TO 000 429 94 44
417 A 0004290145 DIAPHRAGM
A 0004290382 VALVE
A 0005863642 REPAIR KIT
Repalced by: A 0005865842
418 A 0005865842 REPAIR KIT
TO 000 429 83 44
419 A 0015862642 REPAIR KIT
TO 001 429 41 44
420 A 0015862042 REPAIR KIT
TO 001 429 46 44,001 429 61 44
420 A 0015862042 REPAIR KIT
TO 002 429 72 44
425 A 0009870446 SEALING CORD
AT OVERFLOW VALVE
426 A 0004290227 THRUST RING
Repalced by: A 0009940203
426 A 0009940203 THRUST RING
AT OVERFLOW VALVE
427 N 074305022202 NUT
AT OVERFLOW VALVE
430 N 074301022203 ELBOW FITTING
AT OVERFLOW VALVE
431 N 007603022102 SEAL RING
AT OVERFLOW VALVE
432 N 074298022203 DOUBLE FITTING
AT OVERFLOW VALVE
435 N 074298022201 DOUBLE FITTING
AT OVERFLOW VALVE
440 N 007603022102 SEAL RING
AT OVERFLOW VALVE
441 N 074301022201 ELBOW FITTING
AT OVERFLOW VALVE
442 N 074305022202 NUT
AT OVERFLOW VALVE
443 A 0004290227 THRUST RING
Repalced by: A 0009940203
443 A 0009940203 THRUST RING
AT OVERFLOW VALVE
444 A 0009870446 SEALING CORD
AT OVERFLOW VALVE
445 A 0009870446 SEALING CORD
AT AIR RESERVOIR
446 A 0004290227 THRUST RING
Repalced by: A 0009940203
446 A 0009940203 THRUST RING
AT AIR RESERVOIR
448 N 074305022202 NUT
AT AIR RESERVOIR
450 N 074301022203 ELBOW FITTING
AT AIR RESERVOIR
451 N 007603022102 SEAL RING
AT AIR RESERVOIR
452 N 074298022201 DOUBLE FITTING
AT AIR RESERVOIR
454 A 0004311675 THREADED UNION
AT BRAKE BOOSTER
454 A 0004311675 THREADED UNION
AT BRAKE BOOSTER
455 A 3529970272 FITTING
AT BRAKE BOOSTER
456 A 3529900071 ELBOW FITTING
AT BRAKE BOOSTER
456H N 000936010010 NUT
AT BRAKE BOOSTER
457 N 080705016003 NUT
AT BRAKE BOOSTER
A 0029971640 SEAL RING
Repalced by: A 0009971548
458 A 0009971548 SEAL RING
AT BRAKE BOOSTER
459 A 0004310051 SPACER RING
AT BRAKE BOOSTER
460 A 0004311314 BRAKE BOOSTER
Repalced by: A 0004318814
460 A 0004316114 BRAKE BOOSTER
Repalced by: A 0004318814
460 A 0004318814 BRAKE CYLINDER
462 A 0004317186 CUP
465 A 0004312886 SEAL RING
466 A 0004315583 PISTON
467 A 0004317060 SEAL RING
468 A 0003270032 VALVE PART
470 A 0004317160 SEAL RING
Repalced by: A 0004319460
470 A 0004319460 SEAL RING
471 A 0004289435 BRAKE HOSE
Repalced by: A 0004289535
471 A 0004289535 BRAKE HOSE
505 MM
471C N 007603014405 SEAL RING
471L A 0025860143 REPAIR KIT
TO 000 431 88 14
472 A 3604310267 YOKE
AT BRAKE BOOSTER
473 N 000936010010 NUT
AT BRAKE BOOSTER
474 A 3524300211 CONSOLE
BRAKE BOOSTER
474 A 3604302011 CONSOLE
BRAKE BOOSTER
474 A 3524300311 CONSOLE
BRAKE BOOSTER
474 A 3604302111 CONSOLE
BRAKE BOOSTER
476 N 000933010105 SCREW
Repalced by: N 304017010019
476 N 304017010019 SCREW
CONSOLE TO SIDE MEMBER
476 N 000933010157 SCREW
CONSOLE TO FRAME SIDE MEMBER
477 N 912004010102 LOCK WASHER
CONSOLE TO SIDE MEMBER
477 N 912004010102 LOCK WASHER
CONSOLE TO SIDE MEMBER
478 N 000934010014 NUT
Repalced by: N 304032010003
478 N 304032010003 NUT
CONSOLE TO SIDE MEMBER
480 N 000933010129 SCREW
Repalced by: N 304017010002
480 N 304017010002 SCREW
BRAKE BOOSTER TO CONSOLE
482 N 912004010102 LOCK WASHER
BRAKE BOOSTER TO CONSOLE
484 A 3524300223 LEVER
Repalced by: A 3524301323
484 A 3524301323 LEVER
BRAKE BOOSTER
485 A 3529920801 BUSHING
488 A 3524310074 PIN
DOUBLE LEVER TO CONSOLE
488 A 3604310074 PIN
DOUBLE LEVER TO CONSOLE
489 N 071412010100 GREASE NIPPLE
DOUBLE LEVER TO CONSOLE
490 N 000471030000 LOCK RING
DOUBLE LEVER TO CONSOLE
492 A 3149940101 LOCK
DOUBLE LEVER TO CONSOLE
493 N 912004008102 LOCK WASHER
DOUBLE LEVER TO CONSOLE
494 N 000933008005 SCREW
DOUBLE LEVER TO CONSOLE
495 N 001434010009 PIN
495 A 3529910007 PIN
496 N 000094003001 COTTER PIN
498 A 3529930010 SPRING
Repalced by: A 3609930210
498 A 3529931010 SPRING
Repalced by: A 3609930210
498 A 3609930210 SPRING
499 N 074301022203 ELBOW FITTING
AT TRAILER BRAKE VALVE
500 N 074305022202 NUT
AT TRAILER BRAKE VALVE
501 A 0009870446 SEALING CORD
AT TRAILER BRAKE VALVE
502 A 0004290227 THRUST RING
Repalced by: A 0009940203
502 A 0009940203 THRUST RING
AT TRAILER BRAKE VALVE
503 N 074298022203 DOUBLE FITTING
AT TRAILER BRAKE VALVE
503 N 074298022203 DOUBLE FITTING
AT TRAILER BRAKE VALVE
505 N 007603022102 SEAL RING
AT TRAILER BRAKE VALVE
505 N 007603022102 SEAL RING
AT TRAILER BRAKE VALVE
506 A 0004314405 BRAKE VALVE
506 A 0004316105 BRAKE VALVE
508 A 0004313086 CUP
509 A 0004312976 WASHER
511 A 0004350390 VALVE DISC
ASSEMBLY
512 A 3524311540 BRACKET
512 A 3524311640 BRACKET
513 N 912004010102 LOCK WASHER
TRAILER BRAKE VALVE TO BRACKET
514 N 000934010014 NUT
Repalced by: N 304032010003
514 N 304032010003 NUT
TRAILER BRAKE VALVE TO BRACKET
520 N 900331008262 PULL ROD
Repalced by: N 900331008420
520 N 900331008420 PULL ROD
521 N 304032008006 NUT
522 N 071805013203 BALL SOCKET
523 N 071805013302 SNAP RING
524 N 071803013102 BALL PIVOT
526 N 071805013402 SECURING CLIP
528 N 912004008102 LOCK WASHER
529 N 304032008006 NUT
529C N 074301022203 ELBOW FITTING
TO CONNECT COMPRESSED AIR LINES TO SHUT-OFF COCK
529D N 074305022202 NUT
TO CONNECT COMPRESSED AIR LINES TO SHUT-OFF COCK
529F A 0004290227 THRUST RING
Repalced by: A 0009940203
529F A 0009940203 THRUST RING
TO CONNECT COMPRESSED AIR LINES TO SHUT-OFF COCK
529L A 0009870446 SEALING CORD
TO CONNECT COMPRESSED AIR LINES TO SHUT-OFF COCK
530 N 007603022102 SEAL RING
AT SHUT-OFF COCK
531 N 074298022203 DOUBLE FITTING
AT SHUT-OFF COCK
533 A 0004290631 SHUT-OFF COCK
Repalced by: A 0004291431
533 A 0004291431 SHUT-OFF COCK
533 A 0004291631 SHUT-OFF COCK
534 A 0004290278 HANDLE
TO 000 429 06 31
A 0009974077 HANDLE
TO 000 429 16 31
534E N 001473004003 GROOVED PIN
TO 000 429 06 31
535 A 0004290162 THRUST WASHER
TO 000 429 06 31
536 A 0004290284 SEAL RING
TO 000 429 06 31
A 0004292684 SEAL RING
TO 000 429 16 31
A 0119976748 SEAL RING
TO 000 429 16 31
537 A 0004290085 SEAL HOLDER
TO 000 429 06 31
538 A 0004290393 SPRING
TO 000 429 06 31
A 0004292293 SPRING
TO 000 429 16 31
A 0004292393 SPRING
TO 000 429 16 31
539 N 007603038300 SEAL RING
TO 000 429 06 31
540 A 0005910156 SCREW PLUG
TO 000 429 06 31
541 A 0005866342 REPAIR KIT
TO 000 429 14 31
541P N 007603022102 SEAL RING
AT SHUT-OFF COCK
A 0004290141 FITTING
Repalced by: N 074304022201
542 N 074304022201 FITTING
AT SHUT-OFF COCK
545 A 0004290181 GROMMET
AT SHUT-OFF COCK
546 N 000963008045 SCREW
SHUT-OFF COCK TO BRACKET
547 N 912004008102 LOCK WASHER
SHUT-OFF COCK TO BRACKET
548 N 304032008006 NUT
SHUT-OFF COCK TO BRACKET
550 A 3224290640 BRACKET
553 A 3224290740 BRACKET
554 A 3524291140 BRACKET
555 N 000933010164 SCREW
BRACKET TO FRAME SIDE MEMBER
556 N 007603012405 SEAL RING
BRACKET TO FRAME SIDE MEMBER
557 N 000934010014 NUT
Repalced by: N 304032010003
557 N 304032010003 NUT
BRACKET TO FRAME SIDE MEMBER
X XXXXXXXXXXXX PART NAME MISSING
LOAD-DEPENDING BRAKE
560 A 0004290701 LINE
Repalced by: A 0004296201
560 A 0004296201 LINE
6 MM
560 A 0004296201 LINE
FROM CROSS FITTING TO OVERFLOW VALVE
6 MM
560 A 0004296201 LINE
FROM OVERFLOW VALVE TO PRESSURE SENDER UNIT
6 MM
560 A 0004296201 LINE
FROM PRESSURE SENDER UNIT TO BRAKE POWER SENDER UNIT
6 MM
562 N 915017006100 UNION NUT
563 N 003861006007 GLAND
Repalced by: A 0019901667
563 A 0019901667 SEAL CONE
565 A 3125421039 PLATE
COMPRESSED AIR LINE TO FRAME
566 A 3125421139 PLATE
COMPRESSED AIR LINE TO FRAME
567 A 3129950332 CLAMP
Repalced by: A 3609950101
567 A 3609950101 CLAMP
COMPRESSED AIR LINE TO FRAME
568 A 3129950033 CLAMP
COMPRESSED AIR LINE TO FRAME
568P N 007985005106 SCREW
COMPRESSED AIR LINE TO FRAME
569 N 000127004206 LOCK WASHER
COMPRESSED AIR LINE TO FRAME
569C N 000934004006 NUT
COMPRESSED AIR LINE TO FRAME
570 N 074302022202 T-FITTING
AT AIR RESERVOIR
571 N 007603022102 SEAL RING
AT OVERFLOW VALVE
572 A 0004293034 ADAPTER FITTING
AT OVERFLOW VALVE
573 A 0009870446 SEALING CORD
AT OVERFLOW VALVE
574 A 0004290227 THRUST RING
Repalced by: A 0009940203
574 A 0009940203 THRUST RING
AT OVERFLOW VALVE
575 N 074305022202 NUT
AT OVERFLOW VALVE
576 A 3609900071 ELBOW FITTING
AT OVERFLOW VALVE
A 0004297544 VALVE
Repalced by: A 0014296444
576C A 0014296444 VALVE
576E A 0024290844 VALVE
(OVERFLOW VALVE)
577 A 0024296944 VALVE
(OVERFLOW VALVE)
GRAU
577K A 0024290944 VALVE
(OVERFLOW VALVE)
WESTINGHOUSE
578 A 0034290344 VALVE
(OVERFLOW VALVE)
KNORR
578D A 0004290545 DIAPHRAGM
TO 002 429 09 44
578H A 0004290945 DIAPHRAGM
TO 003 429 03 44
A 0005863642 REPAIR KIT
Repalced by: A 0005865842
578P A 0005865842 REPAIR KIT
TO 000 429 75 44
579 A 0015862042 REPAIR KIT
TO 001 429 64 44
579N A 0015862642 REPAIR KIT
TO 002 429 08 44
580 A 3524312640 BRACKET
OVERFLOW VALVE TO BRACKET,AND BRACKET TO CROSS MEMBER
581 N 007985006109 SCREW
OVERFLOW VALVE TO BRACKET,AND BRACKET TO CROSS MEMBER
582 N 000933008145 SCREW
OVERFLOW VALVE TO BRACKET,AND BRACKET TO CROSS MEMBER
583 N 912004008102 LOCK WASHER
OVERFLOW VALVE TO BRACKET,AND BRACKET TO CROSS MEMBER
584 N 304032008006 NUT
OVERFLOW VALVE TO BRACKET,AND BRACKET TO CROSS MEMBER
585 N 074298012202 DOUBLE FITTING
Repalced by: A 0019972872
585 A 0019972872 FITTING
Repalced by: A 0039979072
585 A 0039979072 FITTING
Repalced by: A 0029906071
585 A 0029906071 FITTING
586 N 007603012405 SEAL RING
588 A 0004315806 VALVE
Repalced by: A 0004318606
588 A 0004318606 PRESSURE SENDER UNIT
589 A 0003270032 VALVE PART
590 A 0004314883 PISTON
592 A 3524312340 BRACKET
592L N 000933010128 SCREW
BRACKET TO CROSS MEMBER
592Q N 912004010102 LOCK WASHER
BRACKET TO CROSS MEMBER
593 N 000934010014 NUT
Repalced by: N 304032010003
593 N 304032010003 NUT
BRACKET TO CROSS MEMBER
593L N 000931008228 SCREW
Repalced by: N 000933008134
593L N 000933008134 SCREW
PRESSURE SENDER UNIT TO BRACKET
593R N 912004008102 LOCK WASHER
PRESSURE SENDER UNIT TO BRACKET
594 N 304032008006 NUT
PRESSURE SENDER UNIT TO BRACKET
595 A 3534300292 ROD
Repalced by: N 900331008420
595 N 900331008262 PULL ROD
Repalced by: N 900331008420
595 N 900331008420 PULL ROD
596 A 0004310267 YOKE
Repalced by: A 0004310467
596 A 0004310467 YOKE
Repalced by: A 0004310667
596 A 0004310667 YOKE
597 N 304032008006 NUT
598 A 3524315140 BRACKET
599 N 000933008154 SCREW
Repalced by: N 304017008021
599 N 304017008021 SCREW
BRACKET TO REAR AXLE HOUSING
600 N 912004008102 LOCK WASHER
BRACKET TO REAR AXLE HOUSING
600N N 304032008006 NUT
BRACKET TO REAR AXLE HOUSING
601 N 912004008102 LOCK WASHER
OPERATING ROD TO PRESSURE SENDER UNIT AND TO BRACKET
601E N 304032008006 NUT
OPERATING ROD TO PRESSURE SENDER UNIT AND TO BRACKET
602 N 074298012202 DOUBLE FITTING
Repalced by: A 0019972872
602 A 0019972872 FITTING
Repalced by: A 0039979072
602 A 0039979072 FITTING
Repalced by: A 0029906071
602 A 0029906071 FITTING
603 N 007603012405 SEAL RING
604 A 0004312912 BRAKE PRESSURE REGULATOR
Repalced by: A 0004314212
604 A 0004314212 BRAKE PRESSURE REGULATOR
A 0004314160 SEAL RING
605 A 0004315786 CUP
606 A 0004314060 SEAL RING
Repalced by: A 0129975448
606 A 0129975448 SEAL RING
607 A 0079979346 SEAL RING
Repalced by: A 0004318560
607 A 0004318560 SEAL RING
TO RIGHT PISTON IN REGULATOR VALVE
608 A 0079979246 SEAL RING
Repalced by: A 0004318660
608 A 0004318660 SEAL RING
TO LEFT PISTON IN REGULATOR VALVE
609 A 0004310968 VALVE PART
Repalced by: A 0004311068
609 A 0004311068 VALVE PART
612 A 0004314412 BRAKE PRESSURE REGULATOR
613 A 0004312713 GUIDE BUSHING
614 A 0004316583 PISTON
A 0014312160 SEAL RING
615 A 0109975845 SEAL RING
616 A 0004310949 GUIDE BUSHING
A 0014315693 SPRING
617 A 0004318760 FELT STRIP
A 0079816310 NEEDLE BEARING
618 A 0089975646 SEAL RING
A 0014312260 SEAL RING
619 A 0004318560 SEAL RING
A 0014315493 SPRING
622 A 0004310968 VALVE PART
Repalced by: A 0004311068
622 A 0004311068 VALVE PART
622C A 0014315793 SPRING
623 A 0004318660 SEAL RING
625 A 0004311049 GUIDE BUSHING
626 A 0029937201 SPRING
626C A 0014315293 SPRING
626F N 007603018101 SEAL RING
627 A 0004310465 VALVE
Repalced by: A 0004310265
627 A 0004310265 VALVE
Repalced by: A 3075530107
627 A 3075530107 VALVE
628 A 3604311140 BRACKET
629 A 3604311540 BRACKET
Repalced by: A 3604300339
629 A 3604300339 SUPPORT
629C N 000960012216 SCREW
Repalced by: N 308765012007
629C N 308765012007 SCREW
BRAKE POWER REGULATOR TO FRAME
629F N 912004012100 LOCK WASHER
BRAKE POWER REGULATOR TO FRAME
629L N 000934012022 NUT
BRAKE POWER REGULATOR TO FRAME
630 N 000931010093 SCREW
BRAKE POWER REGULATOR TO FRAME
631 N 912004010102 LOCK WASHER
BRAKE POWER REGULATOR TO FRAME
632 N 913004010008 NUT
Repalced by: N 910113010000
632 N 910113010000 NUT
BRAKE POWER REGULATOR TO FRAME
636 N 000961012122 SCREW
SUPPORT TO SIDE MEMBER
637 N 912004012100 LOCK WASHER
SUPPORT TO SIDE MEMBER
638 N 910113012002 NUT
SUPPORT TO SIDE MEMBER
640 A 3534300492 ROD
Repalced by: N 900331008426
A 3604305792 ROD
Repalced by: N 900331008426
640 N 900331008419 PULL ROD
N 900331008281 PULL ROD
Repalced by: N 900331008426
640 N 900331008426 PULL ROD
641 A 0004310467 YOKE
Repalced by: A 0004310667
641 A 0004310667 YOKE
R.H. THREAD
641 A 0004310667 YOKE
R.H. THREAD
641C A 0004310867 YOKE
L.H. THREAD
641H N 000439008210 NUT
R.H. THREAD
641H N 000439008210 NUT
R.H. THREAD
641N N 000439008035 NUT
L.H. THREAD
642 A 3604311740 BRACKET
643 A 3554310384 SHIM
BRACKET TO REAR AXLE HOUSING
644 N 000933010157 SCREW
BRACKET TO REAR AXLE HOUSING
645 A 3604230125 WEB
646 N 000933008147 SCREW
Repalced by: N 304017008021
646 N 304017008021 SCREW
CLAMP TO OPERATING ROD BRACKET
647 N 000125008418 WASHER
Repalced by: N 000125008443
647 N 000125008443 WASHER
CLAMP TO OPERATING ROD BRACKET
648 N 912004008102 LOCK WASHER
CLAMP TO OPERATING ROD BRACKET
649 N 913004008004 NUT
Repalced by: N 913004008001
649 N 913004008001 NUT
CLAMP TO OPERATING ROD BRACKET
652 N 912004008102 LOCK WASHER
ROD TO BRAKE POWER REGULATOR & BRACKET
653 N 913004008004 NUT
Repalced by: N 913004008001
653 N 913004008001 NUT
ROD TO BRAKE POWER REGULATOR & BRACKET
655 A 3535840221 GUIDE SIGN
IN GERMAN
657 A 3535840321 GUIDE SIGN
IN GERMAN
A 3875840055 ADHESIVE FOIL
X XXXXXXXXXXXX PART NAME MISSING
PRESSURE GAUGE LINES
660 A 0004290701 LINE
Repalced by: A 0004296201
660 A 0004296201 LINE
FROM BRAKE BOOSTER TO INSTRUMENT CLUSTER
6 MM
662 N 915017006100 UNION NUT
663 N 003861006007 GLAND
Repalced by: A 0019901667
663 A 0019901667 SEAL CONE
665 A 0009977172 FITTING
666 A 3525420335 HOSE
667 A 3525407561 ELECTRIC CABLE
Repalced by: A 0089976082
667 A 0089976082 HOSE
Repalced by: A 0009872627
667 A 0009872627 PLASTIC PIPE
BLACK
4X6 MM
667 A 0009872627 PLASTIC PIPE
BRAKE PRESSURE CONTROL
4X6 MM
667C A 0019975072 FITTING
BRAKE PRESSURE CONTROL
A 0019973472 FITTING
Repalced by: N 915059004001
667H N 915059004001 FITTING
BRAKE PRESSURE CONTROL
667N N 915017006200 UNION NUT
BRAKE PRESSURE CONTROL
667R N 040621010200 INSULATING HOSE
BRAKE PRESSURE CONTROL
668 N 000125013008 WASHER
669 N 006797012153 TOOTHED WASHER
670 N 000936012009 NUT
672 A 3129950332 CLAMP
Repalced by: A 3609950101
672 A 3609950101 CLAMP
LINE MOUNTING
673 N 000084006134 SCREW
LINE MOUNTING
674 A 3124292440 BRACKET
Repalced by: A 3124761535
674 A 3124761535 BRACKET
LINE MOUNTING
675 N 007985006193 SCREW
Repalced by: N 000000001146
675 N 000000001146 SCREW
LINE MOUNTING
M 6X16
676 N 007971004227 SHEET METAL SCREW
LINE MOUNTING
677 N 912004006102 LOCK WASHER
LINE MOUNTING
678 N 000934006007 NUT
LINE MOUNTING
X XXXXXXXXXXXX PART NAME MISSING
PISTOL-GRIP HAND BRAKE
690 A 3604270120 HANDLE
Repalced by: A 3124271220
690 A 3124271220 HANDLE
691 N 000964006028 SCREW
HANDLE TO RATCHET ROD
692 N 006797006146 TOOTHED WASHER
HANDLE TO RATCHET ROD
693 N 001587006002 CAP NUT
HANDLE TO RATCHET ROD
695 A 3124271086 DAMPING RING
697 A 3214201274 ROD
697 A 3214201374 ROD
698 A 3534270095 PROTECTIVE CAP
699 A 3124201578 BEARING BRACKET
Repalced by: A 3124201178
699 A 3535860042 REPAIR KIT
Repalced by: A 3124201178
699 A 3124201178 BEARING BRACKET
PISTOL-GRIP HAND BRAKE
700 N 001473003015 GROOVED PIN
700 N 001473004023 GROOVED PIN
702 A 3145860142 REPAIR KIT
Repalced by: A 3144200092
702 A 3144200092 REPAIR KIT
PAWL
703 N 000933008145 SCREW
BEARING BRACKET TO FIRE WALL
705 N 912004008102 LOCK WASHER
BEARING BRACKET TO FIRE WALL
706 A 3124271215 PAWL
Repalced by: A 3145860142
707 A 1539930701 SPRING
Repalced by: A 3145860142
708 A 3129900043 PLATE
Repalced by: A 3145860142
709 N 000472015000 LOCK RING
710 A 3529910407 PIN
712 N 000433008406 WASHER
713 N 000094002032 COTTER PIN
715 A 3534200012 BRAKE LEVER
Repalced by: A 3604201012
715 A 3604201012 BRAKE LEVER
715 A 3224200312 BRAKE LEVER
715 A 3604200812 BRAKE LEVER
717 A 3529921201 BUSHING
718 N 071412010300 GREASE NIPPLE
722 A 3214200778 BEARING BRACKET
723 N 000931010009 SCREW
BEARING BRACKET TO FRAME
724 N 912004010102 LOCK WASHER
BEARING BRACKET TO FRAME
725 N 000934010014 NUT
Repalced by: N 304032010003
725 N 304032010003 NUT
BEARING BRACKET TO FRAME
732 A 3129901540 WASHER
733 N 000471022000 LOCK RING
735 A 3214200176 END PIECE
90 MM
736 A 3529910007 PIN
BRAKE CABLE TO BRAKE LEVER
737 N 000094003219 COTTER PIN
BRAKE CABLE TO BRAKE LEVER
738 N 000934010014 NUT
Repalced by: N 304032010003
738 N 304032010003 NUT
BRAKE CABLE TO BRAKE LEVER
738C N 000125010518 WASHER
Repalced by: N 000125010532
738C N 000125010532 WASHER
BRAKE CABLE TO BRAKE LEVER
739 N 900331010660 PULL ROD
742 A 3224203678 BEARING BRACKET
INTERMEDIATE LEVER
743 N 000933010128 SCREW
BEARING BRACKET TO CAB
745 N 912004010102 LOCK WASHER
BEARING BRACKET TO CAB
746 N 000934010014 NUT
Repalced by: N 304032010003
746 N 304032010003 NUT
BEARING BRACKET TO CAB
748 A 3584200081 LEVER
FRONT
748 A 3584200281 LEVER
Repalced by: A 3534200081
748 A 3534200081 LEVER
FRONT
750 A 3529921201 BUSHING
752 N 071412010300 GREASE NIPPLE
754 A 3124261574 PIN
755 N 000471022000 LOCK RING
757 N 071752012002 YOKE
758 A 3529910107 PIN
760 A 3529910807 PIN
761 N 000433013005 WASHER
Repalced by: N 000433013010
761 N 000433013010 WASHER
762 N 000094003210 COTTER PIN
765 N 900331012331 PULL ROD
765 N 900331012332 PULL ROD
765 N 900331012334 PULL ROD
765 N 900331012329 PULL ROD
767 N 001480012200 TURNBUCKLE
Repalced by: A 3859960034
767 A 3859960034 NUT
768 N 000934012021 NUT
770 N 900331012339 PULL ROD
771 N 000934012020 NUT
772 N 000934012021 NUT
773 N 071752012002 YOKE
774 A 3529910107 PIN
775 N 000433013005 WASHER
Repalced by: N 000433013010
775 N 000433013010 WASHER
776 N 000094003210 COTTER PIN
780 A 3524200180 BRAKE INTERMEDIATE SHAFT
780 A 3524201080 BRAKE INTERMEDIATE SHAFT
782 A 3274270058 SEAL HOLDER
783 A 3279970040 SEAL RING
784 A 3584201078 BEARING BRACKET
785 A 3024260083 SPHERICAL PIECE
Repalced by: A 3025860242
786 N 000470052000 EXPANSION PLUG
787 A 3025860242 REPAIR KIT
Repalced by: A 3534200067
787 A 3534200067 REPAIR KIT
Repalced by: A 3534200167
787 A 3534200167 BALL CUP
BRAKE INTERMEDIATE SHAFT BEARING
788 N 000961012151 SCREW
BEARING BRACKET TO CROSS MEMBER
789 N 912004012100 LOCK WASHER
BEARING BRACKET TO CROSS MEMBER
789E N 000934012022 NUT
BEARING BRACKET TO CROSS MEMBER
790 A 3529910207 PIN
791 N 000094003210 COTTER PIN
792 N 000433013005 WASHER
Repalced by: N 000433013010
792 N 000433013010 WASHER
793 N 900055012001 SPRING WASHER
794 A 3524201574 ROD
Repalced by: A 3604200474
794A A 3604200474 ROD
794D A 3534200074 ROD
794G N 001480012200 TURNBUCKLE
Repalced by: A 3859960034
794G A 3859960034 NUT
794K N 000934012020 NUT
794M N 000934012021 NUT
795 A 3529910107 PIN
PULL ROD TO BRAKE LEVER,REAR AXLE
796 N 000433013005 WASHER
Repalced by: N 000433013010
796 N 000433013010 WASHER
PULL ROD TO BRAKE LEVER,REAR AXLE
797 N 000094003210 COTTER PIN
PULL ROD TO BRAKE LEVER,REAR AXLE
798 A 3224200086 BRACKET
Repalced by: A 3604200086
798 A 3604200086 BRACKET
798 A 3214200286 BRACKET
798 A 3604200086 BRACKET
Repalced by: A 3524200086
799 A 0009973481 GROMMET
800 N 000933008147 SCREW
Repalced by: N 304017008021
800 N 304017008021 SCREW
BRACKET TO CROSS MEMBER
801 N 000125008418 WASHER
Repalced by: N 000125008443
801 N 000125008443 WASHER
BRACKET TO CROSS MEMBER
802 N 912004008102 LOCK WASHER
BRACKET TO CROSS MEMBER
803 N 000934008011 NUT
BRACKET TO CROSS MEMBER
806 A 3544230036 BRAKE CAMSHAFT
807 A 3414230186 CUP
808 A 3024230037 ADJUSTING LEVER
LEFT
808 A 3024230137 ADJUSTING LEVER
RIGHT
816 A 3024230070 STUD
Repalced by: A 3024230170
816 A 3024230170 STUD
818 A 3544230071 SCREW
Repalced by: A 3544230171
818 A 3544230171 SCREW
819 N 000439018204 NUT
820 N 000936012005 NUT
Repalced by: N 308675012000
820 N 308675012000 NUT
821 A 3524260011 LEVER
Repalced by: A 3604260611
821 A 3604260011 LEVER
Repalced by: A 3604260611
821 A 3604260611 LEVER
LEFT
821 A 3524260111 LEVER
Repalced by: A 3604260711
821 A 3604260111 LEVER
Repalced by: A 3604260711
821 A 3604260711 LEVER
RIGHT
823 A 3024260083 SPHERICAL PIECE
Repalced by: A 3025860142
824 N 003760045300 RADIAL SEAL RING
825 N 071412010100 GREASE NIPPLE
826 A 3029970020 EXPANSION PLUG
Repalced by: A 3609970020
826 A 3609970020 EXPANSION PLUG
827 N 000472062000 LOCK RING
Repalced by: A 0039945241
827 A 0039945241 LOCK
830 A 3024230153 SPACER TUBE
11.0 MM
830 A 3024230253 SPACER TUBE
11.5 MM
830 A 3024230353 SPACER TUBE
12.0 MM
830 A 3024230453 SPACER TUBE
12.5 MM
830 A 3024230553 SPACER TUBE
13.0 MM
830 A 3024230653 SPACER TUBE
13.5 MM
830 A 3024230753 SPACER TUBE
10.5 MM
835 N 000471045000 LOCK RING
836 N 000471035000 LOCK RING
840 A 3025860142 REPAIR KIT
Repalced by: A 3024200067
840 A 3024200067 REPAIR KIT
BRAKE CAMSHAFT BEARING