| 006 |
A 4243100001 |
FRAME |
|
A 4243100301 |
FRAME |
|
Repalced by: A 4243101001
|
|
A 4243101001 |
FRAME |
|
Repalced by: A 4243101201
|
| 006 |
A 4243101201 |
FRAME |
| 006 |
A 4243102201 |
FRAME |
| 006 |
A 4243101601 |
FRAME |
| 006 |
A 4243102301 |
FRAME |
| 006 |
A 4243102101 |
FRAME |
|
Repalced by: A 4273103701
|
| 006 |
A 4273103701 |
FRAME |
|
Repalced by: A 4273106601
|
| 006 |
A 4273106601 |
FRAME |
| 008 |
A 4243101801 |
FRAME |
|
A 4243100501 |
FRAME |
|
Repalced by: A 4243101101
|
|
A 4243101101 |
FRAME |
|
Repalced by: A 4243101301
|
| 010 |
A 4243101301 |
FRAME |
| 010 |
A 4243101301 |
FRAME |
| 012 |
A 4255250030 |
COUPLING MOUTH |
|
Repalced by: A 4273150405
|
| 012 |
A 4273150405 |
COUPLING MOUTH |
|
Repalced by: A 4255250030
|
| 012 |
A 4255250030 |
COUPLING MOUTH |
| 014 |
A 4243230040 |
BRACKET |
|
|
FRONT SHOCK ABSORBERS |
| 015 |
A 4243330303 |
BEARING BRACKET |
|
|
CONTROL ARM TO FRAME,FRONT |
| 016 |
A 4243210340 |
BRACKET |
|
|
CONTROL ARM TO FRAME,FRONT |
|
A 4243200070 |
REAR SUBFRAME |
|
Repalced by: A 4243200270
|
|
A 4243200270 |
REAR SUBFRAME |
|
Repalced by: A 4243200470
|
| 018 |
A 4243200470 |
REAR SUBFRAME |
|
|
LEFT FRONT |
|
A 4243200170 |
REAR SUBFRAME |
|
Repalced by: A 4243200370
|
|
A 4243200370 |
REAR SUBFRAME |
|
Repalced by: A 4243200570
|
| 018 |
A 4243200570 |
REAR SUBFRAME |
|
|
RIGHT FRONT |
|
A 4243200875 |
SPRING BRACKET |
|
Repalced by: A 4243201475
|
| 020 |
A 4243201475 |
SPRING BRACKET |
|
|
LEFT REAR |
|
A 4243201275 |
SPRING BRACKET |
|
Repalced by: A 4243201675
|
| 020 |
A 4243201675 |
SPRING BRACKET |
|
|
LEFT REAR |
|
A 4243200975 |
SPRING BRACKET |
|
Repalced by: A 4243201575
|
| 020 |
A 4243201575 |
SPRING BRACKET |
|
|
RIGHT REAR |
|
A 4243201375 |
SPRING BRACKET |
|
Repalced by: A 4243201775
|
| 020 |
A 4243201775 |
SPRING BRACKET |
|
|
RIGHT REAR |
| 022 |
A 4243120125 |
CROSS MEMBER |
| 024 |
A 4243130042 |
ANGLE |
|
|
LEFT |
| 024 |
A 4243130142 |
ANGLE |
|
|
RIGHT |
| 026 |
N 000961014008 |
SCREW |
|
Repalced by: N 308676014003
|
| 026 |
N 308676014003 |
SCREW |
|
|
ANGLE TO SIDE MEMBER |
|
|
M 14X1.5X30 |
| 028 |
N 913004014005 |
NUT |
|
Repalced by: N 910113014000
|
| 028 |
N 910113014000 |
NUT |
|
|
ANGLE TO SIDE MEMBER |
| 030 |
N 000961012094 |
SCREW |
|
Repalced by: N 910105012007
|
| 030 |
N 910105012007 |
SCREW |
|
|
ANGLE TO CROSS MEMBER |
|
|
M 12X1.5X30 |
| 032 |
N 913004012009 |
NUT |
|
Repalced by: N 910113012005
|
| 032 |
N 910113012005 |
NUT |
|
|
ANGLE TO CROSS MEMBER |
| 034 |
N 000961014063 |
SCREW |
|
Repalced by: N 910105014005
|
| 034 |
N 910105014005 |
SCREW |
|
|
ANGLE AND BRACKET TO FRAME |
|
|
M 14X1.5X40 |
| 036 |
N 913004014005 |
NUT |
|
Repalced by: N 910113014000
|
| 036 |
N 910113014000 |
NUT |
|
|
ANGLE AND BRACKET TO FRAME |
|
A 4243120035 |
CROSS MEMBER |
|
Repalced by: A 4243120135
|
|
A 4243120135 |
CROSS MEMBER |
|
Repalced by: A 4243120335
|
| 038 |
A 4243120335 |
CROSS MEMBER |
| 038 |
A 4243120335 |
CROSS MEMBER |
| 040 |
A 4243120435 |
CROSS MEMBER |
| 042 |
A 4063110951 |
FRAME FLANGE |
|
|
LEFT |
|
A 4243110351 |
TRUSS |
|
Repalced by: A 4243110551
|
| 042 |
A 4243110551 |
FRAME FLANGE |
|
|
LEFT |
| 042 |
A 4243110551 |
FRAME FLANGE |
|
|
LEFT |
| 044 |
A 4063111051 |
FRAME FLANGE |
|
|
RIGHT |
|
A 4243110451 |
TRUSS |
|
Repalced by: A 4243110651
|
| 044 |
A 4243110651 |
FRAME FLANGE |
|
|
RIGHT |
| 044 |
A 4243110651 |
FRAME FLANGE |
|
|
RIGHT |
| 046 |
N 000961014101 |
SCREW |
|
Repalced by: N 910105014010
|
| 046 |
N 910105014010 |
SCREW |
|
|
FLANGE TO SIDE MEMBER |
|
|
M 14X1.5X45 |
| 050 |
N 000960014229 |
SCREW |
|
Repalced by: N 910105014008
|
| 050 |
N 910105014008 |
SCREW |
|
|
FLANGE TO SIDE MEMBER |
|
|
M 14X1.5X55 |
| 054 |
N 308676012010 |
HEXAGON HEAD BOLT |
|
|
REAR CROSS MEMBER TO FLANGE |
|
|
M12X1.5X40 |
| 054 |
N 308676012010 |
HEXAGON HEAD BOLT |
|
|
REAR CROSS MEMBER TO SIDE MEMBERS |
|
|
M12X1.5X40 |
| 058 |
N 000960016237 |
SCREW |
|
Repalced by: N 910105016005
|
| 058 |
N 910105016005 |
SCREW |
|
|
FLANGE TO SIDE MEMBER |
|
|
M 16X1.5X60 |
| 062 |
N 913004012007 |
NUT |
|
Repalced by: N 913023012004
|
| 062 |
N 913023012004 |
NUT |
|
|
REAR CROSS MEMBER TO SIDE MEMBERS |
| 066 |
N 913004014005 |
NUT |
|
Repalced by: N 910113014000
|
| 066 |
N 910113014000 |
NUT |
|
|
FLANGE TO SIDE MEMBER |
| 070 |
N 913004016005 |
NUT |
|
Repalced by: N 910113016001
|
| 070 |
N 910113016001 |
NUT |
|
|
FLANGE TO SIDE MEMBER |
| 074 |
A 4245500740 |
BRACKET |
| 078 |
A 4243100453 |
STRUT |
| 082 |
N 000960014160 |
SCREW |
| 086 |
N 913004014005 |
NUT |
|
Repalced by: N 910113014000
|
| 086 |
N 910113014000 |
NUT |
| 095 |
N 913004020003 |
NUT |
| 095 |
N 000934020014 |
NUT |
|
Repalced by: N 913023020000
|
| 095 |
N 913023020000 |
NUT |
|
Repalced by: N 913023020001
|
| 095 |
N 913023020001 |
NUT |
| 100 |
N 913004012009 |
NUT |
|
Repalced by: N 910113012005
|
| 100 |
N 910113012005 |
NUT |
| 110 |
N 912004012100 |
LOCK WASHER |
|
N 000961012151 |
SCREW |
|
Repalced by: N 910105012007
|
|
N 910105012007 |
SCREW |
|
N 910113012002 |
NUT |
| 127 |
N 000961014054 |
SCREW |
|
Repalced by: N 308676014022
|
| 127 |
N 308676014022 |
SCREW |
| 135 |
N 913004014002 |
NUT |
|
Repalced by: N 913023014004
|
| 135 |
N 913023014004 |
NUT |
| 145 |
A 4063120280 |
REINFORCEMENT |
|
A 4063120380 |
REINFORCEMENT |
|
A 4063120053 |
SPACER TUBE |
|
Repalced by: A 4243120153
|
| 163 |
A 4243120153 |
SPACER TUBE |
|
|
REAR CROSS MEMBER |
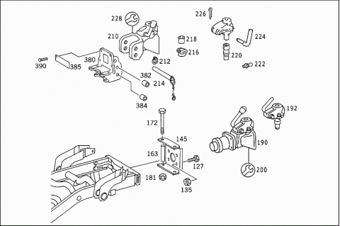
| 172 |
N 308765012015 |
SCREW |
|
|
HITCHING MECHANISM BRACKET TO REAR CROSS MEMBER |
|
|
M 12X1.5X190 |
| 181 |
N 913004012008 |
NUT |
|
Repalced by: N 913023012003
|
| 181 |
N 913023012003 |
NUT |
|
|
HITCHING MECHANISM BRACKET TO REAR CROSS MEMBER |
| 190 |
A 0013153799 |
TRAILER COUPLING |
|
|
RINGFEDER |
|
Repalced by: A 0033157999
|
| 190 |
A 0033157999 |
TRAILER COUPLING |
|
|
ROCKINGER,227G 110J |
| 190 |
A 0013153899 |
TRAILER COUPLING |
|
Repalced by: A 0033157999
|
| 190 |
A 0033157999 |
TRAILER COUPLING |
|
|
ROCKINGER,227G 110J |
| 192 |
A 0003100207 |
COUPLING PIN |
|
A 0005860331 |
REPAIR KIT |
|
Repalced by: A 0003100104
|
| 200 |
A 0003100104 |
REPAIR KIT |
|
Repalced by: A 0003100207
|
| 200 |
A 0003100207 |
COUPLING PIN |
|
|
TO 001 315 38 99 |
| 200 |
A 0005861231 |
REPAIR KIT |
|
Repalced by: A 0003100004
|
| 200 |
A 0003100004 |
REPAIR KIT |
|
|
TO 001 315 37 99 |
|
A 0013157699 |
TRAILER COUPLING |
|
Repalced by: A 0023155999
|
|
A 0013157699 |
TRAILER COUPLING |
|
Repalced by: A 0023155999
|
| 210 |
A 0023155999 |
TRAILER COUPLING |
|
|
ROCKINGER |
|
A 0003150073 |
LOCK |
|
Repalced by: A 0003150173
|
| 212 |
A 0003150173 |
LOCK |
|
Repalced by: A 0003150974
|
| 212 |
A 0003150974 |
PIN |
|
|
TO 001 315 76 99 |
| 212 |
A 0003150473 |
LOCK |
|
|
TO 002 315 59 99 |
| 214 |
A 0003151274 |
PIN |
|
|
TO 001 315 76 99,002 315 59 99 |
| 216 |
A 0003150550 |
BUSHING |
|
|
BOTTOM |
|
|
TO 002 315 59 99 |
| 218 |
A 0003150650 |
BUSHING |
|
|
TOP |
|
|
TO 002 315 59 99 |
| 220 |
A 0003151506 |
COUPLING PIN |
|
|
TO 002 315 59 99 |
| 222 |
N 900216010100 |
GREASE NIPPLE |
|
|
TO 002 315 59 99 |
| 224 |
A 0003150617 |
LEVER |
|
Repalced by: A 0003100207
|
| 224 |
A 0003100207 |
COUPLING PIN |
|
|
TO 002 315 59 99 |
| 226 |
N 000094003212 |
COTTER PIN |
|
|
TO 002 315 59 99 |
| 228 |
A 0005860331 |
REPAIR KIT |
|
Repalced by: A 0003100104
|
| 228 |
A 0003100104 |
REPAIR KIT |
|
Repalced by: A 0003100207
|
| 228 |
A 0003100207 |
COUPLING PIN |
|
|
TO 001 315 76 99 |
|
N 000931010384 |
SCREW |
|
N 000094002077 |
COTTER PIN |
|
N 000935010009 |
NUT |
|
A 4253100107 |
BODY SUPPORT |
|
Repalced by: A 4253100167
|
|
A 4253100167 |
BODY SUPPORT |
|
Repalced by: A 4253100267
|
|
A 4253100267 |
BODY SUPPORT |
|
Repalced by: A 4253100367
|
| 269 |
A 4253100367 |
BODY SUPPORT |
| 272 |
A 0019880410 |
RUBBER MOUNTING |
|
|
TO 425 310 02 67,415 310 03 67 |
| 274 |
A 4253111250 |
BUSHING |
|
|
TO 425 310 02 67 |
|
A 4253120250 |
BUSHING |
|
|
TO 425 310 01 07 |
|
A 4253120150 |
BUSHING |
|
|
TO 425 310 01 07 |
| 295 |
N 003770045001 |
ROUND SECTION SEAL RING |
|
|
TO 425 310 01 07 |
| 303 |
A 4253170071 |
SCREW |
|
Repalced by: N 000960020188
|
| 303 |
N 000960020188 |
SCREW |
| 310 |
N 913004020004 |
NUT |
|
Repalced by: N 913023020000
|
| 310 |
N 913023020000 |
NUT |
|
Repalced by: N 913023020001
|
| 310 |
N 913023020001 |
NUT |
| 315 |
A 4259940060 |
LOCK |
| 320 |
N 009021008205 |
WASHER |
|
Repalced by: N 009021008213
|
| 320 |
N 009021008213 |
WASHER |
|
|
FOR SPRING |
|
Repalced by: N 000000003250
|
| 320 |
N 000000003250 |
WASHER |
|
|
FOR SPRING |
| 325 |
N 913004008004 |
NUT |
|
Repalced by: N 913003008003
|
| 325 |
N 913003008003 |
PART NAME MISSING |
|
Repalced by: N 913023008003
|
| 325 |
N 913023008003 |
NUT |
|
Repalced by: N 913023008002
|
| 325 |
N 913023008002 |
NUT |
|
|
FOR SPRING |
| 328 |
N 001440008002 |
WASHER |
|
|
FOR SPRING |
|
|
TO 914126 008017 |
| 330 |
N 914126008017 |
SCREW |
|
A 4248910001 |
RUBBER MOUNTING |
|
Repalced by: A 4248910101
|
| 346 |
A 4248910101 |
INTERMEDIATE BEARING |
| 354 |
A 4255240084 |
SHIM |
|
|
TO 425 310 01 07 |
| 354 |
A 4255240384 |
SHIM |
|
|
TO 425 310 02 67 |
| 364 |
N 009021008205 |
WASHER |
|
Repalced by: N 009021008213
|
| 364 |
N 009021008213 |
WASHER |
|
Repalced by: N 000000003250
|
| 364 |
N 000000003250 |
WASHER |
| 373 |
N 000933008212 |
SCREW |
|
Repalced by: N 304017008016
|
| 373 |
N 304017008016 |
SCREW |
|
|
M 8X16 |
|
A 4243150020 |
BRACKET |
|
Repalced by: A 4273100104
|
| 380 |
A 4273100104 |
TRAILER COUPLING |
|
|
TRAILER COUPLING BEARING BRACKET |
| 382 |
A 4243150050 |
BUSHING |
|
|
LENGTH: |
|
|
29 MM, TO 427 310 01 04 |
| 384 |
A 4243150150 |
BUSHING |
|
|
LENGTH: |
|
|
22 MM, TO 427 310 01 04 |
|
A 4245840037 |
PLATE |
|
Repalced by: A 4245840137
|
|
A 4245840137 |
PLATE |
|
Repalced by: A 4275840137
|
| 385 |
A 4275840137 |
PLATE |
|
|
HITCHING MECHANISM BRACKET |
| 390 |
N 001476002012 |
GROOVED NAIL |
|
|
HITCHING MECHANISM BRACKET |