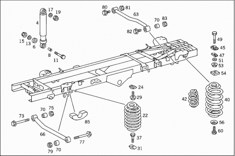
| 004 |
A 0013232700 |
SHOCK ABSORBER |
|
Repalced by: A 0053232500
|
| 004 |
A 0053232500 |
SHOCK ABSORBER |
| 004 |
A 0043237900 |
SHOCK ABSORBER |
|
Repalced by: A 0053232400
|
| 004 |
A 0053232400 |
SHOCK ABSORBER |
| 006 |
A 0003234885 |
RUBBER MOUNTING |
|
Repalced by: A 0003231844
|
| 006 |
A 0003231844 |
RUBBER BUFFER |
| 008 |
A 0003235950 |
BUSHING |
|
Repalced by: A 0003231650
|
| 008 |
A 0003231650 |
BUSHING |
| 011 |
N 000961014148 |
SCREW |
|
|
M 14X1.5X75 |
| 013 |
N 000125015013 |
WASHER |
|
Repalced by: N 000125015019
|
| 013 |
N 000125015019 |
WASHER |
| 015 |
N 913004014005 |
NUT |
|
Repalced by: N 910113014000
|
| 015 |
N 910113014000 |
NUT |
| 017 |
N 000125015013 |
WASHER |
|
Repalced by: N 000125015019
|
| 017 |
N 000125015019 |
WASHER |
| 019 |
N 913004014005 |
NUT |
|
Repalced by: N 910113014000
|
| 019 |
N 910113014000 |
NUT |
| 022 |
A 4043210404 |
FRONT SPRING |
|
Repalced by: A 4113210404
|
| 022 |
A 4113210004 |
FRONT SPRING |
|
|
18 MM |
| 024 |
A 4213221409 |
PLATE |
|
N 912004014100 |
LOCK WASHER |
| 029 |
N 000961014028 |
SCREW |
|
Repalced by: N 910105014005
|
| 029 |
N 910105014005 |
SCREW |
|
|
M 14X1.5X40 |
| 031 |
A 4113220024 |
PLATE |
|
N 912004014100 |
LOCK WASHER |
| 037 |
N 000961014064 |
SCREW |
|
Repalced by: N 308676014023
|
| 037 |
N 308676014023 |
SCREW |
|
|
M 14 X 1.5 X 50 |
| 040 |
A 4113240504 |
REAR SPRING |
|
|
19.5 MM |
| 040 |
A 4113240504 |
REAR SPRING |
|
|
19.5 MM |
| 040 |
A 4213250004 |
REAR SPRING |
| 042 |
A 4113240107 |
HELPER SPRING |
| 045 |
A 4113250383 |
RETAINER |
| 047 |
A 4113250183 |
RETAINER |
|
Repalced by: A 4063250326
|
| 047 |
A 4063250326 |
PLATE |
| 049 |
N 000960014110 |
SCREW |
|
Repalced by: N 910105014016
|
| 049 |
N 910105014016 |
SCREW |
|
|
REAR SPRING TO SPRING BRACKET |
|
|
M 14X1.5X90 |
| 049 |
N 910105014016 |
SCREW |
|
|
M 14X1.5X90 |
| 049 |
N 000960014061 |
SCREW |
|
|
REAR SPRING TO SPRING BRACKET |
|
|
M 14X1.5X80 |
| 051 |
N 000125015013 |
WASHER |
|
Repalced by: N 000125015019
|
| 051 |
N 000125015019 |
WASHER |
|
|
REAR SPRING TO SPRING BRACKET |
| 051 |
N 000125015019 |
WASHER |
|
|
REAR SPRING TO SPRING BRACKET |
| 053 |
N 913004014002 |
NUT |
|
Repalced by: N 913023014004
|
| 053 |
N 913023014004 |
NUT |
|
|
REAR SPRING TO SPRING BRACKET |
| 054 |
A 4043210051 |
SPACER RING |
|
|
ON VEHICLES HAVING NO PLATFORM |
| 054 |
A 4043210051 |
SPACER RING |
| 056 |
A 4113250083 |
RETAINER |
|
N 912004014100 |
LOCK WASHER |
| 060 |
N 000961014027 |
SCREW |
|
|
M 14X1.5X30 |
| 063 |
A 4213300107 |
TRANSVERSE CONTROL ARM |
|
|
FRONT AND REAR |
| 063 |
A 4213300107 |
TRANSVERSE CONTROL ARM |
|
|
FRONT |
| 063 |
A 4213300107 |
TRANSVERSE CONTROL ARM |
|
|
REAR |
| 066 |
A 4213300307 |
TRANSVERSE CONTROL ARM |
|
Repalced by: A 4213300407
|
| 066 |
A 4213300407 |
TRANSVERSE CONTROL ARM |
|
|
FRONT |
| 070 |
A 1802230412 |
RUBBER MOUNTING |
|
Repalced by: A 0019880510
|
| 070 |
A 0009884010 |
RUBBER MOUNTING |
|
Repalced by: A 0019880510
|
| 070 |
A 0019880510 |
RUBBER MOUNTING |
| 073 |
N 000960014248 |
SCREW |
|
Repalced by: N 910105014018
|
| 073 |
N 910105014018 |
SCREW |
|
|
CONTROL ARM TO FRAME |
|
|
M 14X1.5X100 |
| 075 |
N 913004014005 |
NUT |
|
Repalced by: N 910113014000
|
| 075 |
N 910113014000 |
NUT |
|
|
CONTROL ARM TO FRAME |
| 077 |
N 000960014205 |
SCREW |
|
Repalced by: N 910105014016
|
| 077 |
N 910105014016 |
SCREW |
|
|
CONTROL ARM TO AXLE |
|
|
M 14X1.5X90 |
| 079 |
N 913004014005 |
NUT |
|
Repalced by: N 910113014000
|
| 079 |
N 910113014000 |
NUT |
| 080 |
N 000960014205 |
SCREW |
|
Repalced by: N 910105014016
|
| 080 |
N 910105014016 |
SCREW |
|
|
CONTROL ARM TO REAR AXLE AND TO FRAME |
| 081 |
N 913004014005 |
NUT |
|
Repalced by: N 910113014000
|
| 081 |
N 910113014000 |
NUT |
| 082 |
N 000960014205 |
SCREW |
|
Repalced by: N 910105014016
|
| 082 |
N 910105014016 |
SCREW |
|
|
CONTROL ARM TO FRAME |
| 083 |
N 913004014005 |
NUT |
|
Repalced by: N 910113014000
|
| 083 |
N 910113014000 |
NUT |
| 085 |
A 4063220044 |
RUBBER BUFFER |