Pagrindinis meniu

Transporto priemonė: 309 D/310 D; VIN numerio dalis: 602476
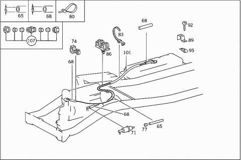
Grupė: 47 FUEL SYSTEM
56173
56170
# Kodas Pavadinimas
005 A 6014700501 FUEL TANK
LESS SENDER UNIT
70 L.
005 A 6014700501 FUEL TANK
LESS SENDER UNIT
70 L.
005 A 6014700601 FUEL TANK
LESS SENDER UNIT
70 L
008 A 6015421117 SENDER UNIT
FUEL GAUGE
011 A 0009975149 GASKET
FUEL GAUGE SENDER UNIT TO FUEL TANK
014 N 000439005201 NUT
FUEL GAUGE SENDER UNIT TO FUEL TANK
017 N 000433005304 WASHER
FUEL GAUGE SENDER UNIT TO FUEL TANK
020 A 6014710130 FILLER CAP
Repalced by: A 6014710330
020 A 6014710330 FILLER CAP
023 A 0004711080 GASKET
026 N 900161008107 SCREW
FUEL TANK TO FRAME
029 N 912004008102 LOCK WASHER
FUEL TANK TO FRAME
032 A 6014750020 PAD
FUEL TANK TO FRAME
035 A 6014750004 ANGLE
FUEL TANK TO FRAME
038 A 6014701820 FILLER NECK
Repalced by: A 6014700626
038 A 6014700626 RISING PIPE
RIGHT
038 A 6014700626 RISING PIPE
RIGHT
038 A 6114700326 RISING PIPE
038 A 6014700726 RISING PIPE
LEFT
039 A 6114700079 INTERMEDIATE PIECE
FILLER PIPE TO BODY
041 A 6014710079 SEAL RING
FILLER PIPE TO BODY
044 A 0005516256 TUBE
STEEL
15X1.5 MM
044 A 0109974682 HOSE
FROM FILLER PIPE TO FUEL TANK
15X1.5 MM
047 N 007982004244 SHEET METAL SCREW
Repalced by: N 007983004208
047 N 007983004208 SHEET METAL SCREW
FILLER PIPE TO BODY
048 A 1409941045 LOCK
FILLER PIPE TO BODY
049 A 6114710081 BOOT
Repalced by: A 6319972982
049 A 6319972982 HOSE
Repalced by: A 6319974382
049 A 6319974382 HOSE
1500 MM
050 A 6114710041 BRACKET
BREATHER LINE
051 N 007976006208 SHEET METAL SCREW
BRACKET TO SIDE MEMBER
053 N 916017050000 CLAMP
Repalced by: N 000000000672
053 N 000000000672 CLAMP
FILLER PIPE TO FUEL TANK
056 A 6014760126 HOSE
FILLER PIPE TO FUEL TANK
059 A 6014700028 FLAP
TO 601 470 06 26,07 26;611 470 03 26
062 A 1244760432 VALVE
AERATION/DEAERATION
062 A 2014760132 VALVE
AERATION/DEAERATION
063 A 0009973081 GROMMET
BREATHER PIPE THRU FRAME
064 A 6014710815 BREATHER PIPE
Repalced by: A 2024766726
064 A 2024766726 HOSE
FROM FILLER PIPE TO FUEL TANK
065 A 0089979082 HOSE
FEED LINE AND RETURN LINE
6 X 8 MM
T YYYYYYYYYYYY PART NAME MISSING
AERATION
068 N 916030000527 HOSE
FEED LINE AND RETURN LINE
8 X 12 MM
T YYYYYYYYYYYY PART NAME MISSING
AERATION
071 A 0014776601 FUEL FILTER
071 A 0014776301 FUEL FILTER
071 A 0014776401 FUEL FILTER
071 A 0014777901 FUEL FILTER
074 A 0009952865 CLAMP
RETURN LINE TO FILTER
077 N 915062006000 SLEEVE
FUEL LINES
080 A 0039975390 LOOM TIE
FUEL LINE TO FUEL LINE
080 A 0019978390 LOOM TIE
FUEL LINES
280 MM
083 A 1149970590 LOOM TIE
FUEL LINES
086 A 6014760136 BRACKET
FUEL LINE TO FRAME
089 A 6014760236 BRACKET
BRACKET TO CROSS MEMBER
092 N 007981003246 SHEET METAL SCREW
BRACKET TO CROSS MEMBER
095 A 0009949445 CLAMPING NUT
BRACKET TO CROSS MEMBER
098 A 0009881878 CLIP
BREATHER LINE TO FUEL TANK
101 N 040621016200 INSULATING HOSE
FUEL LINES
107 A 0029905971 FITTING
(PARTS KIT),LINE RUPTURE