Pagrindinis meniu

Transporto priemonė: 507 D/508 D; VIN numerio dalis: 667361
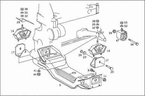
Grupė: 24 ENGINE SUSPENSION
16446
# Kodas Pavadinimas
005 A 6673100126 ENGINE CROSS MEMBER
ENGINE FRONT SUSPENSION
005 A 6673100326 ENGINE CROSS MEMBER
ENGINE FRONT SUSPENSION
008 N 000933012071 SCREW
ENGINE CROSS MEMBER TO SIDE MEMBERS
M 12X40
008 N 308676012013 SCREW
ENGINE CROSS MEMBER TO SIDE MEMBERS
M 12X30
011 N 910113012003 NUT
ENGINE CROSS MEMBER TO SIDE MEMBERS
011 N 910113012003 NUT
ENGINE CROSS MEMBER TO SIDE MEMBERS
014 A 6012400717 RUBBER MOUNTING
ENGINE FRONT LEFT MOUNTING
014 A 6012400717 RUBBER MOUNTING
ENGINE FRONT LEFT MOUNTING
014 A 6012400717 RUBBER MOUNTING
ENGINE FRONT RIGHT MOUNTING
014 A 6012400917 RUBBER MOUNTING
ENGINE FRONT RIGHT MOUNTING
014 A 6012400617 RUBBER MOUNTING
ENGINE MOUNTING,FRONT LEFT AND RIGHT
014 A 6012400617 RUBBER MOUNTING
ENGINE FRONT LEFT MOUNTING
017 A 6112410040 BRACKET
RUBBER MOUNT
020 A 6012410071 SCREW
RUBBER MOUNTING TO BRACKET
023 A 3859900740 WASHER
RUBBER MOUNTING TO BRACKET
026 N 000934010015 NUT
Repalced by: N 308673010000
026 N 308673010000 NUT
RUBBER MOUNTING TO BRACKET
029 A 6012410134 SCREENING PLATE
Repalced by: A 6012410234
029 A 6012410234 SCREENING PLATE
ENGINE MOUNTING TO SUPPORTING ARM
032 N 001440013001 WASHER
ENGINE MOUNTING TO SUPPORTING ARM
035 N 000137012203 SPRING WASHER
Repalced by: N 000137012206
035 N 000137012206 SPRING WASHER
ENGINE MOUNTING TO SUPPORTING ARM
038 N 000934012022 NUT
ENGINE MOUNTING TO SUPPORTING ARM
041 A 3859900740 WASHER
ENGINE MOUNTING TO ENGINE CROSS MEMBER
044 N 910113010001 NUT
ENGINE MOUNTING TO ENGINE CROSS MEMBER
047 A 6672400018 RUBBER MOUNTING
ENGINE REAR SUSPENSION
050 N 000137012203 SPRING WASHER
Repalced by: N 000137012206
050 N 000137012206 SPRING WASHER
RUBBER MOUNTING TO TRANSMISSION CASE
053 N 000934012022 NUT
RUBBER MOUNTING TO TRANSMISSION CASE
056 N 000931010379 SCREW
RUBBER MOUNTING TO REAR CROSS MEMBER
059 N 910113010001 NUT
RUBBER MOUNTING TO REAR CROSS MEMBER