| 005 |
A 6733000004 |
ACCELERATOR PEDAL |
| 008 |
A 6673000004 |
ACCELERATOR PEDAL |
|
Repalced by: A 6733000004
|
| 011 |
A 3093010022 |
JOINT |
| 011 |
A 3093010022 |
JOINT |
| 014 |
A 1233010022 |
JOINT |
| 017 |
N 000965006046 |
SCREW |
|
|
PEDAL TO CAB FLOOR |
|
|
M6X12 |
| 017 |
N 000965006046 |
SCREW |
|
|
PEDAL TO CAB FLOOR |
|
|
M6X12 |
| 017 |
N 000965006015 |
SCREW |
|
|
PEDAL TO CAB FLOOR |
|
|
M 6X16 |
| 020 |
A 6673010184 |
SHIM |
|
|
PEDAL TO CAB FLOOR |
| 023 |
A 1263010141 |
STOP |
|
|
FULL THROTTLE |
| 026 |
A 6673000225 |
LEVER |
|
|
(PEDAL LEVER) |
| 029 |
N 900055010402 |
RETAINING RING |
| 032 |
A 6673000525 |
LEVER |
|
Repalced by: A 6673000625
|
| 032 |
A 6673000625 |
LEVER |
|
Repalced by: A 6673000925
|
| 032 |
A 6673000925 |
LEVER |
|
Repalced by: A 6703000025
|
| 032 |
A 6703000025 |
LEVER |
|
|
(PEDAL LEVER) |
| 035 |
N 071803008205 |
BALL PIVOT |
| 035 |
N 071803008101 |
BALL PIVOT |
| 038 |
A 2013010118 |
BEARING |
|
Repalced by: A 2013010218
|
| 038 |
A 2013010218 |
BEARING |
|
|
PEDAL LEVER TO FRONT PANEL |
| 041 |
N 304017006020 |
SCREW |
|
|
PEDAL LEVER BEARING TO FRONT PANEL |
| 044 |
N 000125006445 |
WASHER |
|
|
PEDAL LEVER BEARING TO FRONT PANEL |
| 047 |
N 910113006000 |
NUT |
|
|
PEDAL LEVER BEARING TO FRONT PANEL |
| 050 |
N 000471012001 |
LOCK RING |
|
|
PEDAL LEVER TO BEARING |
| 053 |
A 6673000130 |
WIRE CABLE |
|
Repalced by: A 6673000730
|
| 053 |
A 6673000730 |
WIRE CABLE |
|
|
FROM PEDAL LEVER TO CONTROL LEVER |
| 056 |
N 918001005002 |
PIN |
|
|
WIRE CABLE TO LEVER |
| 059 |
A 6673010076 |
WASHER |
|
|
WIRE CABLE TO FIRE WALL |
|
N 072571001035 |
CLAMP |
|
Repalced by: A 1279950020
|
|
A 1279950020 |
CLAMP |
|
|
WIRE CABLE TO MOUNTING CLAMP |
|
N 007981004243 |
SHEET METAL SCREW |
|
Repalced by: N 000000002062
|
|
N 000000002062 |
SCREW |
|
|
WIRE CABLE TO MOUNTING CLAMP |
|
A 1239950265 |
CLAMP |
|
|
WIRE CABLE TO COWL STRUT |
|
A 0009951765 |
CLAMP |
|
Repalced by: A 0009956665
|
|
A 0009956665 |
CLAMP |
|
Repalced by: A 0079973890
|
|
A 0079973890 |
BRACKET |
|
|
WIRE CABLE TO COWL STRUT |
|
A 0079973890 |
BRACKET |
|
|
WIRE CABLE TO COOLING WATER HOSE |
|
A 0039976090 |
LOOM TIE |
|
Repalced by: A 0004760436
|
|
A 0004760436 |
BRACKET |
|
|
WIRE CABLE TO COWL STRUT |
|
A 0004760436 |
BRACKET |
|
|
CONTROL CABLE ON CYLINDER |
|
A 0059971390 |
LOOM TIE |
|
|
CONTROL CABLE ON CYLINDER |
|
A 0009942148 |
LOCK |
|
|
WIRE CABLE TO AIR DUCT |
|
A 6679950065 |
CLAMP |
|
|
WIRE CABLE TO COOLING WATER HOSE |
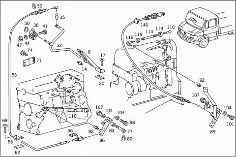
| 062 |
A 6673010084 |
SHIM |
|
|
WIRE CABLE TO HOOD BRACKET |
| 065 |
N 072573001006 |
CLAMP |
|
|
WIRE CABLE TO HOOD BRACKET |
| 068 |
N 007981004322 |
SHEET METAL SCREW |
|
Repalced by: N 007981004233
|
| 068 |
N 007981004233 |
SHEET METAL SCREW |
|
Repalced by: N 000000000460
|
| 068 |
N 000000000460 |
SHEET METAL SCREW |
|
|
WIRE CABLE TO HOOD BRACKET |
| 071 |
A 6672600262 |
BRACKET |
|
|
WIRE CABLE TO HOOD BRACKET |
| 074 |
N 007985005157 |
SCREW |
|
|
WIRE CABLE TO HOOD BRACKET |
| 077 |
A 6673000425 |
SHAFT |
|
|
(PEDAL LEVER) |
| 080 |
N 000471010001 |
LOCK RING |
| 083 |
A 3193010150 |
BUSHING |
| 083 |
A 3193010150 |
BUSHING |
|
|
PEDAL LEVER BEARING IN PARTITION PANEL |
| 083 |
A 3193010150 |
BUSHING |
|
|
SHAFT BEARING IN PARTITION PANEL |
| 086 |
A 6673000125 |
LEVER |
|
|
(CONTROL LEVER) |
| 089 |
A 6673000325 |
LEVER |
|
|
(CONTROL LEVER) |
| 089 |
A 6673000825 |
LEVER |
|
|
(CONTROL LEVER) |
| 092 |
N 071803008204 |
BALL PIVOT |
| 095 |
A 3093020050 |
BUSHING |
|
|
CONTROL LEVER |
| 095 |
A 3093020050 |
BUSHING |
|
|
CONTROL LEVER |
| 098 |
N 007984006014 |
SCREW |
| 101 |
N 304017006012 |
SCREW |
|
|
CONTROL LEVER TO PEDAL LEVER |
| 101 |
N 304017006012 |
SCREW |
|
|
CONTROL LEVER TO SHAFT |
| 104 |
N 000125006445 |
WASHER |
|
|
CONTROL LEVER TO PEDAL LEVER |
| 107 |
N 910113006000 |
NUT |
|
|
CONTROL LEVER TO PEDAL LEVER |
| 110 |
A 6673010215 |
ROD |
|
|
FROM CONTROL LEVER TO REAR CONTROL |
| 113 |
N 900331006616 |
PULL ROD |
|
|
FROM CONTROL LEVER TO REAR CONTROL |
| 116 |
A 0009914722 |
BALL SOCKET |
|
|
ROD TO LEVER |
| 119 |
N 304032006004 |
NUT |
|
|
BALL SOCKET TO ROD |
|
A 6673000415 |
ROD |
|
|
FROM CONTROL LEVER TO REAR CONTROL |
|
A 1153000086 |
END PIECE |
|
Repalced by: A 0009918822
|
|
A 0009918822 |
BALL SOCKET |
|
A 3099910822 |
BALL SOCKET |
|
N 000934005008 |
NUT |
| 122 |
A 6679930010 |
SPRING |
|
|
(RELEASE SPRING) |
|
A 6679930110 |
SPRING |
|
|
(RELEASE SPRING) |
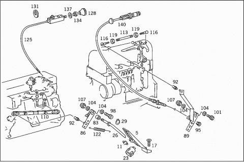
| 125 |
A 6673000230 |
WIRE CABLE |
|
|
(CHOKE CABLE) |
| 128 |
A 0005454837 |
BUTTON |
|
|
WIRE CABLE |
| 131 |
A 6673010087 |
GROMMET |
|
|
CHOKE CABLE TO STEERING COLUMN COVERING |
|
A 6679970781 |
GROMMET |
|
|
CONTROL |
| 134 |
A 6013020008 |
GUIDE |
|
|
CHOKE CABLE TO STEERING COLUMN COVERING |
| 137 |
A 0019904140 |
WASHER |
|
|
CHOKE CABLE TO STEERING COLUMN COVERING |
| 140 |
A 6683000132 |
WIRE CABLE |
|
|
IDLING ADJUSTER |
| 140 |
A 6683000232 |
WIRE CABLE |
|
|
IDLING ADJUSTER |
|
A 3604300143 |
CLAMP |
|
Repalced by: N 916016008200
|
|
N 916016008200 |
CLAMP |
|
Repalced by: N 000000000319
|
|
N 000000000319 |
CLAMP |
|
|
WIRE CABLE TO HOOD BRACKET |
|
N 000000000319 |
CLAMP |
|
|
WIRE CABLE TO HOOD BRACKET |
|
A 0009881878 |
CLIP |
|
|
WIRE CABLE TO HOOD BRACKET |
|
A 0009881878 |
CLIP |
|
|
WIRE CABLE TO HOOD BRACKET |
|
N 007985006145 |
SCREW |
|
Repalced by: N 007985006581
|
|
N 007985006581 |
SCREW |
|
|
WIRE CABLE TO HOOD BRACKET |
|
N 007985006581 |
SCREW |
|
|
WIRE CABLE TO HOOD BRACKET |
|
N 912004006102 |
LOCK WASHER |
|
|
WIRE CABLE TO HOOD BRACKET |
|
N 912004006102 |
LOCK WASHER |
|
|
WIRE CABLE TO HOOD BRACKET |
|
N 913024006101 |
RIVETED NUT |
|
|
WIRE CABLE TO HOOD BRACKET |
|
N 913024006101 |
RIVETED NUT |
|
|
WIRE CABLE TO HOOD BRACKET |