Pagrindinis meniu

Transporto priemonė: LI (SHORT W/B); VIN numerio dalis: 661215
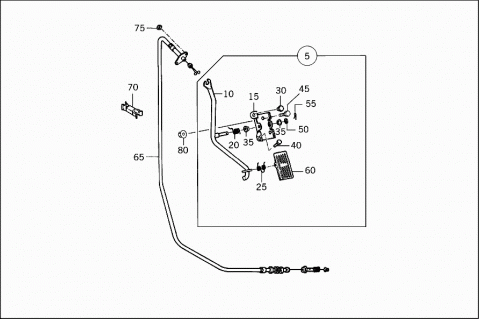
Grupė: 30 CONTROL - 060 ACCELERATOR PEDAL CONTROL
28405
# Kodas Pavadinimas
005 A 6613003004 ACCELERATOR PEDAL
PARTS KIT
005 A 6613003204 ACCELERATOR PEDAL
PARTS KIT
010 A 6613003104 ACCELERATOR PEDAL
010 A 6613003304 ACCELERATOR PEDAL
015 A 6613003140 BRACKET
020 A 6613013037 SPRING
025 A 6613013137 SPRING
030 A 6613013085 RUBBER BUFFER
035 A 6613013050 BUSHING
040 N 000993006058 PART NAME MISSING
M 91014-06251 M 6X25
045 N 914001008007 COMBINATION BOLT
M 98264-0820D M 8X20
050 N 000125008418 WASHER
M 93424-0800D
055 N 000094002077 COTTER PIN
M 95304-2025D
060 A 6613003002 PLATE
065 A 6613003730 WIRE CABLE
Repalced by: A 6613004030
065 A 6613004030 WIRE CABLE
065 A 6613003651 WIRE CABLE
Repalced by: A 6613004330
065 A 6613004330 WIRE CABLE
065 A 6613003330 WIRE CABLE
Repalced by: A 6613004130
065 A 6613004130 WIRE CABLE
Repalced by: A 6613004530
065 A 6613004530 WIRE CABLE
065 A 6613003751 WIRE CABLE
070 A 6613033082 GUIDE
075 N 913017006001 NUT
CABLE PULL TO FIRE WALL
M 92884-0600D
080 N 913017008000 NUT
M 92884-0800D M 8 X 1,25