Pagrindinis meniu

Transporto priemonė: L 508 DG; VIN numerio dalis: 309429
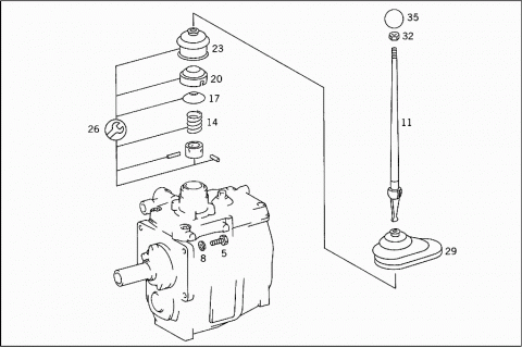
Grupė: 26 TRANSMISSION
18558
# Kodas Pavadinimas
X XXXXXXXXXXXX PART NAME MISSING
FOR TRANSMISSION,SEE UNIT STANDARD VERSION,MODEL:
712.0
005 N 000933014014 SCREW
TRANSMISSION TO BELL HOUSING
008 N 912004014100 LOCK WASHER
TRANSMISSION TO BELL HOUSING
011 A 3142601739 SHIFT LEVER
011 A 3102600139 SHIFT LEVER
011 A 3142603339 SHIFT LEVER
011 A 3102600939 SHIFT LEVER
014 A 1109930401 SPRING
SHIFT LEVER TO CASE
017 A 3022670008 SPHERICAL PIECE
SHIFT LEVER TO CASE
020 A 3142680005 COVER
SHIFT LEVER TO CASE
A 3372670096 BOOT
Repalced by: A 3522670196
023 A 3522670196 BOOT
SHIFT LEVER TO CASE
026 A 3092600195 REPAIR KIT
SHIFTING PARTS
A 3142680596 BOOT
Repalced by: A 3092680096
A 3142681296 BOOT
Repalced by: A 3092680096
A 3092680096 BOOT
Repalced by: A 3092680196
029 A 3092680196 BOOT
FLOOR COVERING
032 N 000936010010 NUT
GEARSHIFT LEVER KNOB TO GEARSHIFT LEVER
035 A 3222600040 HANDLE
(GEARSHIFT LEVER KNOB)