| 007 |
A 0032501204 |
CLUTCH PRESSURE PLATE |
|
A 0002524732 |
HOUSING |
| 009 |
A 0002520527 |
SPRING |
|
|
CLUTCH PRESSURE PLATE |
| 009E |
A 0002524812 |
PRESSURE PLATE |
|
Repalced by: A 0002526312
|
| 009E |
A 0002526312 |
PRESSURE PLATE |
| 009K |
A 0002527720 |
PRESSURE SPRING |
| 009P |
A 0002525513 |
RELEASE LEVER |
|
Repalced by: A 0002526613
|
| 009P |
A 0002526613 |
RELEASE LEVER |
| 010E |
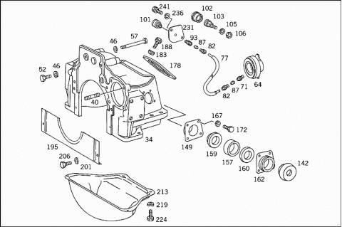
A 0002520016 |
SPINDLE |
|
Repalced by: A 0002523516
|
| 010E |
A 0002523516 |
SPINDLE |
|
Repalced by: A 0002524216
|
| 010E |
A 0002524216 |
SPINDLE |
|
|
FOR RELEASE LEVERS |
| 010K |
A 0002520516 |
SPINDLE |
|
Repalced by: A 0002523816
|
| 010K |
A 0002523616 |
SPINDLE |
|
Repalced by: A 0002523816
|
| 010K |
A 0002523816 |
SPINDLE |
|
|
FOR BRACKETS |
| 010R |
N 000094002059 |
COTTER PIN |
|
Repalced by: N 000094002060
|
| 010R |
N 000094002060 |
COTTER PIN |
| 010S |
N 006799007007 |
LOCK PLATE |
| 011F |
A 0002520018 |
ROLLER |
| 011L |
A 0002522414 |
BRACKET |
|
Repalced by: A 0002522914
|
| 011L |
A 0002522914 |
BRACKET |
| 011R |
A 0002521419 |
LEAF SPRING |
| 012E |
A 0002522872 |
NUT |
|
|
HOUSING TO PRESSURE PLATE |
| 012K |
A 0002520573 |
LOCK |
|
|
HOUSING TO PRESSURE PLATE |
| 012R |
N 000127008102 |
LOCK WASHER |
|
|
HOUSING TO PRESSURE PLATE |
| 012U |
A 0002523071 |
SCREW |
|
|
HOUSING TO PRESSURE PLATE |
| 013 |
N 912004008102 |
LOCK WASHER |
|
|
CLUTCH TO FLYWHEEL |
| 020 |
N 000933008317 |
SCREW |
|
|
CLUTCH TO FLYWHEEL |
| 027 |
A 0102501303 |
CLUTCH DISC |
|
|
ASBESTOS-FREE LINING |
| 027 |
A 0042507203 |
CLUTCH DISC |
| 027 |
A 0072501803 |
CLUTCH DISC |
|
Repalced by: A 0102508503
|
| 027 |
A 0102508503 |
CLUTCH DISC |
|
|
ASBESTOS-FREE LINING |
| 027 |
A 0072501903 |
CLUTCH DISC |
|
Repalced by: A 0132508903
|
| 027 |
A 0132508903 |
CLUTCH DISC |
|
|
ASBESTOS-FREE LINING |
| 027 |
A 0042506603 |
CLUTCH DISC |
| 028 |
A 0012524410 |
CLUTCH LINING |
|
Repalced by: A 0012527810
|
| 028 |
A 0012527810 |
CLUTCH LINING |
|
Repalced by: A 0002521310
|
| 028 |
A 0002521310 |
CLUTCH LINING |
|
|
ASBESTOS-FREE |
|
|
TO 013 250 89 03 |
| 028 |
A 0012520610 |
CLUTCH LINING |
| 029 |
A 0002520375 |
RIVET |
|
Repalced by: A 0002521275
|
| 029 |
A 0002521275 |
RIVET |
|
Repalced by: A 0002524375
|
| 029 |
A 0002524375 |
RIVET |
|
|
LINING WITH CLUTCH DISC AND INTERMEDIATE SPRING |
| 030 |
A 0002520219 |
LEAF SPRING |
|
Repalced by: A 0002524519
|
| 030 |
A 0002524519 |
LEAF SPRING |
| 031 |
A 0002520175 |
RIVET |
|
|
LEAF SPRING TO CLUTCH DISC |
|
|
4X5 MM |
| 031 |
A 0002522075 |
RIVET |
|
|
LEAF SPRING TO CLUTCH DISC |
|
|
5X6 MM |
| 034 |
A 3812510301 |
BELL HOUSING |
|
Repalced by: A 3812510501
|
| 034 |
A 3812510501 |
BELL HOUSING |
| 040 |
A 0009902605 |
STUD |
|
|
BELL HOUSING |
| 046 |
N 912004012100 |
LOCK WASHER |
|
|
BELL HOUSING TO CYLINDER CRANKCASE |
| 052 |
N 900170012005 |
SCREW |
|
Repalced by: A 0029906804
|
| 052 |
A 0029906804 |
SCREW |
|
|
BELL HOUSING TO CYLINDER CRANKCASE |
|
|
M 12X35 |
| 057 |
N 000931012152 |
SCREW |
|
|
BELL HOUSING TO CYLINDER CRANKCASE |
|
|
M 12X135 |
| 057 |
N 000931012206 |
SCREW |
|
|
BELL HOUSING TO CYLINDER CRANKCASE |
|
|
M 12X145 |
| 064 |
A 0002504615 |
RELEASE BEARING |
|
Repalced by: A 0012509315
|
| 064 |
A 0012509315 |
RELEASE BEARING |
| 064 |
A 0002504215 |
RELEASE BEARING |
|
A 6209970288 |
GREASE NIPPLE |
|
|
(PARTS KIT) RELEASE BEARING LUBRICATION |
| 071 |
N 071428004102 |
SCREW-IN FITTING |
|
|
RELEASE BEARING LUBRICATION |
| 077 |
A 3059971982 |
HOSE |
|
|
RELEASE BEARING LUBRICATION |
| 082 |
N 003871004102 |
UNION SCREW |
|
|
RELEASE BEARING LUBRICATION |
| 087 |
N 003862004001 |
DOUBLE TAPER RING |
|
|
RELEASE BEARING LUBRICATION |
| 093 |
N 071428004102 |
SCREW-IN FITTING |
|
|
RELEASE BEARING LUBRICATION |
| 101 |
N 003411002001 |
GREASE CUP |
|
Repalced by: A 6209880135
|
| 102 |
A 6209880135 |
CAP |
|
|
RELEASE BEARING LUBRICATION |
|
A 3072510208 |
INTERMEDIATE PIECE |
|
Repalced by: A 6209970088
|
| 103 |
A 6209970088 |
GREASE NIPPLE |
|
|
RELEASE BEARING LUBRICATION |
| 105 |
N 912004014100 |
LOCK WASHER |
|
|
RELEASE BEARING LUBRICATION |
| 106 |
N 000936014010 |
NUT |
|
Repalced by: N 308675014000
|
| 106 |
N 308675014000 |
NUT |
|
Repalced by: N 308675014002
|
| 106 |
N 308675014002 |
NUT |
|
|
RELEASE BEARING LUBRICATION |
| 108 |
A 3812540208 |
RELEASE LEVER |
| 115 |
A 3029910015 |
BALL PIVOT |
|
|
CLUTCH SLAVE CYLINDER TO RELEASE YOKE |
| 115 |
A 3529910415 |
BALL PIVOT |
|
|
CLUTCH SLAVE CYLINDER TO RELEASE YOKE |
| 121 |
A 3812540013 |
SPRING LOCK |
|
Repalced by: A 3812540113
|
| 121 |
A 3812540113 |
SPRING LOCK |
|
|
RELEASE LEVER TO RELEASE BEARING |
| 128 |
N 071805016402 |
CIRCLIP |
|
|
SLAVE CYLINDER TO CONSOLE |
| 135 |
N 071805016300 |
SNAP RING |
|
|
SLAVE CYLINDER TO CONSOLE |
| 142 |
A 3812540097 |
BOOT |
|
Repalced by: A 6152540097
|
| 142 |
A 6152540097 |
BOOT |
|
|
RELEASE LEVER |
| 149 |
A 3812540040 |
BRACKET |
|
Repalced by: A 3522540040
|
| 149 |
A 3522540040 |
BRACKET |
|
|
INSIDE |
| 149 |
A 3812540540 |
BRACKET |
|
|
INSIDE |
|
A 3522540135 |
BEARING |
|
Repalced by: A 3802540035
|
| 157 |
A 3802540035 |
BEARING |
|
|
OUTSIDE |
| 157 |
A 3802540135 |
BEARING |
|
|
OUTSIDE |
| 159 |
A 3802540059 |
SEAL RING |
|
|
SOFT |
| 159 |
A 3802540259 |
SEAL RING |
|
|
SOFT |
| 160 |
A 3802540159 |
SEAL RING |
|
|
HARD |
| 160 |
A 3802540359 |
SEAL RING |
|
|
HARD |
| 162 |
A 3812500043 |
BRACKET |
|
Repalced by: A 3522500243
|
| 162 |
A 3522500243 |
BRACKET |
|
|
OUTSIDE |
| 162 |
A 3812500243 |
BRACKET |
|
|
OUTSIDE |
| 167 |
N 912004008102 |
LOCK WASHER |
|
|
BRACKET,BEARING,AND RELEASE LEVER TO BELL HOUSING |
| 172 |
N 000933008147 |
SCREW |
|
Repalced by: N 304017008021
|
| 172 |
N 304017008021 |
SCREW |
|
|
BRACKET,BEARING,AND RELEASE LEVER TO BELL HOUSING |
| 178 |
A 3602510004 |
END COVER |
|
|
BELL HOUSING |
| 178 |
A 3812510204 |
END COVER |
|
|
BELL HOUSING |
| 183 |
N 000137006204 |
SPRING WASHER |
|
|
END COVER TO BELL HOUSING |
| 188 |
N 000933006122 |
SCREW |
|
Repalced by: N 304017006034
|
| 188 |
N 304017006034 |
SCREW |
|
|
END COVER TO BELL HOUSING |
| 195 |
A 3122511006 |
PROTECTIVE PLATE |
|
Repalced by: A 3522500055
|
| 195 |
A 3522500055 |
PROTECTIVE PLATE |
|
Repalced by: A 3522510106
|
| 195 |
A 3522510106 |
PROTECTIVE PLATE |
|
|
BELL HOUSING |
| 201 |
N 000137006204 |
SPRING WASHER |
|
|
PROTECTIVE PLATE TO BELL HOUSING |
| 206 |
N 000933006122 |
SCREW |
|
Repalced by: N 304017006034
|
| 206 |
N 304017006034 |
SCREW |
|
|
PROTECTIVE PLATE TO BELL HOUSING |
| 213 |
A 3812510102 |
BELL HOUSING |
|
Repalced by: A 3522503105
|
| 213 |
A 3522503105 |
HOUSING |
|
Repalced by: A 3522510202
|
| 213 |
A 3522510202 |
BELL HOUSING |
|
|
LOWER PART |
| 213 |
A 3812501005 |
HOUSING |
|
Repalced by: A 6762500105
|
| 213 |
A 6762500105 |
HOUSING |
|
Repalced by: A 6762510002
|
| 213 |
A 6762510002 |
BELL HOUSING |
|
|
LOWER PART |
| 219 |
N 000137006204 |
SPRING WASHER |
|
|
BELL HOUSING LOWER PART TO BELL HOUSING |
| 224 |
N 000933006122 |
SCREW |
|
Repalced by: N 304017006034
|
| 224 |
N 304017006034 |
SCREW |
|
|
BELL HOUSING LOWER PART TO BELL HOUSING |
|
|
M 6X10 |
| 224 |
N 914125006306 |
SCREW |
|
Repalced by: N 910106006006
|
| 224 |
N 910106006006 |
HEXAGON HEAD BOLT |
|
Repalced by: N 000000002270
|
| 224 |
N 000000002270 |
SCREW |
|
|
BELL HOUSING LOWER PART TO BELL HOUSING |
|
|
M 6X10 |
| 231 |
A 3102500155 |
COVER |
|
|
BELL HOUSING |
| 236 |
N 912004008102 |
LOCK WASHER |
|
|
COVER TO BELL HOUSING |
| 241 |
N 000933008212 |
SCREW |
|
Repalced by: N 304017008016
|
| 241 |
N 304017008016 |
SCREW |
|
|
COVER TO BELL HOUSING |
| 248 |
A 0002958307 |
SLAVE CYLINDER |
|
|
CLUTCH RELEASE |
|
A 0002950233 |
ROD |
| 253 |
A 0002952983 |
BOOT |
|
A 0002950873 |
LOCK |
|
Repalced by: A 0005863829
|
| 264 |
A 0004202155 |
BLEEDER VALVE |
|
Repalced by: A 0004310265
|
| 264 |
A 0004310265 |
VALVE |
|
Repalced by: A 3075530107
|
| 264 |
A 3075530107 |
VALVE |
|
A 0004212687 |
PROTECTIVE CAP |
|
Repalced by: A 0004210887
|
| 269 |
A 3164210187 |
PROTECTIVE CAP |
|
Repalced by: A 0004210887
|
| 269 |
A 0004210887 |
PROTECTIVE CAP |
|
Repalced by: A 0004217187
|
| 269 |
A 0004217187 |
PROTECTIVE CAP |
|
Repalced by: A 0004210887
|
| 269 |
A 0004210887 |
PROTECTIVE CAP |
| 275 |
A 0005863829 |
REPAIR KIT |
|
|
CLUTCH SLAVE CYLINDER |
| 280 |
N 912004008102 |
LOCK WASHER |
|
|
CLUTCH SLAVE CYLINDER TO RELEASE YOKE |
| 285 |
N 000933008153 |
SCREW |
|
Repalced by: N 304017008034
|
| 285 |
N 304017008034 |
SCREW |
|
|
CLUTCH SLAVE CYLINDER TO RELEASE YOKE |