|
Y YYYYYYYYYYYY |
PART NAME MISSING |
|
|
FOR TRANSMISSION,SEE UNIT STANDARD VERSION,MODEL: |
|
|
714.0 |
|
Y YYYYYYYYYYYY |
PART NAME MISSING |
|
|
FOR TRANSMISSION,SEE UNIT STANDARD VERSION,MODEL: |
|
|
712.0 |
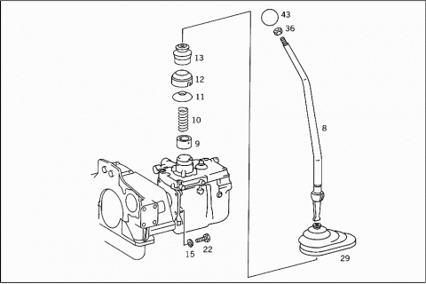
| 008 |
A 3102600639 |
SHIFT LEVER |
| 009 |
A 3102680050 |
BUSHING |
|
|
GEARSHIFT LEVER LOWER PART |
| 010 |
A 1109930401 |
SPRING |
|
|
SHIFT LEVER TO CASE |
| 011 |
A 3022670008 |
SPHERICAL PIECE |
|
|
SHIFT LEVER TO CASE |
| 012 |
A 3142680005 |
COVER |
|
|
SHIFT LEVER TO CASE |
| 013 |
A 3522670196 |
BOOT |
|
|
SHIFTING PARTS |
| 015 |
N 912004014100 |
LOCK WASHER |
|
|
TRANSMISSION TO BELL HOUSING |
| 022 |
N 000933014014 |
SCREW |
|
|
TRANSMISSION TO BELL HOUSING |
| 029 |
A 3142680596 |
BOOT |
|
Repalced by: A 3092680096
|
| 029 |
A 3142681296 |
BOOT |
|
Repalced by: A 3092680096
|
| 029 |
A 3092680096 |
BOOT |
|
Repalced by: A 3092680196
|
| 029 |
A 3092680196 |
BOOT |
|
|
FLOOR COVERING |
| 036 |
N 000936010010 |
NUT |
|
|
GEARSHIFT LEVER KNOB TO GEARSHIFT LEVER |
| 043 |
A 3222600040 |
HANDLE |
|
|
(GEARSHIFT LEVER KNOB) |