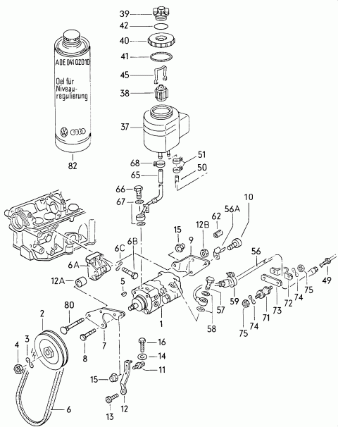
| # | Kodas | Pastaba | Kiekis |
|---|---|---|---|
| 1-2 | 1 vnt. | ||
| nebegaminama | ??? € | ||
| 1 | 035145165A | 1 vnt. | |
| tandem vane pump | ??? € | ||
| (1) | 035616105A | 1 vnt. | |
| siurblys su mentėmis | ??? € | ||
| - | 046145181B | 1 vnt. | |
| bearing for tandem vane type pump | ??? € | ||
| 2 | 035145255C | 1 vnt. | |
| V formos diržo skriemulys | ??? € | ||
| 3 | N 0122333 | 1 vnt. | |
| spyruoklinė poveržlė | 14 | ??? € | |
| 4 | N 10218704 | 1 vnt. | |
| šešiakampė veržlė | M14X1,5 | ??? € | |
| 4 | N 0111633 | 1 vnt. | |
| šešiakampė veržlė | M14X1,5 | ??? € | |
| 5 | N 0127082 | 1 vnt. | |
| woodruff key | 4X5 | ??? € | |
| 6 | 035145271F | 1 vnt. | |
| V formos diržas | 12,5X1003MM | ??? € | |
| 6A | 035145515B | 1 vnt. | |
| mentinio siurblio laikiklis | ??? € | ||
| 6B | N 0103404 | 2 vnt. | |
| varžtas su šešiakampe galvute | M8X40 | ??? € | |
| 6C | N 01224110 | 2 vnt. | |
| spyruoklinė poveržlė | B8X15 | ??? € | |
| 6C | N 01224111 | 2 vnt. | |
| spyruoklinė poveržlė | B8X15X0,8 | ??? € | |
| 7 | 035145519B | 1 vnt. | |
| ranka/alkūnė (priekis) | ??? € | ||
| 8 | N 01036112 | 3 vnt. | |
|
varžtas su šešiakampe galvute tik: |
M8X65;035 145 165 A | ??? € | |
| 8 | N 0103614 | 3 vnt. | |
|
varžtas su šešiakampe galvute tik: |
M8X65;035 145 165 A | ??? € | |
| (8) | N 0103914 | 2 vnt. | |
|
varžtas su šešiakampe galvute tik: |
M8X100;035 616 105 A | ??? € | |
| 9 | 1 vnt. | ||
| nebegaminama | ??? € | ||
| 9 | 035145531A | 1 vnt. | |
| mentinio siurblio laikiklis | ??? € | ||
| 10 | N 0147123 | 2 vnt. | |
| varžtas su šešiakampe vidine (lizdine) galvute | M8X18 | ??? € | |
| 11 | 035145541 | 1 vnt. | |
| eye bolt | ??? € | ||
| 12 | 1 vnt. | ||
| nebegaminama | ??? € | ||
| 12 | 035145545C | 1 vnt. | |
| atrama | ??? € | ||
| 12A | 1 vnt. | ||
| nebegaminama | ??? € | ||
| 12A | 035145549A | 1 vnt. | |
| vamzdis atstumo palaikymui | ??? € | ||
| 12B | N 01100830 | 3 vnt. | |
| šešiakampė veržlė | M8.0 | ??? € | |
| 12B | N 01100818 | 3 vnt. | |
| šešiakampė veržlė | M8 | ??? € | |
| 13 | 1 vnt. | ||
|
varžtas vidine galvute nebegaminama |
??? € | ||
| 14 | N 01152520 | 1 vnt. | |
| poveržlė | A8,4X16X1,6 | ??? € | |
| 14 | N 01152513 | 1 vnt. | |
| poveržlė | A8,4 | ??? € | |
| 15 | N 0221464 | 3 vnt. | |
| šešiakampė veržlė, užsitvirtinanti | M8 | ??? € | |
| 16 | N 0102464 | 1 vnt. | |
| varžtas su šešiakampe galvute | M8X45 | ??? € | |
| 37 | 1 vnt. | ||
|
nebegaminama taip pat naudoti: |
;431 616 733 A | ??? € | |
| 37 | 431616211B | 1 vnt. | |
|
oil container taip pat naudoti: |
;431 616 733 A | ??? € | |
| - | 431616733A | 1 vnt. | |
| žarna | ??? € | ||
| 38 | 431201511 | 1 vnt. | |
| kuro filtras | ??? € | ||
| 39 | 701422375 | 1 vnt. | |
| antgalis | ??? € | ||
| 39 | 431422375B | 1 vnt. | |
| antgalis | ??? € | ||
| 40 | 701422377 | 1 vnt. | |
| cover for oil reservoir | ??? € | ||
| 40 | 431422377D | 1 vnt. | |
| cover for oil reservoir | ??? € | ||
| 41 | 431422383A | 1 vnt. | |
| O-žiedas | ??? € | ||
| 42 | N 90176301 | 1 vnt. | |
| O-žiedas | 38X2,50 | ??? € | |
| 45 | 1 vnt. | ||
| nebegaminama | ??? € | ||
| 45 | 431616237 | 1 vnt. | |
| sąvaržėlė | ??? € | ||
| 49-50 | 1 vnt. | ||
| nebegaminama | ??? € | ||
| 49 | 431616703 | 1 vnt. | |
| pipe from expansion hose to level valve | ??? € | ||
| 50 | 431616707A | 1 vnt. | |
| return pipe from level valve to oil tank | ??? € | ||
| - | N 0202821 | ||
| hose in coils of 5m 'order unit 5' | 5X3 | ??? € | |
| 51 | N 0245281 | 2 vnt. | |
| spaustuvas | 8-12X8X0,4 | ??? € | |
| 56 | 1 vnt. | ||
| nebegaminama | ??? € | ||
| 56 | 431616735A | 1 vnt. | |
| išsiplėtimo žarna | ??? € | ||
| 56A | 1 vnt. | ||
| nebegaminama | ??? € | ||
| 56A | 431616793 | 1 vnt. | |
| holder for extendible hose | ??? € | ||
| 57 | N 0210755 | 1 vnt. | |
| banjo bolt | LL6 | ??? € | |
| 57 | N 0210751 | 1 vnt. | |
| banjo bolt | LL6 | ??? € | |
| 58 | N 0138085 | 2 vnt. | |
| O-žiedas | 10X16 | ??? € | |
| 58 | N 0138083 | 2 vnt. | |
| O-žiedas | A10X16 | ??? € | |
| 59 | N 10258101 | 1 vnt. | |
| spaustuvas | 23-35X9X0,5 | ??? € | |
| 59 | N 0245113 | 1 vnt. | |
| spaustuvas | LC23-35 | ??? € | |
| (62) | 803201245 | 5 vnt. | |
| apsauginė žarna | ??? € | ||
| 62 | 803201245A | 2 vnt. | |
| apsauginė žarna | ??? € | ||
| (62) | 431616727A | ||
| apsauginė žarna | ??? € | ||
| 65 | 1 vnt. | ||
| nebegaminama | ??? € | ||
| 65 | 431616759B | 1 vnt. | |
| žarna | ??? € | ||
| (65) | 431616759A | 1 vnt. | |
|
žarna ( vairas kairėje) siurblys su mentėmis vairo stiprintuvui |
??? € | ||
| (65) | 431616759C | 5D,L5D,GL5D,;CD5D | 1 vnt. |
|
žarna ( vairas kairėje) siurblys su mentėmis vairo stiprintuvui |
??? € | ||
| (65) | 432616759A | 1 vnt. | |
|
žarna ( vairas dešinėje) siurblys su mentėmis vairo stiprintuvui |
??? € | ||
| 66 | N 90358003 | 1 vnt. | |
| banjo bolt | M14X1,5 | ??? € | |
| 66 | N 90358001 | 1 vnt. | |
| banjo bolt | LL10-2 | ??? € | |
| 67 | N 0138142 | 2 vnt. | |
| O-žiedas | 14X18 | ??? € | |
| 68 | N 10258201 | 1 vnt. | |
| spaustuvas | 12-22X9X0,4 | ??? € | |
| 68 | N 0245092 | 1 vnt. | |
| spaustuvas | LC12-22 | ??? € | |
| 71 | 431616769 | 2 vnt. | |
| sustabdymo buferis | ??? € | ||
| 72 | 443616777 | 1 vnt. | |
| spaustuvas | ??? € | ||
| 72 | 431616777 | 1 vnt. | |
| spaustuvas | ??? € | ||
| 73 | 443616779 | 1 vnt. | |
| laikomoji plokštelė | ??? € | ||
| 73 | 431616779 | 1 vnt. | |
| grindų paklotas | ??? € | ||
| 74 | N 0122265 | 4 vnt. | |
| spyruoklinė poveržlė | 6 | ??? € | |
| 75 | N 01100624 | 4 vnt. | |
| šešiakampė veržlė | M6 | ??? € | |
| 75 | N 0110068 | 4 vnt. | |
| šešiakampė veržlė | M6 | ??? € | |
| 80 | 1 vnt. | ||
| nebegaminama | M8X95 | ??? € | |
| 80 | 035903285A | 1 vnt. | |
| flat round head bolt | M8X95 | ??? € | |
| 82 | G 002000 | ||
| centrinė hidraulinė alyva ir vairo pavaros alyva (1,0 ltr.) | ??? € | ||
| (82) | G 002000A7 | ||
|
centrinė hidraulinė alyva ir vairo pavaros alyva (30 ltr.) darbinis skystis |
??? € | ||
| (82) | G 002000A8 | ||
| centrinė hidraulinė alyva ir vairo pavaros alyva (60 ltr.) | ??? € | ||