
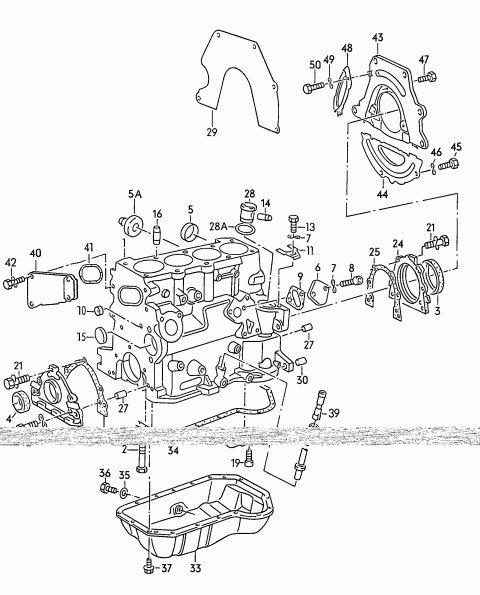
| # | Kodas | Pastaba | Kiekis |
|---|---|---|---|
| 1 | 026103101L | PB,EV,GU,RH,;PF,RV | 1 vnt. |
|
cilindrų blokas su stūmokliais taip pat naudoti: |
;;053 115 417 A;028 115 441 C;077 103 175 B | ??? € | |
| (1) | 027103101C | EZ,ABN,RF,PN | 1 vnt. |
|
cilindrų blokas su stūmokliais taip pat naudoti: |
; >>1G-MW720000; >>1G-MB100000;053 115 417 A;028 115 441 C;077 1 | ??? € | |
| (1) | 051103101 | RP | 1 vnt. |
|
cilindrų blokas su stūmokliais taip pat naudoti: |
;053 115 417 A;028 115 441 C;077 103 175 B | ??? € | |
| (1) | 037103101 | PG | 1 vnt. |
| cilindrų blokas su stūmokliais | ??? € | ||
| - | 053115417A | ||
| alyvos filtro laikiklis | ??? € | ||
| - | 028115441C | ||
| tarpinė | KSA | ??? € | |
| - | 077103175B | ||
| vožtuvas | ??? € | ||
| 2 | N 10263801 | 10 vnt. | |
| varžtas su šešiakampe galvute | M10X65 | ??? € | |
| 3 | |||
| nebegaminama/pakeista: | 068 103 171 F | ??? € | |
| 4 | 068103085A | 1 vnt. | |
| veleno riebokšlis | ??? € | ||
| 4 | 068103085E | 1 vnt. | |
| veleno riebokšlis | 47X10 | ??? € | |
| 5 | 036103113A | 3 vnt. | |
| antgalis | 36,6 | ??? € | |
| 5 | 059103113 | 3 vnt. | |
| antgalis | 36,6 | ??? € | |
| 6 | 063103113 | RP | 1 vnt. |
| antgalis | ??? € | ||
| 7 | N 01224110 | ||
| spyruoklinė poveržlė | B8X15 | ??? € | |
| 7 | N 01224111 | ||
| spyruoklinė poveržlė | B8X15X0,8 | ??? € | |
| 8 | N 0147123 | RP | 2 vnt. |
| varžtas su šešiakampe vidine (lizdine) galvute | M8X18 | ??? € | |
| 9 | 028127311A | RP | 1 vnt. |
| tarpinė | ??? € | ||
| 10 | N 01190710 | 2 vnt. | |
| antgalis | 14 | ??? € | |
| 10 | N 0119077 | 2 vnt. | |
| antgalis | A14 | ??? € | |
| 10 | N 0119074 | 2 vnt. | |
| antgalis | 14 | ??? € | |
| 12 | N 01024016 | 1 vnt. | |
| varžtas su šešiakampe galvute | M8X20 | ??? € | |
| (14) | N 0162011 | ||
| cup rivet | 4,8X14 | ??? € | |
| 14 | 056103117 | 1 vnt. | |
| bungs | 6,4MM | ??? € | |
| 15 | 036103113A | 1 vnt. | |
| antgalis | 36,6 | ??? € | |
| 15 | 059103113 | 1 vnt. | |
| antgalis | 36,6 | ??? € | |
| 16 | 026103139 | 2 vnt. | |
| cilindro kaištis | 6M6X20 | ??? € | |
| 17 | 051103152 | 1 vnt. | |
| sandarinimo flanšas | ??? € | ||
| 20 | 026103161A | 1 vnt. | |
| tarpinė | ??? € | ||
| 18 | 068103157D | PG | 4 vnt. |
| oil spray jet | ??? € | ||
| 19 | N 90241501 | PG | 4 vnt. |
| varžtas su šešiakampe vidine (lizdine) galvute | M6X10 | ??? € | |
| 20 | 026103161B | 1 vnt. | |
| tarpinė | ??? € | ||
| 21 | N 01021612 | ||
|
varžtas su šešiakampe galvute taip pat naudoti: |
M6X18;N 012 226 5 | ??? € | |
| - | N 0122265 | ||
| spyruoklinė poveržlė | 6 | ??? € | |
| 24 | 068103171F | 1 vnt. | |
| sandarinimo flanšas (gale) | ??? € | ||
| 25 | 026103181B | 1 vnt. | |
| tarpinė | ??? € | ||
| 27 | N 0432072 | 4 vnt. | |
| cilindro kaištis | 8X14 | ??? € | |
| 28 | 056103541 | 1 vnt. | |
| lizdas | ??? € | ||
| 28A | 026905261 | 1 vnt. | |
| O-žiedas | ??? € | ||
| 29 | 055103551 | 1 vnt. | |
| plokštė atstumo palaikymui | ??? € | ||
| 30 | 014301153 | 2 vnt. | |
| dowel sleeve | 16X12,8 | ??? € | |
| 33 | 051103601 | 1 vnt. | |
|
variklio alyvos karteris taip pat naudoti: |
;044 103 609 D;N 905 927 03 | ??? € | |
| 33 | 051103601 | 1 vnt. | |
|
variklio alyvos karteris taip pat naudoti: |
;044 103 609 D;N 905 927 02 | ??? € | |
| - | 044103609D | ||
| tarpinė | ??? € | ||
| - | 048103609B | ||
| tarpinė | ??? € | ||
| - | 051103623 |
;F 1G-M-000 001>> |
|
| surge lock | ??? € | ||
| 34 | 028103609A | 1 vnt. | |
| tarpinė | ??? € | ||
| 34 | 044103609D | 1 vnt. | |
|
tarpinė taip pat naudoti: |
;N 905 927 02 | ??? € | |
| 35 | N 0138492 | 1 vnt. | |
| O-žiedas | 14X20 | ??? € | |
| 36 | N 90288901 | 1 vnt. | |
| alyvos išleidimo kamštis | M14X1,5X16 | ??? € | |
| 37 | N 90008401 | 20 vnt. | |
| varžtas plačia šešiakampe galvute | M6X14 | ??? € | |
| (37) | N 90592703 | ||
| bolt, hex. hd. with shoulder, self-locking | M6X16 | ??? € | |
| (37) | N 90592702 | ||
| bolt, hex. hd. with shoulder, self-locking | M6X16 | ??? € | |
| 38 | 049103634 | 1 vnt. | |
| vamzdis alyvos matuokliui | ??? € | ||
| 39 | 050103663 | 1 vnt. | |
| guide funnel | ??? € | ||
| 39 | 053103663 | 1 vnt. | |
| guide funnel | ??? € | ||
| 40/41 | PG | 1 vnt. | |
| nebegaminama | ??? € | ||
| 40 | 037103111 | PG | 1 vnt. |
| antgalis | ??? € | ||
| 41 | N 90250201 | PG | 1 vnt. |
| O-žiedas | 63,5X5 | ??? € | |
| 42 | N 0147074 | PG | 2 vnt. |
| varžtas su šešiakampe vidine (lizdine) galvute | M8X15 | ??? € | |
| 43 | 068103621E | ;;RH,GU,PN,EZ,;RF,AB... | 1 vnt. |
|
gaubtas (viršutinis) [mechaninė pavarų dėžė RH,GU,PN,EZ,RF,ABN] taip pat naudoti: |
;;;;038 103 648 H;068 103 648 K | ??? € | |
| (43) | 068103621C | ;;PF,PB | 1 vnt. |
| gaubtas (viršutinis) [mechaninė pavarų dėžė PF,PB] | ??? € | ||
| (43) | 068103621E | ;;PG,RP | 1 vnt. |
| gaubtas (viršutinis) [mechaninė pavarų dėžė PG,RP] | ??? € | ||
| 44 | 068103648D |
;F >> 1G-LW234 003;F >> 1G-LB037 030 |
|
| gaubtas (apatinis) | ??? € | ||
| (44) | 068103648K |
;F 1G-LW234 004>>;F 1G-LB037 031>> |
|
| gaubtas (apatinis) | ??? € | ||
| 45 | N 0102279 | 2 vnt. | |
| bolt, hexagon head self-locking | M7X12 | ??? € | |
| 45 | N 0102276 | 2 vnt. | |
| bolt, hexagon head self-locking | M7X12 | ??? € | |
| 46 | N 0122345 | 2 vnt. | |
| spyruoklinė poveržlė | 7 | ??? € | |
| 47 | N 0143401 |
;;F >> 1G-LW800 000*;F >> 1G-LB250 000* |
|
| bolt, hex. hd. with shoulder, self-locking | M6X10 | ??? € | |
| (47) | N 90483201 |
;F 1G-LW800 001>>*;F 1G-LB250 001>>* |
|
| varžtas su šešiakampe galvute | M6X8 | ??? € | |
| 48 | 038103648H |
;F >> 1G-LW240 000*;F >> 1G-LB075 000* |
|
| gaubtas | ??? € | ||
| 48 | 068103645M |
;F >> 1G-LW240 000*;F >> 1G-LB075 000* |
|
| gaubtas | ??? € | ||
| (48) | 068103645K |
;F 1G-LW240 001>>*;F 1G-LB075 001>>* |
|
| gaubtas | ??? € | ||
| (48) | 038103645A |
;F 1G-LW240 001>>*;F 1G-LB075 001>>* |
|
| gaubtas | ??? € | ||
| 49 | N 0122265 | 1 vnt. | |
| spyruoklinė poveržlė | 6 | ??? € | |
| 50 | N 0102085 | 1 vnt. | |
| varžtas su šešiakampe galvute | M6X8 | ??? € | |