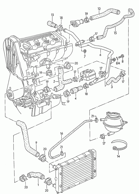
| # | Kodas | Pastaba | Kiekis |
|---|---|---|---|
| 1 | 191121051E | 1 vnt. | |
| aušinimo skysčio žarna | ??? € | ||
| (1) | 191121051P | 1 vnt. | |
|
aušinimo skysčio žarna transporto priemonėms su oro kondicionieriumi |
??? € | ||
| 2 | 027121053B |
;M >> PL 092 050;M >> KR 161 408 |
|
| aušinimo skysčio žarna | ??? € | ||
| (2) | 051121053A |
;M PL 092 051>>;M KR 161 409>> |
|
| aušinimo skysčio žarna | ??? € | ||
| 3 | 037121058A | 1 vnt. | |
| aušinimo skysčio žarna | ??? € | ||
| 4 | 068121063M | 1 vnt. | |
| aušinimo skysčio žarna | ??? € | ||
| 6 | 027121065P | 1 vnt. | |
| coolant pipe | ??? € | ||
| 7 | N 01100636 | 1 vnt. | |
| šešiakampė veržlė | M6 | ??? € | |
| 7 | N 01100624 | 1 vnt. | |
| šešiakampė veržlė | M6 | ??? € | |
| 8 | N 01021527 | 1 vnt. | |
| varžtas su šešiakampe galvute | M6X15 | ??? € | |
| 8A | N 0122265 | 1 vnt. | |
| spyruoklinė poveržlė | 6 | ??? € | |
| 9 | 191121101AC | 1 vnt. | |
| aušinimo skysčio žarna | ??? € | ||
| (9) | 191121101AB | 1 vnt. | |
|
aušinimo skysčio žarna transporto priemonėms su oro kondicionieriumi |
??? € | ||
| 12 | |||
| žr. iliustraciją: | 148 | ??? € | |
| 13 | |||
| žr. iliustraciją: | 148 | ??? € | |
| 14 | N 0209022 | ||
| kabelių raiščiai | 3,6X246 | ??? € | |
| 15 | 535121109B | 1 vnt. | |
| aušinimo skysčio žarna | ??? € | ||
| - | 443121107A | ||
| hose in coils of 5m 'order unit 5' | 7X2,5 | ??? € | |
| 16 | |||
| sutrumpinti: | 1040MM | ??? € | |
| 17 | N 0164021 | ||
| spyruoklinis gnybtas | 23X15 | ??? € | |
| 18 | N 0164031 | ||
| spyruoklinis gnybtas | 27X15 | ??? € | |
| 19 | N 0164041 | ||
| spyruoklinis gnybtas | 32X15 | ??? € | |
| 20 | N 0164101 | ||
| spyruoklinis gnybtas | 40X15 | ??? € | |
| 21 | 311133343 | 2 vnt. | |
| spaustuvas | ??? € | ||