
| # | Kodas | Pastaba | Kiekis |
|---|---|---|---|
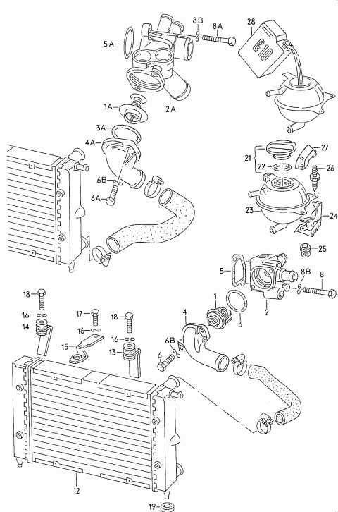
| 1A | 030121113 | 1 vnt. | |
| aušinimo skysčio raguliatorius | ??? € | ||
| 2A | 030121117D |
;F >> 1G-L-990 000 ;HZ,2G |
|
| thermostat housing | ??? € | ||
| (2A) | 030121117E |
;F 1G-M-000 001>> ;HZ,2G |
|
|
thermostat housing taip pat naudoti: |
;;191 121 343;N 100 987 01 | ??? € | |
| (2A) | 030121117L |
;F 1G-M-000 001>> ;HZ,2G |
|
|
thermostat housing taip pat naudoti: |
;;191 121 343;N 100 987 01;N 906 298 03 | ??? € | |
| (2A) | 030121117C |
;F >> 1G-L-990 000 ;NZ |
|
| thermostat housing | ??? € | ||
| (2A) | 030121117F |
;F 1G-M-000 001>> ;NZ |
|
|
thermostat housing taip pat naudoti: |
;;191 121 343;N 100 987 01 | ??? € | |
| (2A) | 030121117M |
;F 1G-M-000 001>> ;NZ |
|
|
thermostat housing taip pat naudoti: |
;;191 121 343;N 100 987 01;N 906 298 03 | ??? € | |
| - | 191121343 |
;F 1G-M-000 001>> |
|
| dangtelis uždarantis | 7,5MM | ??? € | |
| - | N 10098701 |
;F 1G-M-000 001>> |
|
| spyruoklinis gnybtas | 13X15 | ??? € | |
| - | N 90629803 | 2 vnt. | |
| hex.hd. thread cutting bolt | 7X20 | ??? € | |
| - | 4D0121324 | ||
| dangtelis uždarantis | 20,0MM | ??? € | |
| - | N 90629801 | 2 vnt. | |
| hex hd. panel screw, shoulder | H7X20 | ??? € | |
| 3A | 038121119B | 1 vnt. | |
| O-žiedas | 50X4 | ??? € | |
| 3A | 059121119 | 1 vnt. | |
| O-žiedas | ??? € | ||
| 4A | 030121121 | 1 vnt. | |
| vamzdžių sąjunga | ??? € | ||
| 4A | 030121121B | 1 vnt. | |
| vamzdžių sąjunga | ??? € | ||
| 5A | 030121119 | 1 vnt. | |
| O-žiedas | 42,5X3 | ??? € | |
| 6A | N 01021612 | 2 vnt. | |
| varžtas su šešiakampe galvute | M6X18 | ??? € | |
| 6B | N 0122265 | 2 vnt. | |
| spyruoklinė poveržlė | 6 | ??? € | |
| 8A | N 0103324 | 1 vnt. | |
| varžtas su šešiakampe galvute | M8X32 | ??? € | |
| (8A) | N 01035210 | 1 vnt. | |
| varžtas su šešiakampe galvute | M8X55 | ??? € | |
| 8B | N 01224110 | 2 vnt. | |
| spyruoklinė poveržlė | B8X15 | ??? € | |
| 8B | N 0122293 | 2 vnt. | |
| spyruoklinė poveržlė | 8X15X0,5 | ??? € | |
| 12 | 171121253CJ | 1 vnt. | |
| aušinimo skysčio aušintuvas | 430MM | ??? € | |
| 13 | 191121265C | 1 vnt. | |
| laikomoji plokštelė (kairė) | ??? € | ||
| 14 | 191121265B | 1 vnt. | |
| laikomoji plokštelė (dešinėje) | ??? € | ||
| 15 | 191121271 | 1 vnt. | |
|
laikomoji plokštelė for models with battery: |
;54A/63A | ??? € | |
| 16 | N 0122265 | 3 vnt. | |
| spyruoklinė poveržlė | 6 | ??? € | |
| 17 | N 01021612 | 1 vnt. | |
| varžtas su šešiakampe galvute | M6X18 | ??? € | |
| 18 | N 0103054 | 2 vnt. | |
| varžtas su šešiakampe galvute | M6X32 | ??? € | |
| 19 | 171121276D | 2 vnt. | |
| guminė poveržlė | ??? € | ||
| 21 | 357121321C | 1 vnt. | |
| antgalis | ??? € | ||
| 21 | 1H0121321C | 1 vnt. | |
| antgalis | ??? € | ||
| 21 | 1H0121321A | 1 vnt. | |
| antgalis | ??? € | ||
| 22 | 1H0121687A | 1 vnt. | |
| O-žiedas | 28,5X3,8 | ??? € | |
| 22 | 1H0121687 | 1 vnt. | |
| O-žiedas | 29,5X3,8 | ??? € | |
| 23 | 1H0121407A | 1 vnt. | |
| aušinimo skysčio išsiplėtimo bakelis | ??? € | ||
| 24 | 191121409C | 1 vnt. | |
| rezervuaro laikiklis | ??? € | ||
| 25 | N 90074404 | 2 vnt. | |
| šešiakampė veržlė, užsitvirtinanti | M8 | ??? € | |
| 25 | N 90074401 | 2 vnt. | |
| šešiakampė veržlė, užsitvirtinanti | M8 | ??? € | |
| 26 | 357121416 | 2 vnt. | |
| stud with hex. hd. | ??? € | ||
| 26 | N 90614001 | 2 vnt. | |
| double stud with hexagon drive | 3X24/M6X15,5 | ??? € | |
| 27 | 357121422 | 1 vnt. | |
| dangtelis | ??? € | ||
| 28 | G 012A8GM1 | ||
| aušinimo priedai, plius-plius (1,5 ltr.) | ??? € | ||
| 28 | G 012A8FA1 | ||
| coolant additive, plus (1,5 ltr.) | ??? € | ||
| 28 | G 011A8CA1 | ||
| aušintuvo priedas (1,5 ltr.) | ??? € | ||
| (28) | G 012A8GM8 | ||
| aušinimo priedai, plius-plius (60 ltr.) | ??? € | ||
| (28) | G 012A8FA8 | ||
| coolant additive, plus (55 ltr.) | ??? € | ||
| (28) | G 011A8CA8 | ||
| aušintuvo priedas (50ltr.) | ??? € | ||