
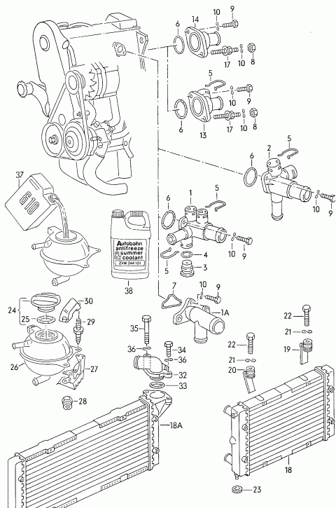
| # | Kodas | Pastaba | Kiekis |
|---|---|---|---|
| 1 | 037121133B | EZ,RF,RP,GU,;RH,RV,P... | 1 vnt. |
|
jungė taip pat naudoti: |
;;RV,PN,PG;N 903 168 02;357 121 140;025 121 142 | ??? € | |
| 1 | 037121132B | EZ,RF,RP,GU,;RH,RV,P... | 1 vnt. |
|
flange with sealing ring taip pat naudoti: |
;;;N 903 168 02;357 121 140;032 121 142 | ??? € | |
| (1) | 037121133C | PB,PF | 1 vnt. |
| jungė | ??? € | ||
| 1A | 027121133E | KR,PL | 1 vnt. |
| jungė | ??? € | ||
| 2 | 068121133AB | JP,ME,JR,MF,;RA,SB,1... | 1 vnt. |
| jungė | ??? € | ||
| 2 | 068121132 | JP,ME,JR,MF,;RA,SB,1... | 1 vnt. |
| flange with sealing ring | ??? € | ||
| 3 | 357121140 | RV,PN | 1 vnt. |
| bungs | ??? € | ||
| 4 | N 90316802 | RV,PN | 1 vnt. |
| O-žiedas | 19,6X3,65 | ??? € | |
| 5 | 032121142 | ||
| spiruoklinis laikiklis | ??? € | ||
| 5 | 025121142 | ||
| spiruoklinis laikiklis | ??? € | ||
| 6 | 037121687 | EZ,GU,RF,RH,;PN,PP,P... | |
| O-žiedas | 36X3,15 | ??? € | |
| (6) | N 90295401 | KR,PL | 1 vnt. |
| O-žiedas | 29,2X3 | ??? € | |
| 7 | 027121139A | KR,PL | 1 vnt. |
| tarpinė | ??? € | ||
| 8 | N 01100636 | ||
| šešiakampė veržlė | M6 | ??? € | |
| 8 | N 01100624 | ||
| šešiakampė veržlė | M6 | ??? € | |
| 9 | N 01021723 | ||
| varžtas su šešiakampe galvute | M6X20 | ??? € | |
| 9 | N 01021710 | ||
| varžtas su šešiakampe galvute | M6X20 | ??? € | |
| 10 | N 0122265 | ||
| spyruoklinė poveržlė | 6 | ??? € | |
| 13 | 068121145Q | RV | 1 vnt. |
| jungė | ??? € | ||
| 14 | 037121145 | PN,RP,PB,RF,;EZ,GU,R... | 1 vnt. |
| jungė | ??? € | ||
| 13 | 068121144 | RV | 1 vnt. |
| flange with sealing ring | ??? € | ||
| (13) | 068121144 | ;PG,PF | 1 vnt. |
|
flange with sealing ring [oro kondicionierius: PG,PF] for models with catalyst |
??? € | ||
| 14 | 026121144E | PN,RP,PB,RF,;EZ,GU,R... | 1 vnt. |
| flange with sealing ring | ??? € | ||
| (14) | 027121145B | KR,PL | 1 vnt. |
| jungė | ??? € | ||
| 17 | N 91148001 | ||
| double stud with hexagon drive | M6X22/M6X14 | ??? € | |
| 17 | 027121631A | ||
| double stud with hexagon drive | M6X22/M6X14 | ??? € | |
| (18) | 191121251C | GU,EZ,RF,RH,;PN,RP,P... | 1 vnt. |
|
aušinimo skysčio aušintuvas transporto priemonėms su oro kondicionieriumi for vehicles prepared for service installation of air conditioner |
675MM | ??? € | |
| (18) | 191121253K | EZ,RF,PN,ABN | 1 vnt. |
| aušinimo skysčio aušintuvas | 430MM | ??? € | |
| (18) | 191121253L | KR,PL | 1 vnt. |
| aušinimo skysčio aušintuvas | 430 MM | ??? € | |
| 18 | 321121253AL | GU,RH,RP,PF,;RV,PB,J... | 1 vnt. |
| aušinimo skysčio aušintuvas | 525MM | ??? € | |
| (18) | 191121253 | RA,SB,1V | 1 vnt. |
| aušinimo skysčio aušintuvas | 675MM | ??? € | |
| (18) | 191121253 | JR,MF | 1 vnt. |
| aušinimo skysčio aušintuvas | 675MM | ??? € | |
| (18) | 191121251F | JR,MF | 1 vnt. |
| aušinimo skysčio aušintuvas | 675MM | ??? € | |
| (18) | 191121253F | ;JP,ME,JR,MF,;RA,SB,... | 1 vnt. |
| aušinimo skysčio aušintuvas [oro kondicionierius: JP,ME,JR,MF,RA,SB,1V] | 675MM | ??? € | |
| (18) | 191121253A | ;JP,ME,JR,MF,;RA,SB,... | 1 vnt. |
| aušinimo skysčio aušintuvas [oro kondicionierius: JP,ME,JR,MF,RA,SB,1V] | 675MM | ??? € | |
| 18A | 535121251B | PG | 1 vnt. |
|
aušinimo skysčio aušintuvas for vehicles without catalytic converter with charge air cooler: taip pat naudoti: |
430MM;;;274MM;535 121 687 | ??? € | |
| (18A) | 535121251C | PG | 1 vnt. |
|
aušinimo skysčio aušintuvas for models with catalyst with charge air cooler: transporto priemonėms naudojamoms šiltame klimate modeliams su vilkimo įranga |
675MM;;274MM;;;;;;535 121 687 | ??? € | |
| (18A) | 191121253AL | PG | 1 vnt. |
|
aušinimo skysčio aušintuvas for models with catalyst with charge air cooler: taip pat naudoti: |
580MM;;550MM;535 121 687 | ??? € | |
| 19 | 191121265C | 1 vnt. | |
| laikomoji plokštelė (kairė) | ??? € | ||
| 20 | 191121265B | 1 vnt. | |
| laikomoji plokštelė (dešinėje) | ??? € | ||
| (20) | 191121265D | PG | 1 vnt. |
|
laikomoji plokštelė (dešinėje) for vehicles without catalytic converter |
??? € | ||
| (20) | 191121265E | PG | 1 vnt. |
|
laikomoji plokštelė (dešinėje) for models with catalyst |
??? € | ||
| 21 | N 0122265 | 2 vnt. | |
| spyruoklinė poveržlė | 6 | ??? € | |
| 22 | N 0103054 | 2 vnt. | |
| varžtas su šešiakampe galvute | M6X32 | ??? € | |
| 23 | 171121276D | 2 vnt. | |
| guminė poveržlė | ??? € | ||
| 24 | 357121321C | 1 vnt. | |
| antgalis | ??? € | ||
| 24 | 1H0121321C | 1 vnt. | |
| antgalis | ??? € | ||
| 24 | 1H0121321A | 1 vnt. | |
| antgalis | ??? € | ||
| 25 | 1H0121687A | 1 vnt. | |
| O-žiedas | 28,5X3,8 | ??? € | |
| 25 | 1H0121687 | 1 vnt. | |
| O-žiedas | 29,5X3,8 | ??? € | |
| 26 | 1H0121407A | 1 vnt. | |
| aušinimo skysčio išsiplėtimo bakelis | ??? € | ||
| 27 | 191121409C | 1 vnt. | |
| rezervuaro laikiklis | ??? € | ||
| 28 | N 90074404 | 2 vnt. | |
| šešiakampė veržlė, užsitvirtinanti | M8 | ??? € | |
| 28 | N 90074401 | 2 vnt. | |
| šešiakampė veržlė, užsitvirtinanti | M8 | ??? € | |
| 29 | 357121416 | 2 vnt. | |
| stud with hex. hd. | ??? € | ||
| 29 | N 90614001 | 2 vnt. | |
| double stud with hexagon drive | 3X24/M6X15,5 | ??? € | |
| 30 | 357121422 | 1 vnt. | |
| dangtelis | ??? € | ||
| (32) | 191121647 | PG | 1 vnt. |
|
jungiamoji detalė for vehicles without catalytic converter |
??? € | ||
| (32) | 191121647 | ;PG | 1 vnt. |
|
jungiamoji detalė [oro kondicionierius: PG] for models with catalyst |
??? € | ||
| 32 | 535121647 | PG | 1 vnt. |
|
jungiamoji detalė for models with catalyst |
??? € | ||
| 33 | 535121687 | PG | 1 vnt. |
| O-žiedas | 31X3,2 | ??? € | |
| 34 | N 0102228 | PG | 2 vnt. |
|
varžtas su šešiakampe galvute for vehicles without catalytic converter |
M6X22 | ??? € | |
| 34 | N 0102228 | ;PG | 2 vnt. |
|
varžtas su šešiakampe galvute [oro kondicionierius: PG] for models with catalyst |
M6X22 | ??? € | |
| 34 | N 0102228 | PG | 1 vnt. |
|
varžtas su šešiakampe galvute for models with catalyst |
M6X22 | ??? € | |
| 35 | N 0103664 | PG | 1 vnt. |
|
varžtas su šešiakampe galvute for models with catalyst |
M6X55 | ??? € | |
| 36 | N 0122265 | PG | 2 vnt. |
| spyruoklinė poveržlė | 6 | ??? € | |
| 37 | G 012A8GM1 | ||
| aušinimo priedai, plius-plius (1,5 ltr.) | ??? € | ||
| 37 | G 012A8FA1 | ||
| coolant additive, plus (1,5 ltr.) | ??? € | ||
| 37 | G 011A8CA1 | ||
| aušintuvo priedas (1,5 ltr.) | ??? € | ||
| (37) | G 012A8GM8 | ||
| aušinimo priedai, plius-plius (60 ltr.) | ??? € | ||
| (37) | G 012A8FA8 | ||
| coolant additive, plus (55 ltr.) | ??? € | ||
| (37) | G 011A8CA8 | ||
| aušintuvo priedas (50ltr.) | ??? € | ||