
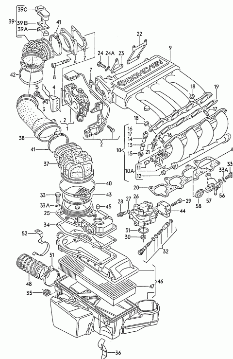
| # | Kodas | Pastaba | Kiekis |
|---|---|---|---|
| (1) | 027133063AH |
;;;F >> 1G-L-990 000* ;;;PL |
|
|
droselio (greičio sklendės) adapteris modelims su pastovaus greičio palaikymo sistema |
??? € | ||
| (1) | 027133063BB | PL | 1 vnt. |
| droselio (greičio sklendės) adapteris | ??? € | ||
| (1) | 027133063BA | KR | 1 vnt. |
| droselio (greičio sklendės) adapteris | ??? € | ||
| - | 056129777 | ||
| dangtelis uždarantis | 4MM | ??? € | |
| - | 027133432 |
;F >> 1G-L-990 000* |
|
| reguliavimo varžtas | ??? € | ||
| - | 051133432 |
;F 1G-M-000 001>>* |
1 vnt. |
| reguliavimo varžtas | ??? € | ||
| (2) | 027133061C |
;F >> 1G-L-990 000* ;PL |
|
| switch with loom | ??? € | ||
| (2) | 027133061A | KR | 1 vnt. |
| switch with loom | ??? € | ||
| (2) | 051133093A |
;F 1G-M-000 001>> ;PL |
|
| switch with loom | ??? € | ||
| (2) | 048133154 | 1 vnt. | |
|
potenciometras tik: |
;051 133 063 AA;051 133 063 AB;051 133 063 T | ??? € | |
| - | 034133283 | 1 vnt. | |
|
dashpot tik: |
;051 133 063 L | ??? € | |
| - | 049129157 | 1 vnt. | |
| šešiakampė veržlė | ??? € | ||
| 3 | N 01224110 | 2 vnt. | |
| spyruoklinė poveržlė | B8X15 | ??? € | |
| 3 | N 01224111 | 2 vnt. | |
| spyruoklinė poveržlė | B8X15X0,8 | ??? € | |
| (4) | 027133207B | 1 vnt. | |
|
abutment akceleratoriaus kabelis |
??? € | ||
| 5 | N 01024016 | 2 vnt. | |
| varžtas su šešiakampe galvute | M8X20 | ??? € | |
| 6 | 027133070 |
;F >> 1G-L-990 000* |
|
| jungė | ??? € | ||
| 7 | 037133073A | 1 vnt. | |
| tarpinė | ??? € | ||
| 8 | N 10073701 | 4 vnt. | |
| varžtas su šešiakampe vidine (lizdine) galvute | M8X60 | ??? € | |
| (9) | 027133201AC |
;M >> KR 148 313 ;KR |
|
| intake manifold - upper part | 50MM | ??? € | |
| (9) | 051133201B |
;M KR 148 314>> PL;KR |
1 vnt. |
|
intake manifold - upper part naudoti, jei reikia: |
42,5MM;;053 131 925;026 131 547;N 012 226 5;N 010 222 8;N | ??? € | |
| - | 053131925 | 1 vnt. | |
| antgalis | ??? € | ||
| - | 026131547 | 1 vnt. | |
| tarpinė | ??? € | ||
| - | N 0122265 | 2 vnt. | |
| spyruoklinė poveržlė | 6 | ??? € | |
| - | N 0102228 | 2 vnt. | |
| varžtas su šešiakampe galvute | M6X22 | ??? € | |
| - | N 0199123 | 1 vnt. | |
| varžtas su šešiakampe vidine (lizdine) galvute | M10X1,25X20 | ??? € | |
| - | N 0138115 | 1 vnt. | |
| O-žiedas | 10X13,5 | ??? € | |
| 10 | 027133202E | PL | 1 vnt. |
| intake manifold - lower part | 41MM | ??? € | |
| 10A | 027133202F |
;M >> KR 148 313 ;KR |
|
| intake manifold - lower part | 50MM | ??? € | |
| (10) | 051133202A |
;M KR 148 314>> PL;KR |
1 vnt. |
| intake manifold - lower part | 42,5MM | ??? € | |
| 11 | 056103379 | 2 vnt. | |
| bungs | 7,4 | ??? € | |
| 12 | N 01190710 | 1 vnt. | |
| antgalis | 14 | ??? € | |
| 12 | N 0119077 | 1 vnt. | |
| antgalis | A14 | ??? € | |
| 12 | N 0119074 | 1 vnt. | |
| antgalis | 14 | ??? € | |
| 13 | 035133554 | KR,PL | 4 vnt. |
| insert for injector | ??? € | ||
| 14 | 034133555A | KR,PL | 4 vnt. |
| insert for injector | ??? € | ||
| 15 | 035133557 | 4 vnt. | |
| O-žiedas | 16,5X19,5X1,5 | ??? € | |
| 16 | N 0444104 | 2 vnt. | |
| sriegtas kaištis | M8X28 | ??? € | |
| 17 | N 90008203 | 3 vnt. | |
| sriegtas kaištis | M8X20 | ??? € | |
| 18 | N 90074404 | 5 vnt. | |
| šešiakampė veržlė, užsitvirtinanti | M8 | ??? € | |
| 18 | N 90074401 | 5 vnt. | |
| šešiakampė veržlė, užsitvirtinanti | M8 | ??? € | |
| 19 | 027129717D |
;M KR 148 314>> PL;KR |
1 vnt. |
| tarpinė | ??? € | ||
| (19) | 027129717F |
;M >> KR 148 313 ;KR |
|
| tarpinė | ??? € | ||
| 20 | 037129717F | 1 vnt. | |
| tarpinė | ??? € | ||
| (21) | N 01472615 | 8 vnt. | |
|
varžtas su šešiakampe vidine (lizdine) galvute taip pat naudoti: |
M8X30;;N 012 241 10 | ??? € | |
| - | N 01224110 | 8 vnt. | |
| spyruoklinė poveržlė | B8X15 | ??? € | |
| - | N 0122293 | 8 vnt. | |
| spyruoklinė poveržlė | 8X15X0,5 | ??? € | |
| 22 | 027133231H | 1 vnt. | |
| atrama | ??? € | ||
| - | 111129720 | 2 vnt. | |
| poveržlė | 8,4 | ??? € | |
| 24 | N 01024016 | PL;KR | 6 vnt. |
| varžtas su šešiakampe galvute | M8X20 | ??? € | |
| (24) | N 01024222 | PL | 1 vnt. |
| varžtas su šešiakampe galvute | M8X25 | ??? € | |
| 24A | N 01224110 | 7 vnt. | |
| spyruoklinė poveržlė | B8X15 | ??? € | |
| 24A | N 01224111 | 7 vnt. | |
| spyruoklinė poveržlė | B8X15X0,8 | ??? € | |
| 25 | 026133471 | PL | 1 vnt. |
| oro srauto matuoklė | ??? € | ||
| (25) | 027133471 | KR | 1 vnt. |
| oro srauto matuoklė | ??? € | ||
| (26) | 026133481 X | PL | 1 vnt. |
| fuel metering valve | ??? € | ||
| (26) | 027133481 X | KR | 1 vnt. |
| fuel metering valve | ??? € | ||
| - | 049133483 | 3 vnt. | |
| varžtas kryžmine galvute | ??? € | ||
| 27 | N 0138302 | 1 vnt. | |
| O-žiedas | 8X12 | ??? € | |
| 28 | 063133541 | 1 vnt. | |
| jungiamoji detalė | 8X1/12X1,5 | ??? € | |
| (28) | 037133541 | KR | 1 vnt. |
|
sriegtas sujungėjas for vehicles with retro fitted lambda regulated exhaust emission system (perėjimas: 01/90 >> 12/95) |
??? € | ||
| 29 | 026133483A | PL | 2 vnt. |
| varžtas vidine galvute | ??? € | ||
| 30 | 026133483 | PL | 1 vnt. |
| O-žiedas | 6,2X2X10,2 | ??? € | |
| 31 | 049133485A | 1 vnt. | |
| O-žiedas | ??? € | ||
| 32 | 035198685 | 1 vnt. | |
| parts kit for fuel metering valve | ??? € | ||
| - | 035198691 | 1 vnt. | |
| gasket set for fuel distributor | ??? € | ||
| 33 | N 01021723 | 8 vnt. | |
| varžtas su šešiakampe galvute | M6X20 | ??? € | |
| 33 | N 01021710 | 8 vnt. | |
| varžtas su šešiakampe galvute | M6X20 | ??? € | |
| 33A | N 0122265 | 8 vnt. | |
| spyruoklinė poveržlė | 6 | ??? € | |
| 34 | 049133379A | 1 vnt. | |
| tarpinė | ??? € | ||
| 35 | 055129669 | 2 vnt. | |
| giminė tarpinė | 17/11,8 | ??? € | |
| 36 | 867129797 | 1 vnt. | |
| lock bar | ??? € | ||
| 37 | 051133357B | PL;KR | 1 vnt. |
|
įsiurbiamo oro ortakis taip pat naudoti: |
;067 133 847 | ??? € | |
| 37A | 067133847 | KR | 1 vnt. |
| bungs | 7,5 | ??? € | |
| (38) | 027133373Q | KR | 1 vnt. |
| siurbimo linija | ??? € | ||
| 38 | 027133373P | PL | 1 vnt. |
| siurbimo linija | ??? € | ||
| - | N 0245065 | 1 vnt. | |
| spaustuvas | 25-40X9X0,5 | ??? € | |
| 39 | 027133648 | 1 vnt. | |
| jungianti žarna | ??? € | ||
| 39A | 113129830 | 1 vnt. | |
| laikomoji plokštelė | ??? € | ||
| 39B | 113129832 | 1 vnt. | |
| tarpinė | ??? € | ||
| 39C | 035129630B | 1 vnt. | |
| double temperature controller | ??? € | ||
| 40 | N 0245212 | 1 vnt. | |
| spaustuvas | 120-140X9X0,5 | ??? € | |
| 41 | N 0245183 | 2 vnt. | |
| spaustuvas | 70-90X9X0,5 | ??? € | |
| 42 | N 0245226 | 1 vnt. | |
| spaustuvas | 60-80X9X0,5 | ??? € | |
| 42 | N 0245223 | 1 vnt. | |
| spaustuvas | 60-80X9X0,5 | ??? € | |
| 43 | 049133360 | PL | 1 vnt. |
| flame protection screen | ??? € | ||
| 44 | 026133482 | PL | 1 vnt. |
| pressure adjuster | ??? € | ||
| - | 034133487 | 2 vnt. | |
| O-žiedas | 6X2X10 | ??? € | |
| 45 | 026133777 | KR | 1 vnt. |
| plug for co adjusting screw | ??? € | ||
| (45) | 049133777B | PL | 1 vnt. |
| plug for co adjusting screw | ??? € | ||
| (46) | 027133837Q | 1 vnt. | |
| oro filtras | ??? € | ||
| (47) | 191129620 | 1 vnt. | |
| oro filtro elementas | ??? € | ||
| - | 1H0129833 | 2 vnt. | |
| suveržimo žiedas | 25X6N | ??? € | |
| - | 034133335 | KR | 1 vnt. |
| dangtelis uždarantis | ??? € | ||
| - | 027133993 | PL | 1 vnt. |
| dangtelis uždarantis | 25MM | ??? € | |
| 48 | 027129627E | 1 vnt. | |
| warm air hose | 50,8X550MM | ??? € | |
| (50) | |||
| žr. iliustraciją: | 137 POS.22 | ??? € | |
| 51 | N 0245044 | 2 vnt. | |
| spaustuvas | 40-60X9X0,5 | ??? € | |
| 56 | N 0115402 | 2 vnt. | |
| poveržlė | 5,5 | ??? € | |
| (57) | 027906175D | ;;KR | 1 vnt. |
|
jungiamoji detalė cold starting valve taip pat naudoti: |
;;049 103 389 | ??? € | |
| - | 049103389 | KR | |
| dangtelis uždarantis | 8MM | ??? € | |
| (58) | 027906179A | 1 vnt. | |
| tarpinė | ??? € | ||