
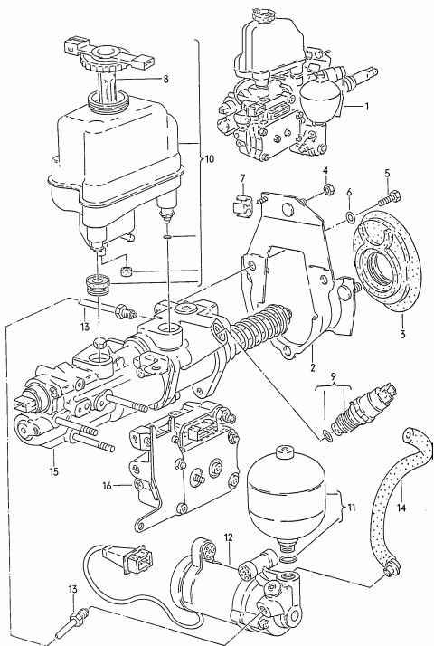
| # | Kodas | Pastaba | Kiekis |
|---|---|---|---|
| 1 | 357614111 | 1 vnt. | |
|
abs blokas for vehicles with electronic differential lock -edl- |
20,64MM | ??? € | |
| 2 | 357614123A | 1 vnt. | |
|
laikiklio montavimas for abs anti-lock braking sys for vehicles with hydraulic clutch actuation |
??? € | ||
| 3 | 191614130 | 1 vnt. | |
| tarpinė | ??? € | ||
| 4 | N 90289101 | 3 vnt. | |
| šešiakampė veržlė, užsitvirtinanti | BM8 | ??? € | |
| 4 | N 90226404 | 3 vnt. | |
| plati šešiakampė veržlė, užsitvirtinanti | M8 | ??? € | |
| 4 | N 90226403 | 3 vnt. | |
| plati šešiakampė veržlė, užsitvirtinanti | BM8 | ??? € | |
| 5 | N 01024041 | 3 vnt. | |
| bolt, hexagon head self-locking | M8X20 | ??? € | |
| 5 | N 01024022 | 3 vnt. | |
| bolt, hexagon head self-locking | M8X20 | ??? € | |
| 6 | N 90057701 | 3 vnt. | |
| poveržlė | 8,4X21X2 | ??? € | |
| 7 | 811611797 | ||
| laikiklis (2 taškai) | ??? € | ||
| 8 | 191614302 | 1 vnt. | |
| cap for expansion tank | ??? € | ||
| 9 | 191927821 | 1 vnt. | |
| pressure warning switch | ??? € | ||
| 10 | 191698301A | 1 vnt. | |
| rezervuaras | ??? € | ||
| 11 | 191698304A | 1 vnt. | |
| slėgio akumuliatorius | ??? € | ||
| 12 | 191698305B | 1 vnt. | |
| pump unit | ??? € | ||
| (13) | 535698306 | 1 vnt. | |
| slėgio vamzdis | ??? € | ||
| 14 | 191698307A | 1 vnt. | |
| jungianti žarna | 220MM | ??? € | |
| 15 | 357698309A | 1 vnt. | |
|
repair kit for abs- hydraulic unit for vehicles with electronic differential lock -edl- |
20,64MM ATE | ??? € | |
| 16 | 357698310A | 1 vnt. | |
| repair set for hydraulic valve unit | 20,64MM ATE | ??? € | |
| (16) | 357698311 | 1 vnt. | |
| repair kit for electrical edl valve unit | ??? € | ||
| - | 191698308 | 1 vnt. | |
| tarpinių komplektas | ??? € | ||
| - | 357614321A | G60 | 1 vnt. |
| šilumos skydas | ??? € | ||