
| # | Kodas | Pastaba | Kiekis |
|---|---|---|---|
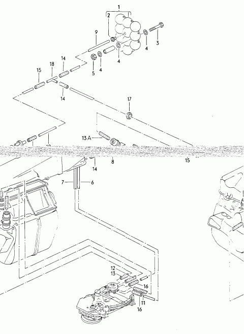
| 1 | 191820601 | 1 vnt. | |
| vakuumo rezervuaras | ??? € | ||
| 2 | 171820609 | 1 vnt. | |
| guminė įvorė | ??? € | ||
| 3 | N 0103681 | 1 vnt. | |
| varžtas su šešiakampe galvute | M6X62 | ??? € | |
| 4 | N 0115072 | 3 vnt. | |
| poveržlė | 6,6X12,5X1,6 | ??? € | |
| 5 | N 0110068 | 1 vnt. | |
| šešiakampė veržlė | M6 | ??? € | |
| 4 | N 01152423 | 3 vnt. | |
| poveržlė | 6,4X12,5X1,6 | ??? € | |
| 5 | N 01100624 | 1 vnt. | |
| šešiakampė veržlė | M6 | ??? € | |
| - | N 0201391 | ||
| 5m vamzdelio ritinys 'užsakyti 5 vienetus' | 4X1 | ??? € | |
| 6 | 1 vnt. | ||
| sutrumpinti: | 600MM | ??? € | |
| 7 | 1 vnt. | ||
| sutrumpinti: | 600MM | ??? € | |
| 8 | 1 vnt. | ||
| sutrumpinti: | 300MM | ??? € | |
| 9 | 1 vnt. | ||
| sutrumpinti: | 650MM | ??? € | |
| 10 | 1 vnt. | ||
| sutrumpinti: | 520MM | ??? € | |
| 10 | K-JETRONIC | 1 vnt. | |
| sutrumpinti: | 330MM | ??? € | |
| - | N 0180571 | ||
| hose in coils of 5m 'order unit 5' | 2,5X1,75 | ??? € | |
| 11 | 1 vnt. | ||
| sutrumpinti: | 360MM | ??? € | |
| 12 | 1 vnt. | ||
| sutrumpinti: | 360MM | ??? € | |
| 13 | 1 vnt. | ||
| sutrumpinti: | 410MM | ??? € | |
| 13A | 1 vnt. | ||
| sutrumpinti: | 310MM | ??? € | |
| 14 | 3 vnt. | ||
| sutrumpinti: | 30MM | ??? € | |
| - | N 0203535 | ||
| hose in coils of 5m 'order unit 5' | 3,5X2 | ??? € | |
| 15 | 3 vnt. | ||
| sutrumpinti: | 30MM | ??? € | |
| 16 | 2 vnt. | ||
| sutrumpinti: | 80MM | ??? € | |
| 17 | 311971913 | 1 vnt. | |
| guminė įvorė | 12,5/2 | ??? € | |
| 18 | 113201943B | 1 vnt. | |
| T-dalis | 4/4/4 | ??? € | |
| 19 | 843820675 | 1 vnt. | |
| atbulinis vožtuvas | ??? € | ||