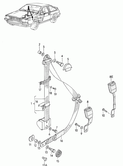
| # | Kodas | Pastaba | Kiekis |
|---|---|---|---|
| - | 443857847B | ||
| rankena | ??? € | ||
| 443857847B 4PK | |||
| soul (juoda spalva) | ??? € | ||
| (1) | 533857705B |
;F >> 53-E-060 000 |
|
| trijų taškų saugos diržas (priekis) | ??? € | ||
| 1 | 533857705D |
;F 53-F-000 001>> |
|
| trijų taškų saugos diržas (priekis) | ??? € | ||
| (1) | 533857705F | ||
|
trijų taškų saugos diržas (priekis) seat belt extended by: |
;300MM | ??? € | |
| 2 | 803019825B | 2 vnt. | |
| mova atstumo palaikymui | ??? € | ||
| 3 | 211857771 |
;F >> 53-E-060 000 |
|
| poveržlė | ??? € | ||
| 4 | 111857793E | 2 vnt. | |
| varžtas su šešiakampe galvute | ??? € | ||
| (5) | 191857719 |
;F >> 53-E-060 000 |
|
| dangtelis | ??? € | ||
| 191857719 01C | |||
| satino juoda | ??? € | ||
| 5 | 165857719 |
;F 53-F-000 001>> |
|
| dangtelis | ??? € | ||
| 165857719 01C | |||
| satino juoda | ??? € | ||
| 6 | N 0116552 | 2 vnt. | |
| poveržlė | 11,5X21X1,8 | ??? € | |
| 7 | 111857799 | 2 vnt. | |
| varžtas su šešiakampe galvute | 7/16"X25 | ??? € | |
| (8) | 533857755 | 1 vnt. | |
| belt latch (kairė) | ??? € | ||
| (8) | 533857755A | 1 vnt. | |
| belt latch with warning contact (kairė) | ??? € | ||
| 8 | 533857756A | 1 vnt. | |
| belt latch (dešinėje) | ??? € | ||
| 8E | 533857755B | 2 vnt. | |
|
belt latch for sports seat |
;RECARO | ??? € | |
| 9 | N 0116552 | ||
| poveržlė | 11,5X21X1,8 | ??? € | |
| 10 | 111857799 | 2 vnt. | |
| varžtas su šešiakampe galvute | 7/16"X25 | ??? € | |
| 11 | 171857797 | 2 vnt. | |
| cover disc | ??? € | ||
| 12 | 810019829 | 2 vnt. | |
| shim | 11,2X17X8,5 | ??? € | |
| 13 | 211857771 | 4 vnt. | |
| poveržlė | ??? € | ||
| 13A | 211857785A | ||
| bungs | ??? € | ||
| 211857785A 01C | |||
| satino juoda | ??? € | ||
| 14 | 111857793E | 2 vnt. | |
| varžtas su šešiakampe galvute | ??? € | ||
| 15 | 171857825 | 2 vnt. | |
| spyruoklė | ??? € | ||
| 16 | 321857841 | 2 vnt. | |
| dangtelis | ??? € | ||
| 17 | 2 vnt. | ||
| nebegaminama (viršutinis) | ??? € | ||
| 17 | 533857859 | 2 vnt. | |
| saugos diržo lovelis (viršutinis) | ??? € | ||
| 18 | N 0116644 | 2 vnt. | |
| poveržlė | B4,3X12X1 | ??? € | |
| 19 | N 01396612 | 2 vnt. | |
| oval head panel screw | ST4,2X13-C | ??? € | |
| 19 | N 01396626 | 2 vnt. | |
| oval head panel screw | 4,2X13 | ??? € | |